Skip to content

Фотогалерея

  • Главная
  • Контакты

La1837

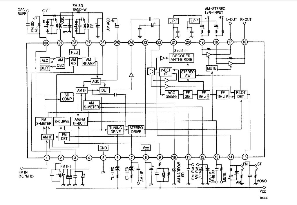
Amplituner Thomson DPL 550 HT - brak stereo, układ LA1837

LA1837, circuit intégré AM/FM FI et MPX - Technique - Forum Retrotechnique

AM STEREO

DENON TU-1500AE

FFH-565A -- Diagrama - YoReparo

KST-MV011MA LC72131/LA1837 FM TUNER, www.iccfl.com

SONY HCD-VP11 เปิดFMแล้วเสียงปี้

LA1837, circuit intégré AM/FM FI et MPX - Technique - Forum Retrotechnique

LA1837 Datasheet PDF (256 KB) Sanyo | Pobierz z Elenota.pl

ONKYO T-405W: BLUESS Laboratory

LA1837 datasheet(4/9 Pages) SANYO | Single-Chip Home Stereo IC with ...

‫مشخصات، دیتاشیت، قیمت و خرید LA1837‬

LA1837, circuit intégré AM/FM FI et MPX - Technique - Forum Retrotechnique

⭐ Микросхема LA1837. Низкие цены. На складе в наличии.

LA1837_5390948.PDF Datasheet Download --- IC-ON-LINE

Głowica radiowa na LA1837 i LC72131 z KENWOOD-a - 7731037927 ...

LA1837 - YouTube

LA1837_155073.PDF Datasheet Download --- IC-ON-LINE

TG La7 - YouTube

1PCS LA1836 LA1836M LA1837 LA1845 LA3380 LA3410 LA4571M FM Receiving ...

LA1837 LA1851N LA3361 LA4112 LA4160 LA4192 LA6558 LA7566S_虎窝淘

LA1837 Datasheet PDF (256 KB) Sanyo | Pobierz z Elenota.pl

LA1837 datasheet(7/9 Pages) SANYO | Single-Chip Home Stereo IC with ...

AM STEREO

Wash Bottle, Low-Density Polyethylene, 500ml

LA1837M SANYO Am/fm Tuner IC Sop-30 La1837 SMD UK Stock for sale online ...

ONKYO T-405X: BLUESS Laboratory

Envío gratuito LA1837 LA1837|freeshipping| - AliExpress

Sony STR-DE135 tuner/versterker ontvangt geen FM-stereo meer - Forum ...

Микросхема LA1837 (SDIP-30-400) — Купить Недорого на Bigl.ua (1770088153)

ONKYO T-405X: BLUESS Laboratory

Схема включения la1837

Głowica radiowa na LA1837 i LC72131 z KENWOOD-a - 7731037927 ...

1pcs Kst-mv011ma Lc72131 La1837 Radio Fm Tuner - Shell&body Parts ...

LA1837 Datasheet PDF (256 KB) Sanyo | Pobierz z Elenota.pl

  • Вперед Подвиг геракла лернейская гидра
  • Назад Соглашение об оплате коммунальных услуг между собственниками образец

Новые страницы

602

Амараль

Английский язык учебник девятый класс

Автобус для презентации без фона

Автосервис ситроен химки

Чья фирма fusion

Договор с аккредитивом сбербанк образец

Физика перышкин 8 класс упражнение 35

Гдз 4 класс английский рабочая тетрадь биболетова

Как похудеть домашних условиях без спорта

Канадский храм в египте

Кто спортом занимается тот силы

La1837

Лечение сотрясения в домашних условиях

Море на стене

Море в зеленом цвете

Неисправности faw

Почему течет радиатор печки

Пульт dvd pioneer на андроид usb

Решебник по математике рабочая тетрадь 3

Русский язык 3 упр 171

Схема циркуляции охлаждающей жидкости нива шевроле

Схема спектрометра

Спортивные забавы для детей

Спутниковая карта волгоградской области в реальном времени

Вес рендж ровер спорт

War tales интерактивная карта

Яндекс аптека заказать лекарство на дом

Завидово брежнев дача карта

Здоровеет спряжение

cdn.zecar.ru