Skip to content

Фотогалерея

  • Главная
  • Контакты

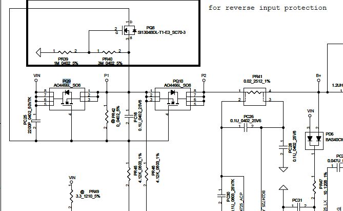
La 7912p rev 1.0 схема

LA-7912P Rev 1.0 | PDF | Classified Information

Schematic LA-7912P + Sub-boards – Compal LA-7912P schematic complete ...

La 7912p Rev 1 0 .mobi Full Book Download Rar

La 7912p Rev 1 0 .mobi Full Book Download Rar

la 7912p rev 1 0 pdf download

Acer Aspire V3-531 LA-7912P (Q5WV1) REV 0.2 BoardView File

Acer Aspire E1-531_571 LA-7912P Rev 0.4 schematic Diagram

LA-7912P BOARDVIEW - HISAH TECH LIMITED

ᐅ Скачать Aspire-v3-531(571)-(compal la-7912p rev.03)

Материнская плата Q5WVH, LA-7912P REV: 1.0, LA-791

Материнская плата la-7912p rev 1.0 купить в Выборге | Электроника | Авито

Материнская плата la-7912p rev 1.0 купить в Выборге | Электроника | Авито

Материнская Плата La 7912p Rev 1.0 – Telegraph

Материнская Плата La 7912p Rev 1.0 – Telegraph

Placa Mãe Compal LA-7912P Q5WV1 Rev: 1.0 HM77 - OFicina do Pc ...

Материнка Q5WVH LA-7912P Rev 1.0 | Festima.Ru – частные объявления

Материнская плата LA-7912P rev 2.0 купить в Саратове | Электроника | Авито

La-7912p rev 2.0 Материнская плата для ноутбука купить в Курске ...

Q5WV1 LA-7912P rev 2.0 материнская плата ноутбука Acer б/у с разбора ...

Acer E1-571 / placa Q5WVH LA-7912P Rev 1.0/Não liga / Totalmente morta ...

Материнская плата LA 7912P Rev 2.0 | Festima.Ru – частные объявления

Материнская плата la-7912p rev 2.0 | Festima.Ru – частные объявления

[SZUKAM INNE] Płyta LA-7912P Rev.2.0 problem z przeniesieniem S/N ...

[SZUKAM INNE] Płyta LA-7912P Rev.2.0 problem z przeniesieniem S/N ...

Gateway NE56R - mb Q5WVH LA-7912P REV.1 - não liga - Casos resolvidos ...

Płyta główna Acer E1-571 LA-7912P Rev.1.0 - 13849923513 - oficjalne ...

Материнская плата q5wvh LA-7912P rev. 1.0 купить в Екатеринбурге ...

Vareza - Q5WVH LA-7912P Rev 1.0 Mainboard mit Prozessor SR07V und 4GB ...

Vareza - Q5WVH LA-7912P Rev 1.0 Mainboard mit Prozessor SR07V und 4GB ...

@ORIGINAL PACKARD BELL ANAKART TE11-HR ANAKART Q5WV1 LA-7912P REV 2.0

NotGateway NE56R06B, Placa:Q5WVH LA-7912P Rev:1.0,Conflito carregador e ...

MB Q5WV1 LA-7912P REV:2.0 | Festima.Ru - Мониторинг объявлений

Материнская плата LA-7912P rev 2.0 | Festima.Ru - Мониторинг объявлений

Acer V3-571 MB:Q5WVH LA-7912P REV:1.0 po zalaniu • Forum ELVIKOM

Acer Aspire E1-571-6458 - Q5WVH LA-7912P REV:1.0 - Liga e Desliga ...

  • Вперед Карта локации лес
  • Назад Областной драматический театр

Новые страницы

Алгебра 1095

Английский язык 6 класс баранова михеева

Диод кд106а

Ems2204 подключение на столе

Гдз по англ 7 кл афанасьева михеева

Геометрия задачи на готовых чертежах

Готовые домашние задания по математике 2 класс учебник дорофеев 2 часть

Лаки парк

Лечение пародонтита в домашних условиях

Макао пляжи

Математике 6 класс мерзляк номер 1162

Место отдельного человека в жизни общества проект по обществознанию

Мой спорт вход в личный

Образец налоговой декларации для ип усн

Опель череповец

Описание графической схемы

Подтверждение основного вида экономической деятельности образец заполнения

Приора стреляет в глушитель при сбросе газа

Реестр поставщиков образец

Ремонт ресивера yamaha в москве

Русский язык 4 класс часть 2 моро

Схема аэропорта курумоч самара

Сиэтл сша об этом городе

Спортивный зал борьба

Стас крючков эхо москвы биография

Тренировочная работа по математике 14 февраля 2024

Творческий проект по технологии 7 класс скворечник для мальчиков из дерева

Вакаме водоросли

Виды оформления схемы

Запрос информации образец

cdn.zecar.ru