Skip to content

Фотогалерея

  • Главная
  • Контакты

L7815cv datasheet

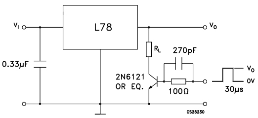
L7815CV datasheet(8/56 Pages) STMICROELECTRONICS | Positive voltage ...

L7815CV STMicroelectronics - Datasheet PDF & Technical Specs

Lm7812cv характеристики схема подключения - 84 фото

L7809CV 9V Voltage Regulator [TO-220]

L7815CV Voltage Regulator: Circuit, Pinout, and Datasheet [Video&FAQ]

St microelectronics l7815-cv-datasheet

L7815CV Voltage Regulator: Circuit, Pinout, and Datasheet [Video&FAQ]

Jual L7815 7815 L7815CV Positif Voltage Regulator Penstabil 15V LM7815 ...

7815 Voltage Regulator Pinout, Datasheet, Equivalents, 47% OFF

L7815CV datasheet(1/55 Pages) STMICROELECTRONICS | Positive voltage ...

L7815CV datasheet(2/52 Pages) STMICROELECTRONICS | Positive voltage ...

L7815CV Datasheet - Positive voltage regulator

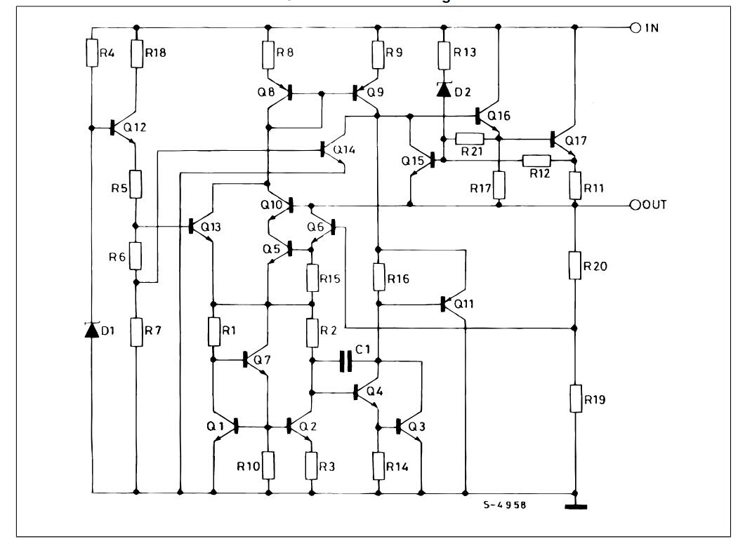
L7815CV datasheet(31/52 Pages) STMICROELECTRONICS | Positive voltage ...

L7815CV-DG datasheet(3/55 Pages) STMICROELECTRONICS | Positive voltage ...

L7815CV datasheet(1/52 Pages) STMICROELECTRONICS | Positive voltage ...

7805 стабилизатор тока схема подключения

St microelectronics l7815-cv-datasheet

L7815CV datasheet(8/52 Pages) STMICROELECTRONICS | Positive voltage ...

L7815CV datasheet(13/34 Pages) STMICROELECTRONICS | POSITIVE VOLTAGE ...

St microelectronics l7815-cv-datasheet

لیون الکترونیک | L7815CV

L7815CV Datasheet PDF - ST Microelectronics - FindIC

L7815CV Datasheet(PDF) & Specifications - ST Microelectronics - FindIC

L7815CV Voltage Regulator: Circuit, Pinout, and Datasheet [Video&FAQ]

L7815CV datasheet(22/34 Pages) STMICROELECTRONICS | POSITIVE VOLTAGE ...

L7815CV стабилизатор (2 шт.) TO-220 AN7815 схема характеристики ...

L7815CV STMicroelectronics - Datasheet PDF & Technical Specs

L7815Cv datasheet: L7815CV, Стабилизатор напряжения +15В 1.5А 4% (0 ...

L7815CV Voltage Regulator: Circuit, Pinout, and Datasheet [Video&FAQ]

L7815CV Voltage Regulator: Circuit, Pinout, and Datasheet [Video&FAQ]

L7815Cv datasheet: L7815CV, Стабилизатор напряжения +15В 1.5А 4% (0 ...

L7815CV 7915 LM7815 L7905 340-15 320-15进口拆机件三端稳压_虎窝淘

L7815CV datasheet(3/34 Pages) STMICROELECTRONICS | POSITIVE VOLTAGE ...

L7815CV STMicroelectronics - Datasheet PDF & Technical Specs

  • Вперед Речь адвоката в прениях по уголовному делу при признании вины образец
  • Назад Elm327 rus скачать

Новые страницы

8205A datasheet на русском

Acv fmt 112

Атенолол как принимать

Что такое майнинг криптовалюты простыми словами

Цилиндр сцепления в разрезе

Factorio space exploration чертежи

Фитнес хаус самара абонемент

Гдз по геометрии 8 класс номер 301

Гдз по математике 3 класс рабочая тетрадь ситникова вако

Глисты у взрослых симптомы и лечение

Кабель lvds 30 pin 1ch 8bit распиновка

Карта мира в 1945 году на русском

Контур диагностика для этп и госпорталов

Монтажник скс обязанности

Непрерывный курс математики петерсон 2 класс часть 1

Посольство ссср на кубе

Просыпайся любимая с добрым утром красивые картинки

Разболтовка мицубиси

Русский язык страница 103 1 класс

С днем никелевой свадьбы в картинках красивые

Счетчик электричества

Сканирующий зондовый микроскоп

Стихи о дружбе в коллективе

Страшный суд таро 78 дверей карта

Типы дверей по способу открывания

В электронную таблицу занесли данные

Заключение дактилоскопической экспертизы образец

Замена датчика скорости ланос

Замена колец на якоре генератора

Замена тосола

cdn.zecar.ru