Skip to content

Фотогалерея

  • Главная
  • Контакты

Конвертер схема

Конвертер схема. Кислородно конвертерная печь схема. Принципиальная схема кислородного конвертера. Схема устройства кислородного конвертора. Схема кислородно конвертерного производства стали.

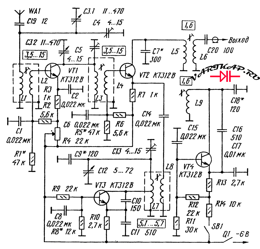
Конвертер схема. Кв конвертер для SDR приемника. Приемник диапазона 160 метров на микросхемах sa612a. Схема конвертера для SDR приемника. Схема кв конвертера с кварцем.

Конвертер схема. Кислородный конвертер схема. Схема устройства кислородного конвертора. Кислородный конвертер для производства стали схема. Кислородный конвертер схема работы.

Конвертер схема. Схема конвертора УКВ В ФМ. Схема конвертера УКВ fm на транзисторах. Схемы конвертеров УКВ В ФМ на транзисторе. ФМ конвектор для УКВ приемника.

Конвертер схема. Конвертер ДМВ В МВ. Схемы СВЧ конвертеров. Спутниковый конвертер схема. Схема питания спутникового конвертора.

Конвертер схема. К174пс1 приемник ФМ. Конвертер на к174пс1. ФМ приемник на микросхеме к 174 пс1. SSB детектор на 174пс1.

Конвертер схема. Схема устройства кислородного конвертора. Принципиальная схема кислородного конвертера. Схема кислородного конвертера с рабочим объемом 270 м3. Схема конструкции кислородного конвертера.

Конвертер схема. Бессемеровский способ выплавки стали. Бессемеровский способ получения стали схема. Кислородно конвертерная печь схема. Бессемеровский конвертер схема.

Конвертер схема. Измеритель спутникового сигнала схема. Схема конвертера спутниковой антенны. Дисек переключатель схема принципиальная. Схема питания спутникового конвертора.

Конвертер схема. Конвертер на 125 МГЦ для SDR. Кв конвертер для SDR приемника. Кв конвертер для RTL SDR. RTL SDR схема.

Конвертер схема. Спутниковый конвертер схема. Схема спутникового конвертера Триколор. Схема головки спутниковой антенны. Схема конвертера спутниковой антенны.

Конвертер схема. Схема кв приемника на лампах 6и1п. Ламповые регенеративные кв приемники на любительские диапазоны. 6ж2п преобразователь приставка к телевизору. Ламповый кв конвертер для св приемника.

Конвертер схема. Кв конвертер для SDR приемника. SDR приемник на sa612. Передатчик из SDR приемника. КСВ метр кв 1.3-30мгц.

Конвертер схема. Конвертерная печь схема. Схема устройства кислородного конвертора. Кислородно конвертерная печь схема. Схема конвертерного производства стали.

Конвертер схема. RTL SDR приемник схема. Кв конвертер для SDR приемника. Простой SDR приемник на 74hc4053. Конвертер для RTL SDR схема.

Конвертер схема

Конвертер схема. Кв. CW/SSB трансивер «Парус» rd4ag. Схемы конвертеров на радиолюбительские диапазоны. Плата приемник CW-SSB 80м. Sat конвертер схема.

Конвертер схема. Бессемеровский конвертер схема. Кислородно-конвертерный схема. Схема устройства кислородного конвертора. Конвертерное производство схема.

Конвертер схема. Кислородный конвертер схема. Схема устройства кислородного конвертора. Принципиальная схема кислородного конвертера. Схема кислородно конвертерного производства стали.

Конвертер схема. Схема конвертора УКВ В ФМ. ФМ конвектор для УКВ приемника. УКВ радиоприемник 2 метрового диапазона. УКВ приемник на микросхеме к174пс1.

Конвертер схема. Схема кислодноконвертерного производства. Схема кислородно конвертерного производства стали. Конвертерное производство схема. Схема устройства кислородного конвертора.

Конвертер схема. Ag6200 HDMI to VGA схема. DEXP конвертер HDMI VGA схема. Схема усилителя для HDMI. Схема HDMI конвертера.

Конвертер схема. Кислородно конвертерная печь схема. Кислородный конвертер схема. Схема кислородно конвертерного производства стали. Кислородно-конверторный способ получения стали.

Конвертер схема. Передатчик УКВ 66-74 МГЦ. УКВ конвертеры на 28мгц. Конвертер fm 88-108 МГЦ В УКВ 65-74 МГЦ схема. Конвертер 108мгц.

Конвертер схема. Rs232 UART преобразователь. Схема преобразователь интерфейса rs485- rs232. Rs232 rs485 схема. Адаптер USB rs485 схема.

Конвертер схема

Конвертер схема. Схема устройства кислородного конвертора. Кислородный конвертер с навесным приводом:. Кислородный конвертер 130 тон. Кислородная фурма конвертера.

Конвертер схема. Бессемеровский конвертер схема. Бессемеровский способ получения стали схема.

Конвертер схема. Схема конвертора УКВ В ФМ. ФМ конвектор для УКВ приемника. УКВ-ФМ конвертер схема. УКВ конвертер на к174пс1 с кварцем.

Конвертер схема. Схемы кв конвертеров к радиоприёмникам. Кв конвертер 3 МГЦ на транзисторах. Схема конвертера на диапазон 3.5 МГЦ на транзисторах. Конвертер на 3мгц к св приемнику.

Конвертер схема. Схема устройства кислородного конвертора. Схема кислородного конвертера с рабочим объемом 270 м3. Схема конструкции кислородного конвертера. Схема устройства кислородного конвертера.

Конвертер схема. Схема кислородно конвертерного производства стали. Кислородно конвертерная печь схема. Устройства кислородно-конвертерной печи. Кислородно-конвертерный метод выплавки стали.

Конвертер схема. Схема спутникового конвертора. Схема головки спутниковой антенны. Схема конвертера спутниковой антенны. Схема спутникового конвертера Триколор.

Конвертер схема. Схема устройства кислородного конвертера. Схема кислородного конвертера с рабочим объемом 270 м3. Кислородная фурма конвертера. Кислородно-конвертерный схема.

Конвертер схема. Схема конвертера УКВ fm. Схема УКВ конвертера на микросхеме к174пс1. УКВ приемник на микросхеме к174пс1. Конвертер ФМ на 174пс1.

Конвертер схема. Кислородно конвертерная печь схема. Кислородно конверторные печи. Кислородно - конверторный способ производства стали,. Схема кислодноконвертерного производства.

Конвертер схема. Схема устройства кислородного конвертора. Принципиальная схема кислородного конвертера. Схема кислородного конвертера с рабочим объемом 270 м3. Футеровка горелок ТГМ-84.

Конвертер схема

Конвертер схема

Конвертер схема

Конвертер схема. Принципиальная схема конвертора. Схема питания спутникового конвертора. Схема конвертера спутниковой антенны. Принципиальная Эл схема Satfinder.

Конвертер схема. Схема кислородно конвертерного производства стали. Кислородно конвертерная печь схема. Принципиальная схема кислородного конвертера. Схема кислодноконвертерного производства.

Конвертер схема. Структурная схема спутниковых конвертеров. Схема спутникового конвертора. Схема питания спутникового конвертора. Принципиальная схема конвертора связи.

Конвертер схема. Ta7358 трансивер. Ta7358 схема приемника. Та7358 схема УКВ приемника. Конвертер кв диапазона 0 1-30 МГЦ.

Конвертер схема. Антенный усилитель для SDR приемника схема. Кв конвертер для SDR приемника. Схема SDR приемника DVB-t2. Конвертер на 125 МГЦ для SDR.

Конвертер схема. Схема кислородно конвертерного производства стали. Кислородно-конвертерный схема. Кислородный конвертер для производства стали схема. Схема устройства кислородного конвертора.

Конвертер схема. УКВ-fm приемник на гт311. Схема конвертера УКВ fm на транзисторах. УКВ приёмник прямого усиления. ФМ приемник на гт311.

Конвертер схема. Ламповый ФМ конвертер схема. Схема лампового конвертора ФМ. ФМ конвертер для ламповой радиолы схема. ФМ конверторы для ламповых приемников.

Конвертер схема. УКВ-ФМ конвертер схема. Схемы приёмников УКВ диапазона. Схема радиоприемник УКВ диапазона. УКВ блоки транзисторных приемников схемы.

Конвертер схема. Конвертер Бессемера доменная печь Мартеновская печь. Бессемеровский и Мартеновский способ получения стали. Бессемеровский конвертер и Мартеновская печь.

Конвертер схема. Схема питания спутникового конвертора. Усилитель ДМВ кт309. Схема антенного усилителя для цифрового телевидения DVB-t2. ДМВ приставка для телевизора СССР схема.

Конвертер схема. SDR кв приемник схема. Конвертер для RTL SDR схема. RTL SDR приемник схема. Rtl2832u схема.

Конвертер схема. УКВ ЧМ приемник 64-108 МГЦ. УКВ-ФМ конвертер схема. Приемник УКВ диапазона 88-108 МГЦ. Схема конвертера на одном транзисторе fm в УКВ.

Конвертер схема. УКВ-fm приемник на гт311. УКВ радиоприемник на кп350. УКВ конвертор на полевом транзисторе. УКВ ЧМ супергетеродин схема.

Конвертер схема. Кислородный конвейер схема. Схема кислодноконвертерного производства. Кислородно конвертерная печь схема. Производство стали конвертерным способом схема.

Конвертер схема

Конвертер схема. Схема устройства кислородного конвертора. Кислородно конвертерный процесс схема. Устройства кислородно-конвертерной печи. Кислородно конвертерная печь схема.

Конвертер схема. Схема лампового УКВ приемника. 6ж1п УКВ приемник. Передатчик УКВ на 6ж1п. Ламповый приемник на 28 МГЦ.

Конвертер схема. Повышающий понижающий преобразователь схема. Повышающе-понижающий преобразователь напряжения схема. Понижающий преобразователь напряжения своими руками. Понижающий импульсный преобразователь.

Конвертер схема. УКВ-ФМ конвертер схема. Схема конвертера УКВ fm. ФМ конвектор для УКВ приемника. Схема УКВ 88-108мгц приемника на микросхемах.

Конвертер схема. Преобразователь USB-rs485 схема. Rs232 rs485 переходник схема. Преобразователь интерфейсов USB/RS-485 С принципиальной схемой. Rs485 USB переходник схема.

Конвертер схема. Принципиальная схема конвертора. Спутниковый конвертер схема. Схема спутникового конвертора. Схема принципиальная спутниковой головки.

Конвертер схема. УКВ конвертеры на 28мгц. Схемы конвертеров кв диапазона. Антенный усилитель на кп327а. Схемы кв конвертеров на транзисторах.

Конвертер схема. Схема преобразователь интерфейса rs485- rs232. Rs232 rs485 схема. Преобразователь USB-rs485 схема. Rs232 rs485 конвертер схема.

Конвертер схема. Схема радиоприёмника св диапазона. Конвектор УКВ ФМ 88-108. Схемы кв конвертеров на св-приемник. Схема конвертера УКВ fm.

Конвертер схема. Схема конвертера УКВ fm на к174пс1. Конвертер на микросхеме к174пс1. УКВ приемник на микросхеме к174пс1. ФМ конвектор для УКВ приемника.

Конвертер схема. Схема конвертора напряжения. Двухтактный инвертор напряжения схема. Преобразователь с умножителем напряжения схема. Трансформаторные преобразователи напряжения.

Конвертер схема. Схема устройства кислородного конвертора. Схема устройства кислородного конвертера. Схема конструкции кислородного конвертера. Кислородно-конвертерный схема.

Конвертер схема. Принципиальная схема кислородного конвертера. Строение кислородного конвертора. Футеровка кислородного конвертера. Конвертерная плавка стали.

Конвертер схема. 2108a преобразователь схема. 3h-fi301a1 схема конвертера. Analogo zifrovoy preobrazavatel sxema.

Конвертер схема. Кв конвертер для SDR приемника. Конвертер на 125 МГЦ для SDR. RTL SDR приемник схема. Кв конвертер для RTL SDR.

Конвертер схема. Схема устройства кислородного конвертора. Кислородно конвертерная печь схема. Кислородный конвертер для производства стали схема. Конверторная печь для плавки металла схема.

Конвертер схема. RTL SDR приемник rtl2832 r820t схема. Широкополосный приемник rtl2832u fc0012 SDR. RTL SDR приемник схема. Кв конвертер для SDR приемника.

Конвертер схема. Схема конвертера для SDR приемника. Конвертер на 125 МГЦ для SDR. Кв конвертер для RTL SDR. Кв конвертер для SDR приемника.

Конвертер схема. Схема конвертора УКВ для автомагнитолы. Схема конвертера УКВ fm. Ta7358apg схема приемника. УКВ конвертер на ta7358 схема.

Конвертер схема. Радиоприемник на транзисторах п402. Схемы конвертеров кв диапазона. Схемы конвертеров на радиолюбительские диапазоны. Схема конвертора для приема любительских диапазонов.

Конвертер схема. Кислородный конвертер для производства стали схема. Устройство печи для стали кислородно конверторным способом. Схема кислородно конвертерного производства стали. Общая схема кислородно-конвертерного процесса.

Конвертер схема. Схемы ламповых конвертеров конвертеров. Схема питания спутникового конвертора. Конвертор на принципиальной. Схема конвертера на 70см диапазон.

  • Вперед Схемы электрические принципиальные условные
  • Назад Как долить масло в коробку гранта

Новые страницы

Ap3608em g1 схема включения

Бандероль прилагательное

Биология драгомилов 8 класс практическая работа

Блок компьютерных розеток

Чип 7851

Демонтаж деревянных стен

Гдз по алгебре 7 класс макарычев номер 465

Изо 1 класс презентация поэтапное рисование 1 урок

Как лечить аллергию

Как оживить лямбда зонд

Как проверить акб нагрузочной вилкой

Карта социально психологического сопровождения несовершеннолетнего образец

Картинки арбуза для детей цветные

Конвертер схема

Крыши на

Куда укол в ягодицу схема

Маршрутная карта платон разовая поездка оформление

Не высвечивается значок блютуз на айфоне

Нет искры с катушки ваз 2106

Объемные животные из бумаги схемы

Обработка металлов давлением

Образец шаблон 8 букв сканворд

Перо бесконечность тату эскиз

План земельного участка образец

Распиновка разъема киа спектра

Rollquick 210 как крепить к стене

Схема метро в киеве на русском языке

Тачки 3 мультфильм 2017

Труба канализационная оранжевая

Учебник английского языка 7 класс ваулина читать

cdn.zecar.ru