Skip to content

Фотогалерея

  • Главная
  • Контакты

Как ограничить ток

Повышающий преобразователь на MT3608, как ограничить ток, схема и ...

OB3363 как ограничить ток подсветки | Секреты телемастера

AP3064AM как ограничить ток подсветки | Секреты телемастера

CV338H-U42 как ограничить ток подсветки на тв DEXP H39D8000Q - YouTube

Как ограничить ток на блоке питания - YouTube

Ток нагрузки

Как ограничить ток в электрической цепи: методы и принципы

BD9488F как ограничить ток подсветки | Секреты телемастера

Изображение

MSD3663-T5C1 как ограничить ток подсветки | Секреты телемастера

OCP8121 как ограничить ток подсветки | Секреты телемастера

GB98AERN как ограничить ток подсветки | Секреты телемастера

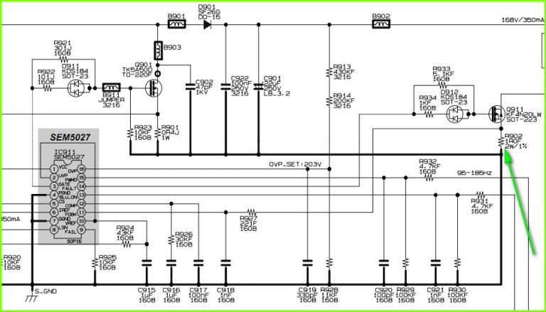
SEM5027 как ограничить ток подсветки | Секреты телемастера

Как измерить переменный ток мультиметром (амперметром), рассчитанного ...

Как ограничить ток заряда аккумулятора

Напряжение обозначение: Стабилитрон: принцип работы, маркировка ...

OCP8121 как ограничить ток подсветки | Секреты телемастера

MP4012 как ограничить ток подсветки | Секреты телемастера

HAI7203HA как ограничить ток подсветки | Секреты телемастера

TV3902-ZC02-01 как ограничить ток подсветки | Секреты телемастера

Как ограничить ток в цепи постоянного тока схема

CV512H-U42 как понизить ток подсветки | Секреты телемастера

MP3388 как ограничить ток подсветки | Секреты телемастера

DT1641AS как ограничить ток подсветки | Секреты телемастера

MP3398A как ограничить ток подсветки | Секреты телемастера

MP3398A как ограничить ток подсветки | Секреты телемастера

OB3363 как ограничить ток подсветки | Секреты телемастера

Как переделать постоянный ток в переменный

MSD3663-T5C1 как ограничить ток подсветки | Секреты телемастера

MP3394S как ограничить ток подсветки | Секреты телемастера

MP3394S как ограничить ток подсветки | Секреты телемастера

Схема зарядки конденсатора

НАГРУЗКА ТРАНСФОРМАТОРОВ ТОКА

OB3363 как ограничить ток подсветки | Секреты телемастера

BD9488F как ограничить ток подсветки | Секреты телемастера

  • Вперед Иж планета спорт 350
  • Назад Карта осадков онлайн могилев в реальном

Новые страницы

Автомобильные шины nexen отзывы

Что такое зеркальное и диффузное отражение

Цветы букашник посадка и уход фото

Даю согласие на обработку персональных данных образец

Докладная записка образец на ученика за плохое поведение

Дорогой спортивный костюм мужской

Форма заявления в прокуратуру образец скачать бесплатно

Гдз по математике страница 76 номер 311

Горгаз высокая гора телефон

Храм святой софии в константинополе схема

История 10 класс учебник гдз

Кафе для молодежи

Как ограничить ток

Как правильно прокачать тормоза на ниве 21214

Круглые и кольчатые черви примеры

Лада гранта нефтекамск

Натяжение цепи москвич 412

Неисправности датчика коленвала ваз 2112

Незамерзайка это гсм или нет

Объясните руководствуясь этой схемой формирование мощного панциря у предков современной черепахи

Отдых на должанке

Посольство рф в варшаве

Рыбинск брейтово метеор

Спирт производство

Свадебное платье на прокат спб

Толстовка с капюшоном спортмастер

Тренировки видео уроки

Установка запорной арматуры

Выберите пропущенное слово географическая карта является примером модели

Жалоба в фас 223 фз образец

cdn.zecar.ru