Skip to content

Фотогалерея

  • Главная
  • Контакты

К155ре3

К155РЕ3 Микросхема | Цена, купить, описание, характеристики, справочник ...

К155РЕ3 Микросхема | Цена, купить, описание, характеристики, справочник ...

Прошивка микросхемы К155РЕ3

Функциональная схема К155РЕ3

Программатор для микросхем К155РЕ3

Микросхема К155РЕ3 (109814066) - купити Violity

Зарубежный аналог к155ре3 фото - PwCalc.ru

Программатор для к155ре3

Микросхемы К155ли1, К155ре3 | Festima.Ru - Мониторинг объявлений

2.12. Программатор для микросхем к155ре3

Зарубежный аналог к155ре3 фото - PwCalc.ru

Самодельный программатор ППЗУ для К155РЕ3, К556РТ4 и других микросхем ...

ИНДИКАТОР POST-КОДОВ

Зарубежный аналог к155ре3 фото - PwCalc.ru

Программатор для микросхем К155РЕ3

Программатор для к155ре3

Электронная гирлянда на транзисторах и микросхеме К155ЛА3

Зарубежный аналог к155ре3 фото - PwCalc.ru

Цифровые микросхемы К155РЕ3 » S-Led.Ru - Светодиоды и электронные схемы

Микросхемы - РетроРадиоДеталь

Запоминающие устройства

Пробник для микросхем КР556РТ4, К155РЕ3

Плата индикации

Паятель.Ру - Все электронные схемы » Страница 2

Схема ёлочной гирлянды - ElectricX.ru

Радио-детали СССР даром[РЕЗЕРВ] | Пикабу

Контент XP1 - Форум по радиоэлектронике

Радиодетали Советские и другие: 100 000 сум - Аксессуары и ...

Радиодетали Советские и другие: 100 000 сум - Аксессуары и ...

Радиодетали Советские и другие: 100 000 сум - Аксессуары и ...

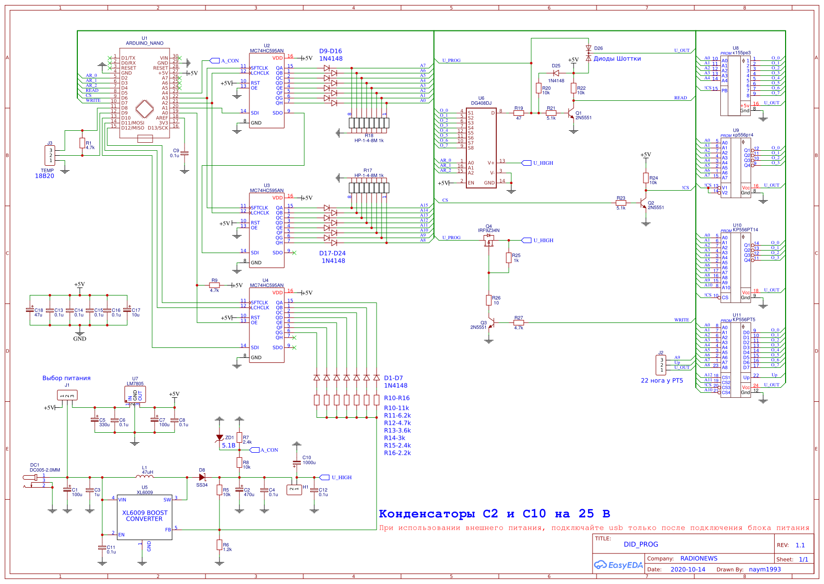
Дидuino - EasyEDA open source hardware lab

К155РЕ3

Радио-детали СССР даром[РЕЗЕРВ] | Пикабу

Одноплатник на 155-й серии / Хабр

Радио-детали СССР даром[РЕЗЕРВ] | Пикабу

  • Вперед Санаторий в белоруссии сосны
  • Назад Пошив футболки

Новые страницы

2С175а

Акт выполненных работ оказанных услуг образец для ип без ндс скачать

Алгебра номер 331

Дастархан беседка своими руками

Добрый вечер гифки мужчине картинки красивые

Эвакуатор город лобня

Форма работы тренинг

Футорка с 1 2 на 3 4

Гдз по математике 4 класс минаева рослова 2 часть учебник

К155ре3

Какой зазор на иридиевых свечах зажигания

Маршрут 2 чита маршрутка схема проезда

Мастер по установке стиральной машины в москве

Мосты оренбурга

Ограничитель тока на lm317 схема

Остров калан в тайланде

Отель империал на красной поляне

Портфолио абитуриента образец скачать

Проект на тему пословицы и поговорки 6 класс по литературе

Проект по английскому языку 6 класс на тему моя любимая одежда с переводом

Прокат колясок санкт петербург

С днем рождения андрей викторович прикольные картинки

Санкт петербург ксения петербургская

Схема электрооборудования уаз 3151

Схемы атомов 3 периода

Спортсмен должен быть уведомлен о допинге

Вино япония

Залив квартиры экспертиза оценка

Запчасти на хендай солярис в жулебино

Заявление на замену ву образец

cdn.zecar.ru