Skip to content

Фотогалерея

  • Главная
  • Контакты

Инструкция renault duster

Renault Duster: инструкция по эксплуатации автомобиля

Инструкция Renault Duster (2017) (264 страницы)

Книга по ремонту Renault Duster - купить автокнигу «Инструкция RENAULT ...

Renault DUSTER Инструкция к аудиосистеме Radio Classic онлайн [4/34] 210026

Renault DUSTER Инструкция к аудиосистеме Radio Classic онлайн

2016 Renault Duster Инструкция по эксплуатации (in Russian) PDF ...

#3. Инструкция по эксплуатации(ремонту). — Renault Duster (1G), 1,6 л ...

Инструкция по ремонту и эксплуатации Renault Duster (4x2 и 4x4), PDF ...

2015 Renault Duster Инструкция по эксплуатации (in Russian) PDF ...

Немного алмазной крошки в ChokoladKU)) Инструкция прилагается=Ъ ...

(PDF) Инструкция по монтажу парктроника на Renault Duster - DOKUMEN.TIPS

Инструкция Renault Duster 2021 от Major Auto - YouTube

(PDF) Инструкция по монтажу разъема фаркопа на Renault Duster - DOKUMEN ...

Инструкция круиз контроль Drivenge Red-01M (ревизия 1.05) — Renault ...

Индикаторы на панели приборов Renault Duster обозначения ремонт инструкция

Немного алмазной крошки в ChokoladKU)) Инструкция прилагается=Ъ ...

Инструкция круиз контроль Drivenge Red-01M (ревизия 1.05) — Renault ...

Renault Duster Инструкция По Эксплуатации - prestamos personales ...

Duster инструкция

Руководство по эксплуатации Renault Duster (Рено Дастер) с 2010 года ...

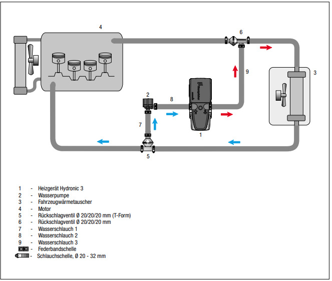
Инструкция по установке Гидроника на 1.3 Tce — Renault Duster (2G), 1,3 ...

Dacia Duster, Artık Renault Duster Olarak Satılacak - Webtekno

Пересвет кнопок ЭСП Duster [Инструкция] — Renault Logan (1G), 1,6 л ...

Инструкция по ремонту Renault Duster модели с 2009 года выпуска, купить

Пересвет кнопок ЭСП Duster [Инструкция] — Renault Logan (1G), 1,6 л ...

Немного алмазной крошки в ChokoladKU)) Инструкция прилагается=Ъ ...

Торпедо от Renault Duster в Логан (Подробная инструкция) — Renault ...

Как самостоятельно заменить масляный фильтр на Renault Duster

Фаркопы на Renault Duster: виды, видео инструкция по установке

Руководство по ремонту в фотографиях Renault Duster c 2015, купить

Торпедо от Renault Duster в Логан (Подробная инструкция) — Renault ...

Пересвет кнопок ЭСП Duster [Инструкция] — Renault Logan (1G), 1,6 л ...

Suzuki grand vitara 2011 инструкция – Telegraph

Драйвера и инструкция для Коврик в багажник с защитой бампера Element ...

Инструкция Renault Duster (2017) (264 страницы)

  • Вперед Акт приема передачи мкд образец
  • Назад Лебарон куда

Новые страницы

Акт об алкогольном опьянении на рабочем месте образец

Дождеприемник пластиковый 300х300х300

F 200

Гдз по математике 6 класс мерзляк номер 504

Гранта длина кузова

Инструкции по эксплуатации автомагнитолы erisson

Инструкция renault duster

Интервальное голодание для похудения схема для женщин

Как перебрать карбюратор ваз 2109

Какой врач смотрит геморрой

Картинка знак супер

Кухонная вытяжка установка

Lan iec 320 c20

Масло во впускном коллекторе турбодизель

Моники консультативно диагностический отдел

Опись документов в личном деле работника образец

Письмо об отправке трудовой книжки по почте образец

Письмо обращение с просьбой о помощи образец

Подарок мужчине спортсмену

Порода сорт или штамм это

Распиновка гирлянды с 5 проводами

Схема сложноподчиненного предложения 9 класс

Схема станции метро проспект славы

Шиллер разбойники краткое

Стреляет в воздушный фильтр не заводится

Труба водопроводная металлопластиковая

Ювента спорт москва лыжный магазин

Замена передней стойки

Замена помпы хендай солярис

Заполните таблицу строение и функции отделов уха 8 класс биология

cdn.zecar.ru