Skip to content

Фотогалерея

  • Главная
  • Контакты

Hc4053

HC4053 Original supply, US $ 1.00-1.20 , Logic ICs, [Motorola] Motorola ...

HC4053 Datasheet - Analog Multiplexer / Demultiplexer - NXP

::.HC4053 74HC4053 TSSOP-16 chính hãng NXP.::

HC4053 - Analog Multiplexer / Demultiplexer - NXP - DataSheetGo.com

BTICINO AXOLUTE HC4053 DEVIATORE 1P 16AX 250 Vac | eBay

HC4053 PDF文件_HC4053供应商_PDF文件在线浏览页面【1/8】-天天IC网

HC4053 datasheet(1/8 Pages) SLS | Analog Multiplexer/Demultiplexer

HC4053 Original supply, US $ 1.00-1.20 , Logic ICs, [Motorola] Motorola ...

5 pcs New 74HC4053PW 74HC4053 HC4053 SSOP-16 ic chip | eBay

Công tắc Axolute đơn 2 chiều 16A 1M màu xám HC4053

HC4053 datasheet(2/8 Pages) SLS | Analog Multiplexer/Demultiplexer

HC4053 datasheet(3/8 Pages) SLS | Analog Multiplexer/Demultiplexer

HC4053 datasheet(4/8 Pages) SLS | Analog Multiplexer/Demultiplexer

HC4053 PDF文件_HC4053 PDF文件在线浏览页面【3/8】-天天IC网

74HC4053 - HC4053 - SOİC16 - Triple 2-channel analog multiplexer ...

10pcs/lot 74HC4053 74HC4053D SN74HC4053DR HC4053 SOP 16 2 Channel ...

HC4053 74HC4053A HC4053A IC số hãng On TSSOP-16

CONMUTADOR LUMINOSO BASCULANTE 1 POLO 16A 2 MODULOS AXOLUTE CLARO ...

HC4053 spice modelを使って、DBMの働きをする事を確認

Linh kiện Chuyên Dụng IC dồn kênh HJ4053 HC4053 4053 74HC4053PWR TSSOP

Ic chức năng HC4053 74HC4053 TSSOP-16 chính hãng NXP linhkienhec ...

74HC4053 74HC4053D HC4053|74HC4053 74HC4053D HC4053| - AliExpress

BTicino HC4053 Axolute - deviatore basculante | Elettroclick

全新原装 74HC123PW HC4051 HC4051 HC4052 HC4053贴片 TSSOP16_虎窝淘

HC4053 74HC4053A HC4053A IC số hãng On TSSOP-16

Bosch 1 in. x 31 in. x 36 in. Spline Speed-X Carbide Rotary Hammer Bit ...

MC74HC4053 Motorola Multiplexer/Demultiplexer Datasheet

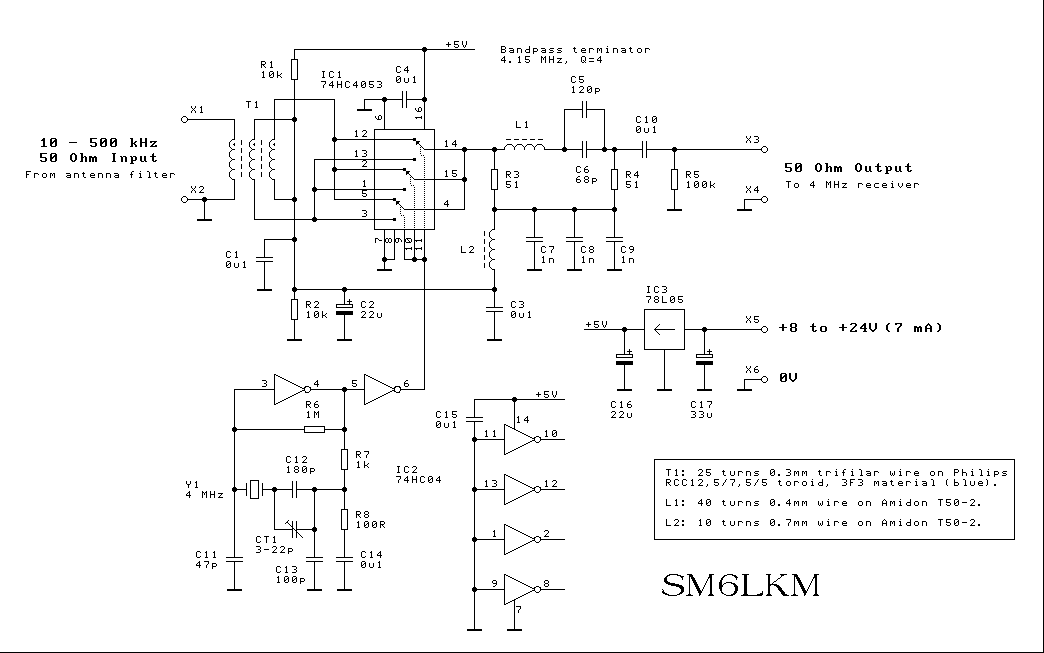
Simple HCMOS LF upconverter

25Pcs 74HC4053PW 74HC4053 HC4053|25Pcs 74HC4053PW 74HC4053 HC4053 ...

Brand 74 hc4053 74 hc4053d patch SOP 16 original installation import ...

Interrupteur va et vient à bascule 16A alu 2 modules connexion auto ...

74 hc4053n 74 hc4053 DIP16 import manufacturers|manufacturing washers ...

Store Home Products Sale Items Top Selling Feedback

Simple 28MHz WSPR (or PSK31) RX • AmateurRadio.com

100-Original-IC-Chips-74HC123PW-HC4051-HC4051-HC4052-HC4053-TSSOP16 ...

  • Вперед Картинки раскраски богатыри земли русской
  • Назад Программа тренировок после

Новые страницы

Алексей горшенев

Догнать какое спряжение глагола

Эквадор флаг и герб

Фитнес мания фрунзенская

Фотодом ру

Гдз по алгебре 7 класс макарычев 856

Гдз по математике 3 класс стр 77 упр 9

Гдз по русскому 6 разумовская 1

Гир 3 спорт

Hb body 950 инструкция

Игру ufc ea sport

Интервальное голодание схемы и меню

Как вскрыть капот форд фокус

Картинки ссср на телефон на заставку для телефона

Kawai или yamaha

Крахмальный клейстер йод

Масло в коробку пежо 308 автомат

Математика автор виленкин 5 класс

Минимальный допуск тормозных дисков

Образец 3ндфл при продаже автомобиля

Продвижение яндекс услуги

Ral 6029

Разрешение на экспорт

Семь морей

Схема включения бп компьютера

Шмелевский парк

Спортивная школа 7 волгоград

Транзистор дарлингтона схема

Удаление тату в самаре лазером

В чем ходить на фитнес

cdn.zecar.ru