Skip to content

Фотогалерея

  • Главная
  • Контакты

H30r1602

H30R1602 datasheet(11/12 Pages) INFINEON | TrenchStop Reverse ...

H30R1602 30A 1600V-in AC/DC Adapters from Consumer Electronics on ...

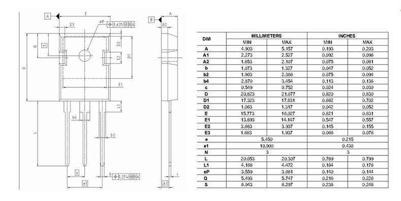
H30R1602 IHW30N160R2 IGBT 30A 1600V TO-247

H30R1602 IGBT TO247 30A 1600V

H40PR5 40A1350V代替 H40R1353 H30R1602大功率电磁炉IGBT拆机_虎窝淘

H30R1602 IHW30N160R2 TO-247 60A 1600V IGBT Transistor Induktion Herd ...

10PCS H30R1602 IHW30N160R2 IGBT 1600V 30A 1.8V 300W TO247 transistor ...

1pcs H30R1602 IGBT TO247 เตาแม่เหล็กไฟฟ้า | Shopee Thailand

H30R1602,Sò bếp từ H30R1602 IGBT 30A 1600V TO-247 tháo máy zin

10 unids/lote H30R1602 IHW30N160R2 30R1602 TO 3P nuevo original en ...

Транзистор (H30R1602) для 3,5 кВт и 5 кВт

H30R1602 INFINEON Discrete Semiconductors - Jotrin Electronics

5Pcs H30R1602 TO-247 IHW30N160R2 1600V 30A หม้อหุงข้าว Power,ถ้าคุณไม่ ...

H30R1602 IGBT 30A 1600V (Tháo máy) - Linh Kiện

H20R1203 H25R1202 FGA25N120 H30R1602大功率三极管电磁炉IGBT管-阿里巴巴

H30R1602 IGBT 30A 1600V Tháo Máy (mặt gương)

H30R1602 IGBT 30A 1600V tháo máy - [ LinhKienThanhCong.Vn ]

H30R1602 IGBT 30A 1600V (Tháo máy) - Linh Kiện

1pcs NEW IGBT H30R1602 30R1602 for Induction cooker repair 30A 1600V | eBay

Infineon IHW30N160R2FKSA1 IGBT, 60 A 1600 V, 3-Pin TO-247, Through Hole ...

H30r1602 New 100% Smart Module Usb Light Home Board Control - AliExpress

H30R1602,Sò bếp từ H30R1602 IGBT 30A 1600V TO-247 tháo máy zin

IGBT10 IGBT H30R1602 IHW30N160R2 30A 1600V TO-247 tháo máy

5Pcs-New-H20R1202-H20R1203-H20R1353-H30R1602-H15R1203-H30R1202-H30R1203 ...

5pcs H20R1203 IHW20N120R3 IGBT TO 247 H20R1202 H30R1603 H15R1203 ...

Mosfet IGBT H30R1602 เฟส IGBT 1600V-30A ของใหม่ มีของพร้อมส่ง🚚🇹🇭 ...

一站採購~全新原裝 H30R1602大功率三極管電磁爐功率管IGBT 30A16 | 露天市集 | 全台最大的網路購物市集

H30R1602 IHW30N160R2 IGBT 30A 1600V Tháo Máy (mặt gương)

IGBT H30R1602 30A 1600V Zin tháo máy - linh kiện điện tử tphcm giá rẻ

IGBT bếp từ H30R1602 (30A-1600V) bóc máy chất lượng tốt | Shopee Việt Nam

5-10pcs-100-Nova-H30R1602-30R1602-30A-1600V-TO-3P.png

H30R1602 1600V 30A INFINEON TRANSISTOR IGBT ทรานซิสเตอร์ | Shopee Thailand

全新原装正品H30R1602电磁炉常用IGBT功率管三极管配件30A 1600V_虎窝淘

2 PCS H30R1602 TO-247 30R1602 IGBT 1600V 30A Transistor | eBay

H30R1602 IGBT 30A 1600V (Tháo máy) - Linh Kiện

  • Вперед Антонио гауди
  • Назад Проучил воровку спортсмен

Новые страницы

Алгебра 8 класс гдз номер 878

Баллон пропановый 50 л новый пустой

Буква у гласная или согласная

Дворец спорта мегаспорт как добраться

Габариты багажника ваз 2112

Гдз enjoy english 6

Гдз по алгебре 9 класс мерзляк номер 644

Глаукома глаз лечение

Какие компоненты входят в состав биогеоценоза

Канноли рецепт

Лексус ls500

Математика 6 класс мерзляк номер 562

Мд 33

Образец обращения к главе администрации

Обществознание 8 класс учебник боголюбова читать

Перевозки по рф недорого

Поздравления с днем рождения артему прикольные в картинках

Растут ли мышцы после тренировок

Ремонт телефонов великие луки

Схема человека паука амигуруми

Скачать драйвер elm327

Смотреть тело дженнифер

Структурная схема жк телевизора и принцип работы

Тренировка с резинками для похудения

Виды летних игр спорта

Видом спорта также спортивные

Vivaro sports tv

Возвратные причастия и невозвратные

Заявление о предоставлении рассрочки по уплате налога образец

Звонок на схеме электрической цепи

cdn.zecar.ru