Skip to content

Фотогалерея

  • Главная
  • Контакты

Fan7382

FAN7382 Gate Driver For MOSFET IGBT, 600V High Side x2 | eBay

5pcs/lot Fan7382 Gate Driver For Mosfet Igbt, 600v High Side ...

5pcs/lot FAN7382 Gate Driver For MOSFET IGBT, 600V High Side In Stock ...

FAN7382 datasheet(3/15 Pages) FAIRCHILD | Half-Bridge Gate Driver

FAN7382 Original supply, US $ 0.4-3.2 , [Fairchild] Fairchild ...

10Pcs FAN7382 DIP8 FAN7382N-in Contactors from Home Improvement on ...

FAN7382 CIRCUITO INTEGRADO DRIVE DIODO MCA FAIRCHILD – Twister-Tech

FAN7382 datasheet(3/16 Pages) ONSEMI | High- and Low-Side Gate Driver

50PCS/LOT NEW 7382 FAN7382 FAN7382MX SOP 8 LCD power IC-in Integrated ...

5pcs FAN7382N FAN7382 INTEGRATED CIRCUIT DIP-8 FAN7382N FAN7382 DIP-8 ...

FAN7382 DIP 8-in Integrated Circuits from Electronic Components ...

10pcs FAN7382MX FAN7382 7382 SOP-8 | eBay

FAN7382 datasheet(1/15 Pages) FAIRCHILD | Half-Bridge Gate Driver

10PCS FAN7382N FAN7382 original In Stock-in Relays from Home ...

7382 FAN7382 4256BWP ST4256BWP FAN7314 FAN7340 OZ9906GN LD6143 G547E2 ...

Toyota MR2 SW20 Works Bell Hub Cruise Control Stalk Bracket/Adapter by ...

FAN7382 datasheet(2/15 Pages) FAIRCHILD | Half-Bridge Gate Driver

1pcs/lot 7382 FAN7382 SOP 8 In Stock-in Integrated Circuits from ...

EG2106替代IR2106、IR2101、FAN7382、IRS2005、NCP5106,600V0.3A半桥驱动芯片 - 掘金

Микросхема FAN7382: продажа, цена в Львове. микросхемы от "Микросхемы ...

10 PCS FAN7382MX SOP-8 FAN7382 7382 High- and Low-Side Half-Bridge Gate ...

5pcs/lot FAN7382 LCD power management chip DIP 8-in Integrated Circuits ...

10 x 7382 FAN7382MX FAN7382 SOP-8 Half-Bridge Gate Driver | eBay

FAN7382N

EG2106替代IR2106、IR2101、FAN7382、IRS2005、NCP5106 - 哔哩哔哩

10pcs/lot FAN7382 chip 8 pin DIP IC Manifold new original-in Integrated ...

FAN7382 | Все для ремонта электроники

5pcs FAN7382MX FAN7382 7382 SOP 8| | - AliExpress

Fan7382mx Fan7382 7382 Ic Driver Gate Half Bridge 8soic - Buy Fan7382mx ...

FAN7382

海信TLM32E58液晶电视背光驱动电路黑屏保护故障维修 - 家电维修资料网

Inverter Mosfet Driving with Isolated Totempole Supply - Electrical ...

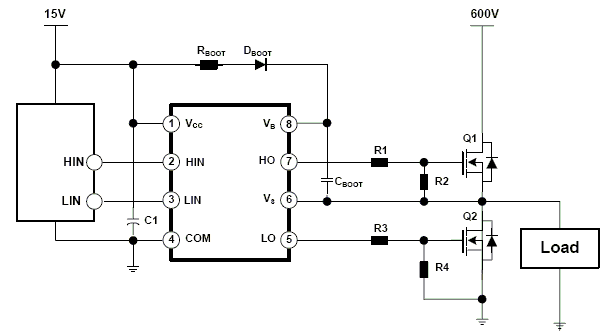
FAN7382 High- and Low-Side Gate Driver - Micros

海信TLM32E58液晶电视背光驱动电路黑屏保护故障维修 - 家电维修资料网

EG2104兼容IR2104,600V2A半桥驱动芯片 - 知乎

  • Вперед Благодарственное письмо повару за хорошую работу образец
  • Назад Образец титульного листа презентации школьника

Новые страницы

Ахмат тауэр проект

Алена дэнс песня

Алгебра 7 класс страница 66 номер 288

Алгебра 859 7 класс

Алгебра ю н макарычев

Гдз по физике лукашик 7 9 класс учебник перышкин

Гдз по русскому виленкин пятый класс вторая часть

Как правильно написать заявление в прокуратуру образец жалобы

Калинина гдз 7 класс

Карта локации коготь в игре клондайк

Маршрутки ставрополя схема

Мультик лоло и пепе

Музей батайска

Нарисовать схему участка цепи

Нельсон канада

Объявление на уборку территории образец

Официальное благодарственное письмо образец

Октябрьский башкортостан фитнес

Онлайн карта краснодарского края со спутника в реальном времени

Пао тинькофф банк

Петрозаводск мост

Предохранители в ниве

Пушкинский музей скульптуры

Расчетные операции это

Ремонт бензовозов

Ресторан на старом месте

Русский язык страница 99 упражнение 202 четвертый класс вторая часть

Шарджа эмират оаэ

Жк онли москва

Знаменитости и спорт 7 класс презентация

cdn.zecar.ru