Skip to content

Фотогалерея

  • Главная
  • Контакты

Erisson 21uf20 схема

ERISSON 21UF20 Service Manual download, schematics, eeprom, repair info ...

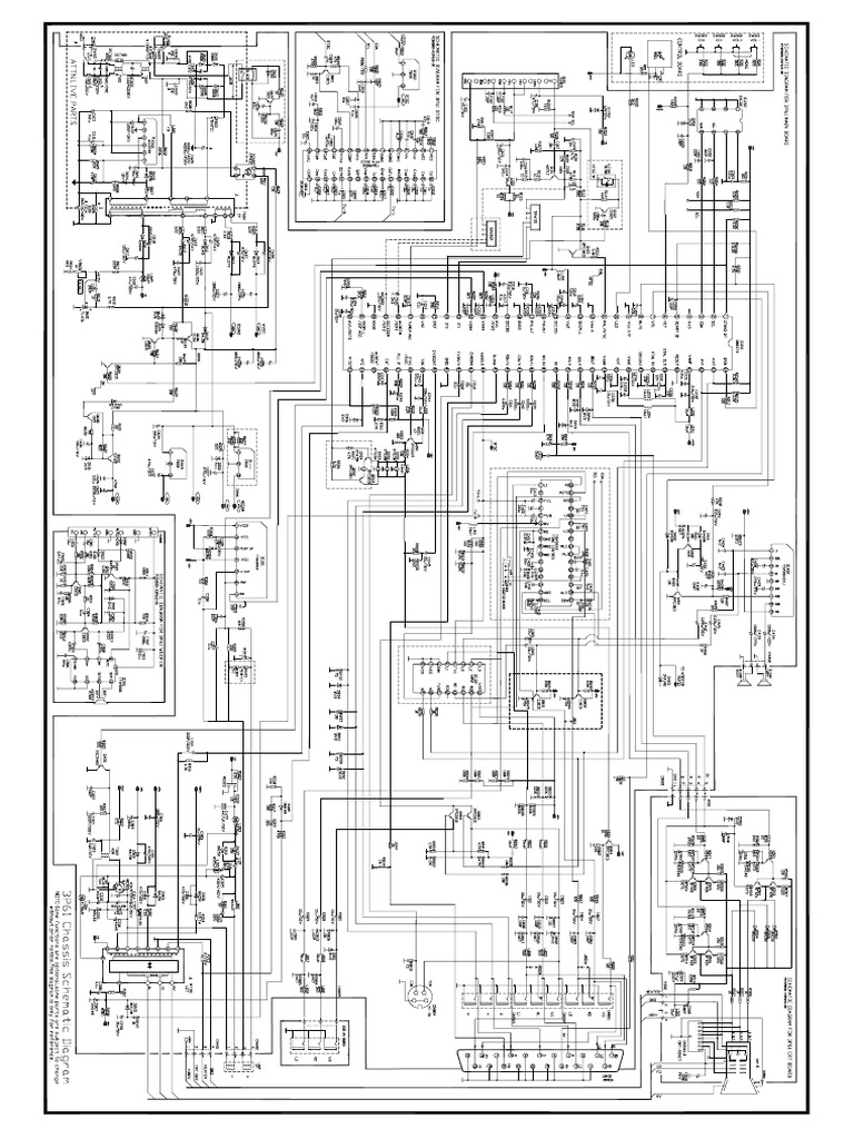
Erisson 21uf20 Chassis 3p61 SCH | PDF

Erisson 21UF20 Chassis 3P61E, Service Manual, Repair Schematics

Electro help: ERISSON 21F2 _ HOW TO ENTER SERVICE MODE - (TMPA8801) IC ...

Electro help: ERISSON 21F2 _ HOW TO ENTER SERVICE MODE - (TMPA8801) IC ...

ERISSON 21UF20 шасси 3P61, не включается | Форум по ремонту Monitor

Erisson 2120 Инструкция - autoservic

Erisson 21F2

ERISSON 21 INCH - LC863320A , LA76810 , LA7840 , CD2611 - TV D SCH ...

ERISSON 21F7 CHASSIS 3Y11 SCH Service Manual free download, schematics ...

ERISSON 1401,2102,2103,21F1,21F2,21F3-UBM SCH Service Manual download ...

Erisson 2120 не запускается Б.П. на STRG6653 | Форум по ремонту Monitor

ERISSON 21F10 CHASSIS 3Y18 Service Manual download, schematics, eeprom ...

ERISSON 21F7 CHASSIS 3Y11 SCH Service Manual download, schematics ...

ERISSON 21UF16 Service Manual download, schematics, eeprom, repair info ...

ЭЛТ телевизор Erisson 21F35. Не включается.

Кондиционеры и сплит-системы Erisson: отзывы, инструкции к пульту ...

Erisson 2107

ERISSON 21SF40 Service Manual download, schematics, eeprom, repair info ...

Erisson Circuit Diagram. Service Manual - Free Download

ERISSON 1410 Service Manual download, schematics, eeprom, repair info ...

LK1060 Erisson схема

горит строчный транзистор

Инструкция телевизора ERISSON 21F5.

kobila: электрическая схема телевизора erisson-1405

Erisson 39LES65 схема блока питания | Все для ремонта электроники

Erisson 32LS16 схема и сервис-мануал

ERISSON 23LEN60 схема

Erisson 168P-P4L031-W0 схема | Все для ремонта электроники

Erisson 32LEC2500 схема источника питания | Все для ремонта электроники

ERISSON HOF-08 пульт для телевизора 21SF10 , AKIRA HOR07A590 пульт для ...

ERISSON 21F1,21F2,2102,2103,2515,2915 CHASSIS UBM Service Manual ...

Ериссон Инструкция По Эксплуатации - iowaresurs

ERISSON 21F7 3P51 Service Manual download, schematics, eeprom, repair ...

Телевизор Erisson 1405 Инструкция - temnikova

  • Вперед Образец объявления о родительском собрании в школе
  • Назад Ескд обозначения схем

Новые страницы

Брекеты смешные картинки

Что можно приготовить детям на день рождения

Демпферные блоки для фундамента

Доступные спорткары

Химии 7 класс учебник

Как поменять пружины задние на ваз 2107

Как снять рулевую рейку на хонда срв

Карта sea of thieves на русском с островами

Клещи для смены предохранителей

Книга будет больно адам кей

Коробка предохранителей приора

Лучшая бумага для перьевой ручки

Отделка фасада мрамором

Пнд трубы и фитинги для водопровода

Политех фильм

Приколы про лену смешные в картинках с надписями

Принципиальная электрическая схема насоса

Проделаны отверстия

Работа помощником бурильщика 5 разряда

Rcl371 1 1 12

Рено орбита спб

С днем рождения раиса николаевна картинки

Схема для вышивания дракона

Сколько стоит мешок штукатурки

Слабый напор в душевой кабине

Снотворные по рецепту самые сильные

Составь схемы слова лес

Составить проект интерпретационного акта пример

Упр 252 по русскому языку 7 класс

Уроки рисования с 0

cdn.zecar.ru