Skip to content

Фотогалерея

  • Главная
  • Контакты

Электросхема субару форестер

Электросхема субару форестер

Электросхема субару форестер. Электрическая схема Субару Форестер 2007 года. Электросхема Субару Форестер 2005. Электросхема Subaru Forester sg5. Электросхема Субару Форестер 2008.

Электросхема субару форестер

Электросхема субару форестер. Схема электрооборудования Субару Легаси 1998. Схема вентилятора Impreza. Эл схема Субару Форестер 1998 года. Схема проводки Субару Легаси 1997 года.

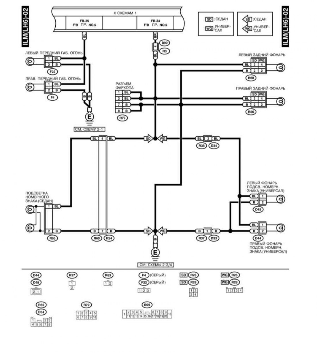
Электросхема субару форестер. Электрическая схема Субару Форестер sg5. Электрическая схема Субару Форестер сф5. Субару Форестер схему фар. Электросхема Субару Форестер 2005.

Электросхема субару форестер. Электрическая схема Субару Форестер 2020. Схема электрооборудования Subaru Forester 1997. Электрическая схема Субару Форестер 2001г. Электрическая схема Субару Форестер sg5.

Электросхема субару форестер. Субару Форестер 2002 схема. Forester схема ламп освещения. Схема поворотников Лексус. VALEO 2606769 распиновка.

Электросхема субару форестер. Схема электрооборудования Субару Форестер sh. Схема подогрева сидений Субару Форестер. Электросхема Субару Форестер 2005. Схема проводки подогрева сидений Субару Форестер.

Электросхема субару форестер. Схема электрооборудования Субару Форестер sh. Электрическая схема Субару Форестер 2014. Электрическая схема Субару Форестер sg5. Схема электропроводки Субару Форестер sh 2008 года.

Электросхема субару форестер. Электрическая схема Субару Форестер 2001г. Схема электрооборудования Субару Легаси 1997 года. Схема электрических соединений Subaru Legacy 1990 года. Схема электрооборудования Subaru Legacy система зарядки.

Электросхема субару форестер. Электрическая схема Субару Форестер sg5. Схема электропроводки Субару Форестер sh 2008 года. Схема электрооборудования Subaru Forester 2009. Электрическая схема Субару Форестер 2001г.

Электросхема субару форестер. Схема электрооборудования Subaru Forester 2009. Схема электрооборудования Subaru Forester 1997. Электрическая схема Субару Форестер sg5. Электрическая схема Субару Форестер 2011г.

Электросхема субару форестер

Электросхема субару форестер

Электросхема субару форестер. Схема электропроводки Субару XV. Электросхема омывателя лобового стекла Субару Форестер sh 2008. Электрическая схема фары Субару Форестер 2008. Электрическая схема блок фары Субару Форестер 2008.

Электросхема субару форестер

Электросхема субару форестер. Электрическая схема Субару Легаси 1996 года. Схема электрооборудования Subaru Forester 2009. Электрическая схема Субару Форестер 1999 года. Субару Легаси 1999 электросхемы.

Электросхема субару форестер. Схема электрооборудования Subaru Forester 2009. Схема электропроводки Субару Форестер 4 поколения. Электрическая схема Субару Форестер sg5. Схема электрооборудования Subaru Forester 1997.

Электросхема субару форестер. Электрическая схема Субару Легаси 2009. Электрическая схема Субару Легаси 1996 года. Схема звукового сигнала Subaru Impreza. Схема реле Субару Аутбек 2007.

Электросхема субару форестер. Схема электропроводки Субару Форестер sh 2008 года. Схема электрооборудования Субару Форестер sh. Электросхема Subaru Forester sg5. Схема электрооборудования Subaru Forester 1997.

Электросхема субару форестер

Электросхема субару форестер. Схема электрооборудования Subaru Forester 1997. Схема электрооборудования Subaru Forester 2009. Электрическая схема Субару Форестер sg5. Схема проводки Субару Форестер sg5.

Электросхема субару форестер. Электрическая схема Субару Форестер sg5. Схема электропроводки Субару Форестер sg5. Схема электрооборудования Subaru Forester 2009. Схема электрооборудования Субару Форестер sh.

Электросхема субару форестер. Схема электрооборудования Субару. Схема электрооборудования Subaru Forester 1997. Электрическая схема Субару Форестер sg5. Субару Форестер схема электрооборудования.

Электросхема субару форестер. Subaru Outback 2000 проводка противотуманной фары. Схема подрулевого переключателя Subaru Legacy b5. Электросхема Форестер sg5. Схема аудиосистемы Subaru Forester sg5.

Электросхема субару форестер. Subaru Legacy Outback 2012 электросхема. Схема электрооборудования Subaru Pleo. Электросхема ЭБУ Subaru 2j. Электрическая схема Субару Плео.

Электросхема субару форестер. Схема электрооборудования Subaru Forester 2009. Электрическая схема Субару Форестер sg5. Схема электрооборудования Subaru Forester 1997. Электросхема Субару Форестер 2005г.

Электросхема субару форестер. Subaru Impreza WRX STI электрическая схема. Субару Легаси 1999 электросхемы. Схема электрооборудования Subaru Forester 2009.

Электросхема субару форестер. Электрическая схема Субару Легаси 2009. Электрическая схема Субару Форестер 2001г. Электрическая схема Субару Форестер sg5. Схема электрооборудования Субару Легаси.

Электросхема субару форестер. Электрическая схема фары Субару Форестер 2008.

Электросхема субару форестер. Электросхема ABS Форестер sg5. Электрическая схема кондиционера автомобиля Субару. Электросхема Субару Форестер sf5. Электросхема Субару Форестер 2002.

Электросхема субару форестер. Электросхема Субару Форестер sg5 2002. Subaru Forester 2012 electrical diagram.

Электросхема субару форестер. Электросхема Субару Форестер sf5. Электрическая схема Субару Форестер сф5. Электросхема Субару Форестер 2005. Субару Форестер схему фар.

Электросхема субару форестер. Электрическая схема Субару Форестер 2001г. Схема света Subaru Legacy 2005. Электрическая схема Субару Легаси 1996 года. Схема ближнего света Subaru Legacy 2005.

Электросхема субару форестер. Электросхема света Субару Импреза 2002. Subaru Legacy схема электропроводки. Схема электрооборудования Субару Легаси. Subaru Impreza 2004 электросхема.

Электросхема субару форестер

Электросхема субару форестер

Электросхема субару форестер. Схема электрооборудования Subaru Legacy система зарядки. Схема электрооборудования Субару Легаси 1998. Электросхема омывателя лобового стекла Субару Форестер sh 2008. Реле заднего стеклоочистителя Subaru bh5.

Электросхема субару форестер

Электросхема субару форестер. Схема электрооборудования Subaru Forester 2009. Схема электрики на Субару Легаси 2000 год. Форестер sh5 электросхема. Схема электрооборудования Subaru Legacy.

Электросхема субару форестер. Схема центрального замка Subaru Legacy 2001.

Электросхема субару форестер. Электрическая схема Субару Форестер 2014. Электрическая схема Субару Форестер sg5. Схема электрооборудования Субару Форестер sf9. Электрическая схема Субару Форестер 2001г.

Электросхема субару форестер

Электросхема субару форестер. 2016 Subaru WRX stereo wiring diagram. Subaru Forester 2004 года elektricheskaja schema TEMPOSTATA. Diagram ECM Subaru Forester 2019. Субару Форестер схема кондиционера.

Электросхема субару форестер. Схема электрооборудования Subaru Forester 2009. Центральный замок Субару Форестер sf5 схема. Электрическая схема Субару Форестер sg5. Электрическая схема Subaru Forester sh.

Электросхема субару форестер. Схема электропроводки Форестер сф5. Схема электрооборудования Subaru Forester 2009. Subaru Forester sf5 электросхема. Электросхема Subaru Forester sg5.

Электросхема субару форестер. Схема электрооборудования Субару Импреза 2005. Субару Импреза 1 электросхема. Электросхема управления двигателем Subaru ej25. Субару Форестер 2002 года 2.0 электросхемы.

Электросхема субару форестер. Схема электрооборудования Субару Легаси 1997 года. Схема электрооборудования Subaru Legacy. Электрические схемы Subaru Impreza 1997. Схема электрооборудования Субару Легаси.

Электросхема субару форестер. Схема центрального замка Субару Легаси 2001. Субару Импреза 2007 схема центрального замка. Схема центрального замка Субару. Схема центрального замка Subaru Impreza 1995 года.

Электросхема субару форестер

Электросхема субару форестер. Электросхема Субару Форестер 2005г. Электрическая схема Субару Форестер sg5. Электрическая схема Субару Форестер 2014. Схема электрооборудования Субару Форестер sf5 2008г.

Электросхема субару форестер. Схема электрооборудования Субару. Схема электрическая Субару Импреза. Схема электрооборудования Субару Импреза 2005. Схема электрооборудования Subaru Forester 1997.

Электросхема субару форестер. Схема электрооборудования Subaru Forester 2009. Subaru Impreza 2008 электросхема кондиционера. Электрическая схема кондиционера Subaru Forester 2014. Электрическая схема Субару Форестер 2001г.

Электросхема субару форестер. Схема кнопок стеклоподъемников Субару. Схема электрооборудования Subaru Forester 2009. Схема блока управления стеклоподъемниками Субару. Электрическая схема Субару Форестер 2001г.

Электросхема субару форестер. Схема электропроводки Субару Форестер sg5. Электросхема панели приборов Субару Форестер sg5. Электрическая схема Субару Форестер sg5 2005 года. Электросхема Субару Форестер 2005.

Электросхема субару форестер. Схема электрооборудования Субару Легаси. Forester 2000 фары схема. Схема электрооборудования Subaru Legacy. Схема ближнего света Subaru Legacy 2005.

Электросхема субару форестер. Электрическая схема Субару Форестер sf5 1999. Схема электрооборудования ej20x. Subaru Legacy 1997 схема. Электрические схемы Subaru Impreza 1997.

Электросхема субару форестер. Электрическая схема Субару Форестер 2014. Subaru Forester sf5 схема электропроводки. Электрическая схема Subaru Forester 2011. Схема зарядки Subaru Форестер 2003.

Электросхема субару форестер. Электрическая схема Субару Легаси 1996 года. Эл.схема Subaru Legacy 2007. Электрическая схема Субару Легаси 2009. Схема электрооборудования Субару Легаси.

Электросхема субару форестер. Электрическая схема двигателя Субару Форестер sg5. Схема электрооборудования Subaru Forester 1997. Схема электрооборудования Субару Форестер sf9. Схема электрооборудования Subaru Forester 2009.

Электросхема субару форестер

Электросхема субару форестер. Электросхема Субару Легаси ej25. Схемы Легаси bd. Электрическая схема hau478 Atlas White отзывы.

Электросхема субару форестер. Схема электрооборудования Subaru Forester 2009. Субару Легаси электрическая схема. Электрические схемы Subaru Legacy. Электрическая схема Субару Форестер.

Электросхема субару форестер. Электросхема Subaru Forester sg5. Forester sg5 схема аудиосистемы.

Электросхема субару форестер

Электросхема субару форестер. Электрическая схема Subaru Forester 2011. Электрическая схема Subaru Forester 2008. Электросхема Subaru Forester sg5. Электрическая схема Субару Форестер 2014.

Электросхема субару форестер

Электросхема субару форестер. Электрическая схема Субару Форестер 2007 года. Субару Форестер sf5 электрические схемы. Электрическая схема Субару Форестер 2014. Электрическая схема Субару Форестер.

Электросхема субару форестер. Электрическая схема Субару Форестер 2001г. Электрическая схема Legacy b4 2000. Электрическая схема Subaru Outback 2008. Электрическая схема Субару Аутбек 2014.

Электросхема субару форестер. Схема электрооборудования Subaru Legacy. Электрические схемы Subaru Legacy. Схема электрооборудования Субару Легаси. Subaru Legacy 2 поколение схема электрооборудования.

Электросхема субару форестер

Электросхема субару форестер. Схема электрическая Субару Импреза. Электрические схемы Subaru Impreza 1997. Электрическая схема Субару Импреза 2002. Электрическая схема Legacy b4 2000.

Электросхема субару форестер

Электросхема субару форестер. Электрические схемы Subaru Outback 2012 схема. Электрическая схема Субару Легаси 1996 года. Схемы электропроводки Subaru. Схема электрооборудования Subaru Legacy.

Электросхема субару форестер. Схема электрооборудования Subaru Forester 1997. Схема электрооборудования Subaru Legacy система зарядки. Схема электрооборудования Subaru Forester 2009. Схема блока управления стеклоподъемниками Субару.

Электросхема субару форестер. Электрическая схема Субару Форестер sg5.

Электросхема субару форестер. Электрическая схема Субару Форестер sg5. Электрическая схема Субару Форестер 2011г. Схема электрооборудования Субару Форестер sh. Форестер sg5 схема электропроводки.

Электросхема субару форестер. Подогрев сидений Субару Форестер sg5. Субару Форестер электросхемы. Ниссан Кашкай схема включения подогрева сидений. Электрическая схема Субару Форестер sg5.

Электросхема субару форестер. Схема электрооборудования Субару. Схема электрооборудования Subaru Legacy система зарядки. Электрическая схема Субару Форестер sg5. Схема подключения генератора Субару.

Электросхема субару форестер. Схема обогрева кресла Subaru XV. Схема подогрева сидений Субару. Схема обогрева сидений Subaru Impreza 2008. Схема проводки сиденья Subaru Legacy.

Электросхема субару форестер. Схема центрального замка Subaru Legacy 2001. Схема блока управления стеклоподъемниками Субару. Схема центрального замка Субару Легаси 2001. Схема центрального замка Субару.

Электросхема субару форестер. Схема электрооборудования Subaru Forester 2009. Схема электрооборудования Subaru Forester 1997. Электрическая схема Субару Форестер 2001г. Электрическая схема Субару Форестер 2014.

Электросхема субару форестер. Схема электрооборудования Subaru Forester 2009. Электрическая схема Субару Форестер 2001г. Схема электрооборудования Субару Легаси 1998. Электрическая схема Субару Легаси 1997.

Электросхема субару форестер. Схема электрооборудования Субару Легаси 1998. Схема электропроводки Субару Легаси bh5. Схема электрооборудования Subaru Legacy. Схема электрооборудования Субару Легаси b11.

Электросхема субару форестер. Forester sg5 схема ЭБУ. Субару Форестер 1999 электросхема. Проводка ej20 схема. Электросхема двигателя Subaru Forester.

Электросхема субару форестер. Схема стеклоподъемников Субару Форестер sg5. Схема электрооборудования Subaru Forester 2009. Электрическая схема Субару Форестер 2014. Электрическая схема Субару Форестер.

Электросхема субару форестер. Схема электрооборудования Subaru Forester 1997. Электрическая схема Субару Форестер sg5. Схема проводки Субару Форестер sg5. Субару Форестер схема электрооборудования.

Электросхема субару форестер. Электрическая схема двигателя z19dt. Электрическая схема двигателя Субару 1999. Электросхема двигателей охлаждения Subaru Impreza c 2005. Электросхема ДВС 5l.

Электросхема субару форестер

  • Вперед Составьте электронно графические схемы атома
  • Назад Что такое морфология 6 класс

Новые страницы

Амперметр с катушкой схема

Анатомия кисти руки человека в картинках

Букинг бронирование отелей официальный сайт

Если диагонали параллелограмма перпендикулярны то этот параллелограмм

Герметик силиконовый нейтральный

Как вставить лампочку в точечный светильник

Карта красноярского края с городами и поселками подробная во весь экран

Карта нато на карте мира

Каток в бабушкинском парке

Kia rio челябинск

Москвич 2141 схема

Можно все главное не спалиться картинка

Отзыв согласия на обработку персональных данных образец

Поход вид спорта

Программа тренировок на пресс в зале

Рак головки полового члена

Рерих николай картины

Ручной гудронатор

Русский язык 8 класс 291

Сделай схему к задаче

Схема ac

Сирени какое спряжение

Спорт бийск рф футбол

Спортшкола калуга

Ступичное отверстие спектра

Волга 3115

Восстановления работоспособности спортсмена

Вязаные куклы алены дудаковой схемы

Заявление на соседа нарушающего тишину образец

Заявление об отказе от услуг адвоката по соглашению образец

cdn.zecar.ru