Skip to content

Фотогалерея

  • Главная
  • Контакты

Электросхема рено сценик 1

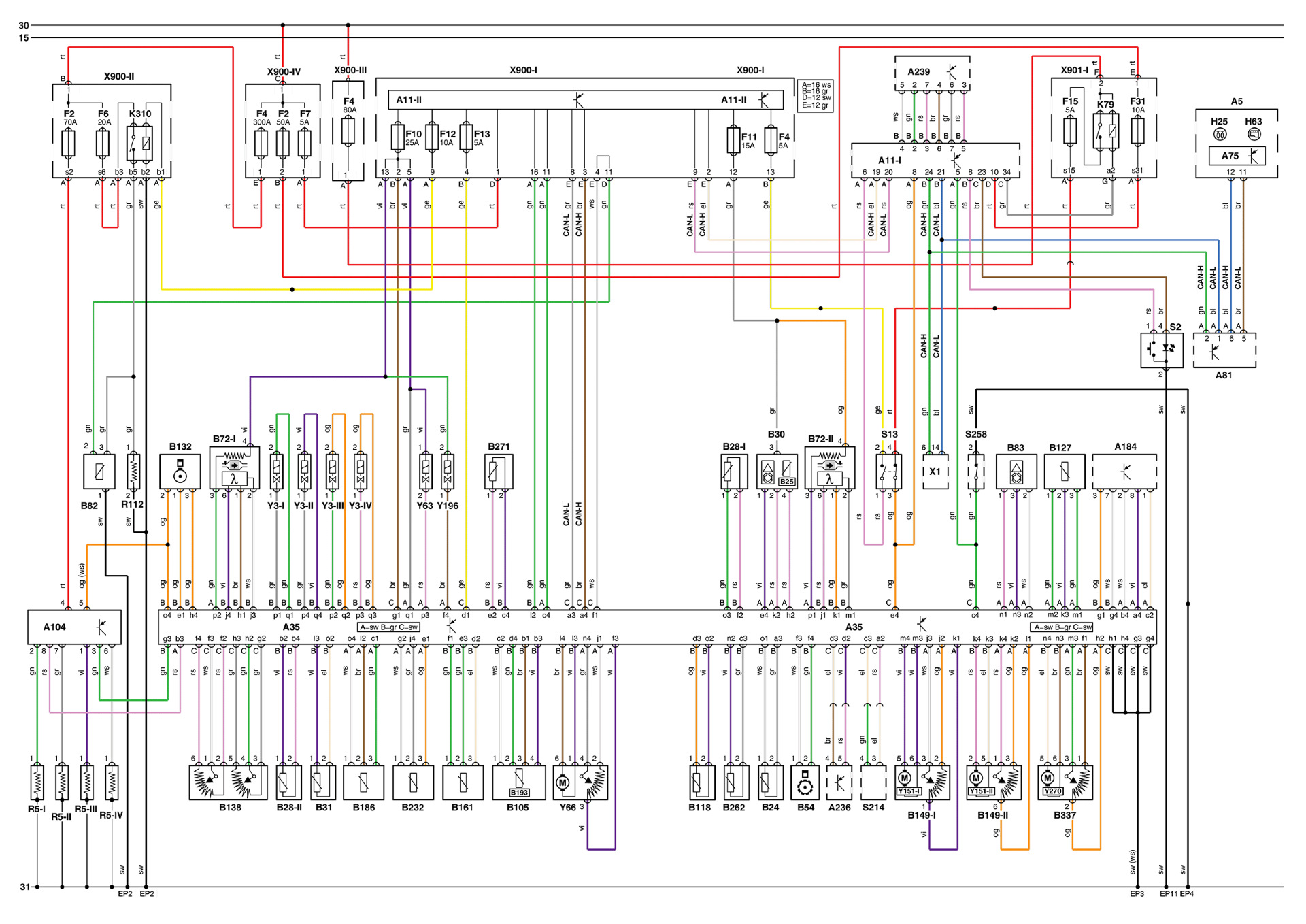
Электросхема рено сценик 1. Renault Scenic 2 электросхемы. Электрооборудование Рено Сценик 2. Рено Сценик электросхема. Схема электрооборудования Renault Scenic 2.

Электросхема рено сценик 1. Электрическая схема Рено Сценик 1. Renault Scenic 1 схема электрооборудования. Схема электрооборудования Рено Сценик 1. Схема проводки Renault Megane Scenic 1.

Электросхема рено сценик 1

Электросхема рено сценик 1. Renault Scenic 2 электросхемы. Рено Логан электросхема АКПП-6. Рено Логан 2 электросхема ЭБУ. Renault Clio 2 схема АКПП.

Электросхема рено сценик 1. Схема электрооборудования Renault Clio 2. Рено Логан 2 схема приборного щитка. Схема электрооборудования Renault Kangoo. Схема приборной панели Рено Логан 2.

Электросхема рено сценик 1. Электрическая схема панель приборов Рено Меган 1. Рено Меган 2 схема электрооборудования. Renault Megane 1 схема электрооборудования. Электрическая схема Рено Меган 2.

Электросхема рено сценик 1. Renault Scenic 1 схема электрооборудования. Принципиальная электрическая схема Рено Логан 1.4. Схема электрооборудования Рено Меган Сценик 1 2000 года. Принципиальные электрические схемы Рено Меган.

Электросхема рено сценик 1. Схема электрооборудования печки Renault Megane 2. Схема электрооборудования Рено Сценик 2. Схема электрооборудования Renault Megan 2. Renault Kangoo 2 схема центрального замка.

Электросхема рено сценик 1

Электросхема рено сценик 1. Renault Scenic 2 электросхемы. Renault Megane 2 электрические схемы. Renault Scenic 1 схема электрооборудования. Рено Меган 1 Классик проводка схема.

Электросхема рено сценик 1. Схема электрооборудования Рено Сценик 2. Рено Меган Сценик 1 электросхема. Рено Меган Сценик схема электрическая. Рено Сценик 1 электросхема отопителя.

Электросхема рено сценик 1

Электросхема рено сценик 1. Электрическая схема Рено трафик 2.5 дизель. Схема электрическая Renault Master 4 поколения. Схема электрооборудования двигателя Рено Дастер дизель. Электрическая схема проводки масса Рено трафик 2004 года.

Электросхема рено сценик 1

Электросхема рено сценик 1. Электрическая схема Рено Сценик 2. Схема электрооборудования Рено Сценик 1. Renault Scenic 1 схема ABS. Разъемы проводов приборной панели Рено Лагуна 2.

Электросхема рено сценик 1

Электросхема рено сценик 1. Схема электрооборудования Renault Scenic 2. Сценик 2 электросхемы. Рено Меган 2 стартер схема электрическая.

Электросхема рено сценик 1. Блок управления Электрооборудованием Рено Логан 2. Схема ЭБУ Renault Logan. Электрическая схема Рено Логан 1.6 16v. Схема проводки Рено Логан 1.4.

Электросхема рено сценик 1. Рено Логан 2011 электросхема стеклоподъемников. Электросхемы Renault Clio 4. Схема электрооборудования Renault Clio 2. Электросхема электрооборудования Рено Логан 3.

Электросхема рено сценик 1. Схема проводки Рено Сценик 1. Схема электрооборудования Renault Scenic 2. Renault Megane 1 схема электрооборудования. Renault Scenic 1 схема электрооборудования.

Электросхема рено сценик 1. Схема электрооборудования Renault Scenic 2. Схема круиз контролем Сценик 2. Рено Сценик 2 схема круиз контроля. Электросхема замка багажника Рено Сценик 2.

Электросхема рено сценик 1. Рено Меган 2 схема электрооборудования. Renault Megane 2 электрические схемы. Renault Megane 1 схема электрооборудования. Renault Megane 1 электрическая схема двигателя.

Электросхема рено сценик 1. Renault Scenic 1 схема электрооборудования. Схема электрооборудования Рено Меган Сценик 1 2000 года. Схема электрооборудования Renault Scenic 2. Схема проводки Рено 19 1.4.

Электросхема рено сценик 1. Renault Scenic 1 схема электрооборудования. Электросхема Renault Scenic 2 2005 года. WV Жук 2000 Эл.схема наружного освещения. Электросхема наружного освещения Джимни 2008 года выпуска.

Электросхема рено сценик 1

Электросхема рено сценик 1. Схема электрооборудования Renault Megan 2. Схема электрооборудования Renault Clio 2. Renault Megane 2 электрические схемы. Электрическая цепь Рено Меган 2 2007.

Электросхема рено сценик 1

Электросхема рено сценик 1. Renault Scenic 1 схема электрооборудования. Схема электрооборудования Renault Scenic 2. Схема электрооборудования Рено Меган Сценик 1 2000 года. Схема электрооборудования Рено Сценик 1.

Электросхема рено сценик 1. Схема аудиосистемы KOLEOS. Схема электрооборудования Renault Clio 2. Схема электрооборудования Renault Megane 3. Электросхема Renault Clio 2.

Электросхема рено сценик 1

Электросхема рено сценик 1. Схема проводки Рено Сценик 2. Рено Сценик 1 схема электропроводки. Схема электрооборудования Рено Сценик 2. Схема электропроводки Логан 1.4.

Электросхема рено сценик 1. Схема электрооборудования Рено Меган Сценик 1 2000 года. Электросхемы Рено Сценик 1. Renault Scenic 1 схема электрооборудования. Электрическая схема иммобилайзера Рено Сценик 1.

Электросхема рено сценик 1

Электросхема рено сценик 1. Схема электрооборудования Рено Сценик 1. Электрическая схема Renault Scenic 1. Электросхемы Рено Сценик 1. Схема электрооборудования Renault Megane 3.

Электросхема рено сценик 1. Электросхема кондиционера Пежо боксер 3. Электросхема блока управления 12217801200. Электросхема кондиционера с ручным управлением для Ford Ranger 2007. Электросхема кондиционера Опель Мокка.

Электросхема рено сценик 1. Схема электрооборудования Рено Логан 1.

Электросхема рено сценик 1. Электрическая схема звукового сигнала Рено Клио.

Электросхема рено сценик 1. Эл схема Рено Логан 1.4. Схема проводов Renault symbol. Электрическая схема Рено Логан 1.4 2010 года. Renault Clio II электросхемы.

Электросхема рено сценик 1

Электросхема рено сценик 1. Схема проводки Рено Сценик 2. Renault Scenic 2 электросхемы. Рено Сценик 1 схема электропроводки. Схема электрооборудования Renault Clio 2.

Электросхема рено сценик 1. Электропроводка Сценик 2. Renault Scenic 1 схема электрооборудования. Схема электрооборудования печки Renault Scenic 2. Схема проводки печки Рено Сценик 2.

Электросхема рено сценик 1. Схема электрооборудования Рено Сценик 1. Электрическая схема Рено Сценик 1. Renault Megane 1 схема электрооборудования. Схема электрооборудования Clio 3.

Электросхема рено сценик 1

Электросхема рено сценик 1. Электрическая схема Рено Меган Сценик 1997 года. Схема электрооборудования Рено Сценик 2. Принципиальная электрические схемы Рено Меган Сценик 1. Схема электрооборудования Renault Megane 3.

Электросхема рено сценик 1. Renault Scenic 1 схема электрооборудования. Схема электрооборудования Renault Scenic 2. Электрическая схема Рено Меган Сценик 1997 года. Электрическая схема Рено Сценик 1.

Электросхема рено сценик 1

Электросхема рено сценик 1. Электросхемы Renault Clio 3. Схема блок управления Renault Kangoo 1. Renault Kangoo 1.4 схема ЭБУ. Схема электрооборудования Renault Kangoo.

Электросхема рено сценик 1

Электросхема рено сценик 1. Схема электрооборудования Renault Scenic 2. Renault Master 2 схема электрооборудования. Renault Scenic 1 схема электрооборудования. Электросхемы Рено Лагуна 2 2005-2008.

Электросхема рено сценик 1. Схема электрооборудования Renault Kangoo 1.4. Схема электрооборудования Renault Kangoo 2. Реле системы управления двигателем Рено Кангу 1. Электросхема системы впрыска Рено Лагуна 2.

Электросхема рено сценик 1. Renault Megane 2 электрические схемы. Схема электрооборудования Рено Сценик 2. Схема электрооборудования Renault Megan 2. Электропроводка Рено Меган 2.

Электросхема рено сценик 1

Электросхема рено сценик 1. Renault Megane 2 электрические схемы. Схема электрооборудования Рено Меган 2 2008г. Схема электрооборудования печки Renault Megane 2. Рено Логан электросхема стеклоочистителя.

Электросхема рено сценик 1. Рено Меган Сценик схема электрическая. Схема электрооборудования Рено Сценик 2. Электрические схемы Рено Колеос 2012г. Электросхема на Рено Лагуна 1 дизель.

Электросхема рено сценик 1. Электрическая схема Рено Лагуна 3. Рено Меган 2 схема электрооборудования. Схема электрооборудования Рено Лагуна 3. Схема электрооборудования Renault Megane 3.

Электросхема рено сценик 1

Электросхема рено сценик 1. Схема электрооборудования Рено Меган Сценик 1 2000 года. Принципиальная электрическая схема Рено Логан 1.4. Электросхема Рено Лагуна 2 1,6 107. Схема электрооборудования Рено Меган Сценик 1.

Электросхема рено сценик 1

Электросхема рено сценик 1. Электросхема Рено Гранд Сценик 2. Схема электрооборудования Renault Clio 2.

Электросхема рено сценик 1. Схема ЭБУ Renault Kangoo 1.9. Схема электропроводки Рено Меган 1. Схема электрооборудования Renault Megane 3. Электрическая схема Рено Меган 1.

Электросхема рено сценик 1. Renault Scenic 2 электросхемы. Схема электрооборудования Рено Сценик 1. Электрическая схема Рено Сценик 2. Схема электрооборудования Рено Сценик 2003г.

Электросхема рено сценик 1. Электро цепь обогрева заднего стекла Сценик 2. Схема противотуманных фар Рено Сценик 2. Схема стартера Рено Сценик 2. Схема обогрева зеркал Рено Меган 2.

Электросхема рено сценик 1

Электросхема рено сценик 1. Схема проводки Рено Сценик 2. Renault Scenic 2 электросхема. Схема проводки под капотом на Рено Меган 3. Проводка Рено Сценик III.

Электросхема рено сценик 1. Схема электрооборудования печки Renault Scenic 2. Схема электрооборудования Renault Kangoo. Электрическая схема Renault Scenic 1. Схема включения вентилятора печки Рено Кангу 1.

Электросхема рено сценик 1

Электросхема рено сценик 1. Схема электрооборудования Sandero 2. Renault Sandero 2 схема электропроводки. Принципиальная электрическая схема Рено Логан 1.4. Электрическая схема Рено Логан 1.4.

Электросхема рено сценик 1. Схема стеклоподъемников Рено Сценик 2. Renault Scenic 2 схема электрическая. Рено Сценик 2,схема клапан управление. Схема блока управления двигателя Scenic 2 2006.

Электросхема рено сценик 1. Эл.схема Рено Логан 1.6. Эл схема Рено Логан 1.4. Схема электропроводки Логан 1.4. Схема электрооборудования Рено Логан 1.

Электросхема рено сценик 1. Renault Scenic 1 схема электрооборудования. Renault Clio 1.2 2001 года электросхема. Схема управления двигателем Scenic 2. Схема электрооборудования Рено Меган Сценик 1 2000 года.

Электросхема рено сценик 1. Электрическую схему Рено Твинго.

Электросхема рено сценик 1. Схема электрооборудования Renault Clio 2. Renault Scenic 1 схема электрооборудования. Схема электрооборудования Renault Kangoo 1.4. Схема электрооборудования Clio 3.

Электросхема рено сценик 1. Рено Сценик 2 дизель 1.5 DCI электросхемы. Схема электрическая Renault Scenic 2 1.5 DCI. Электросхема Рено Сценик 2 2005. Сценик 2 схемы электропроводки.

Электросхема рено сценик 1. Схема электрооборудования Renault Scenic 2. Электросхемы Рено Эспейс 2.

Электросхема рено сценик 1. Схема электрооборудования печки Renault Megane 2. Схема проводки стеклоподъемников Рено Меган 2. Схема электрооборудования Renault Megan 2. Схема электрооборудования Renault Megane 3.

Электросхема рено сценик 1

Электросхема рено сценик 1. Renault Scenic 1 схема электрооборудования. Схема электрооборудования Рено Сценик 2. Схема электрооборудования Рено Сценик 1. Электрическая схема Рено Лагуна 3.

Электросхема рено сценик 1. Renault Scenic 1 схема электрооборудования. Схема электрооборудования Рено Сценик 2. Схема электрооборудования Renault Scenic 2. Электропроводка аудиосистемы Рено Меган 1.

Электросхема рено сценик 1. Renault Scenic 2 схема электрическая. Электросхема спидометра Рено Сценик 1. Рено Лагуна 2 панель приборов схема. Схема иммобилайзера Рено Сценик 1.

Электросхема рено сценик 1. Электросхемы Renault Clio 3. "Renault электросхемы wiring diagrams. Электросхемы Рено Эспейс 2. Wiring diagram Рено Лагуна 2.

Электросхема рено сценик 1. Фара Рено Меган 2 схема электрики. Схема электрооборудования Рено Сценик 2. Рено Меган Сценик 1 электросхема. Рено Сценик 2 схема электропроводки.

Электросхема рено сценик 1

Электросхема рено сценик 1

  • Вперед Английский язык 3 класс 2 часть страница 82
  • Назад Вольво в сургуте

Новые страницы

Акт о недовложении браке пересорте товара озон образец

Алгебра 8 класс номер 808 мерзляк

Беспленочный

Черноземные почвы россии карта

Что служит источником эмп

Deh 1600ubg схема

Диаметр шланга омывателя

Фитнес занятия воронеж

Футбольные ворота из труб пвх своими руками схема поэтапно для детей

Гдз по математике 4 класс моро 2 часть страница 65

Гдз по русскому 7 класс 2 часть учебника ладыженская

Хронокарта гастева является аналогом поточной диаграммы

Карта размещения ядерного оружия россии

Картинки лига вотчкар кай

Код на штатную магнитолу рено логан

Конформист фильм

Легкий рисунок на тему моя родина россия

Мастер повесить карниз

Мегрельские

Музей островского в москве на тверской

Паровозик с днями недели картинки для детей для оформления

Поздравления с днем рождения мужчине ивану картинки

Раздача листовок в москве с ежедневной оплатой

Развеянный по ветру как

Решак алгебра 7 класс макарычев

Русский язык егэ статград 2024 тренировочные варианты

Схема фотографии

Строевая записка личного состава взвода образец

Учредительный договор некоммерческой организации образец

Уклон реки кама в см

cdn.zecar.ru