Skip to content

Фотогалерея

  • Главная
  • Контакты

Электросхема mitsubishi

Электросхема mitsubishi. Электрическая схема Мицубиси l200. Схема электрооборудования Mitsubishi l200. Схема стеклоподъемников Mitsubishi Outlander 1. Электрическая схема стеклоподъемников Митсубиси l200 2012г.

Электросхема mitsubishi

Электросхема mitsubishi. Электрическая схема Mitsubishi Pajero II. Электросхема Мицубиси Паджеро. Электросхема системы зажигания Митсубиси Паджеро 1991 года выпуска. Электрические схемы Mitsubishi Pajero.

Электросхема mitsubishi

Электросхема mitsubishi. Электрическая схема Мицубиси Каризма 2003. Электросхема Митсубиси Каризма 2003 1.6л. Электрическая схема Митсубиси Каризма 2002. Электрическая схема Митсубиси Каризма.

Электросхема mitsubishi. Схема электрооборудования Mitsubishi Canter 1995. Mitsubishi Canter 1994 схема электрооборудования. Fuso Canter схема электрооборудования. Mitsubishi Canter схема электропроводки.

Электросхема mitsubishi. Электрические схемы Mitsubishi Colt vi. Электросхема Митсубиси l300. Электросхема Мицубиси Кольт 2007. Электросхема Мицубиси Кольт 2006.

Электросхема mitsubishi. Электрическая схема Mitsubishi Colt. Схема салона подсветка Митсубиси Лансер 9. Mitsubishi Colt схема электрооборудования. Схема щитка приборов Лансер 9.

Электросхема mitsubishi. Схема электрооборудования Мицубиси l200. Mitsubishi l200 схема электрическая. Электрическая схема панели приборов Митсубиси л 200 дизель. Схема стеклоподъемника Грандис Митсубиси.

Электросхема mitsubishi. Электросхема Мицубиси l200. Электрическая схема Мицубиси Паджеро спорт 2 2012 года. Электрическая схема Mitsubishi Pajero Sport. Электрическая схема Мицубиси Паджеро спорт 2.

Электросхема mitsubishi. Митсубиси л200 электрическая схема. Схема электрооборудования l200 3 поколения. Электрическая схема Митсубиси л200 2008 года. Mitsubishi l200 схема.

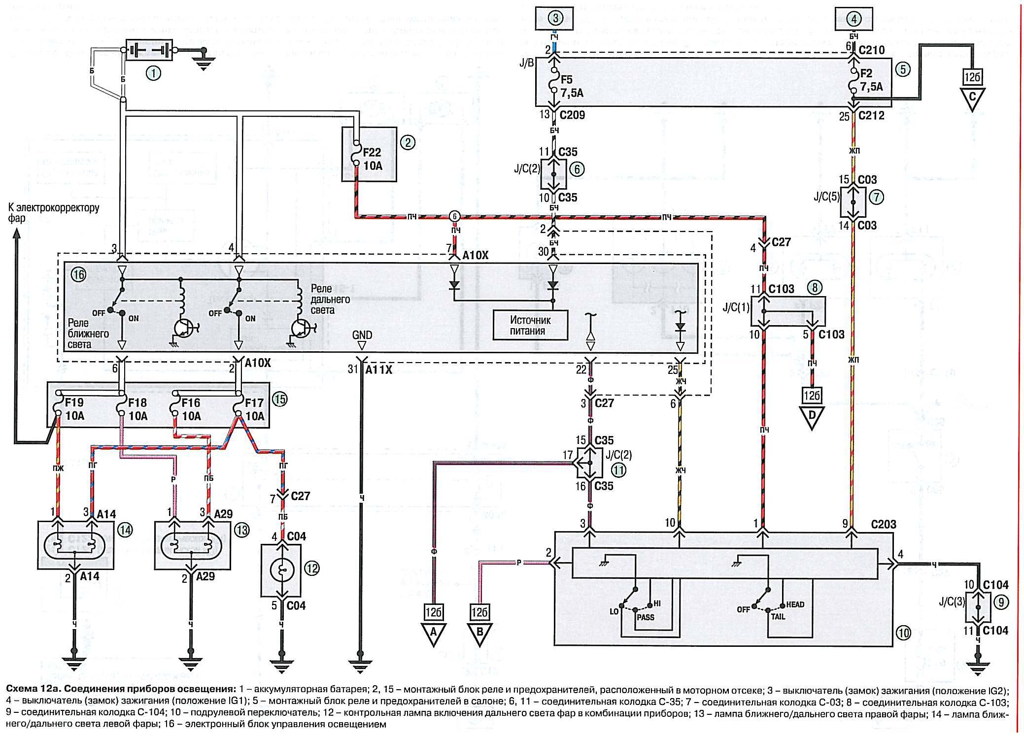
Электросхема mitsubishi. Схема электрооборудования Мицубиси l200. Mitsubishi l200 схема электрическая. Митсубиси л200 электрическая схема. Схема электрооборудования Митсубиси л 200 1.

Электросхема mitsubishi. Электросхема Митсубиси Лансер 9. Схема указателей поворота Лансер 9. Электрическая схема Mitsubishi Lancer 9. Ланцер 9 схема электрооборудования.

Электросхема mitsubishi. Митсубиси ЕК вагон электросхема. Мицубиси спайсвгон схема электрооборудования. Электрическая схема Mitsubishi Colt. Мицубиси Спейс вагон схема электрическая.

Электросхема mitsubishi

Электросхема mitsubishi

Электросхема mitsubishi. Mitsubishi Space Star схема электрооборудования. Электросхема Мицубиси Мираж 1999 4g13.

Электросхема mitsubishi. Электросхема Мицубиси l200. Митсубиси Дион 2000 электросхема. Электросхема Мицубиси Дион. Электросхема Мицубиси Кантер евро3.

Электросхема mitsubishi. Электросхемы Паджеро 2. Схема электрооборудования Mitsubishi Pajero. Электросхема Mitsubishi Pajero Sport. Митсубиси Паджеро 2 схема электрооборудования.

Электросхема mitsubishi

Электросхема mitsubishi. Mitsubishi Canter схема электрооборудования. Fuso Canter схема электрооборудования. Электрическая схема Mitsubishi Canter Fuso. Fuso Fighter электрическая схема.

Электросхема mitsubishi. Митсубиси Паджеро 2002 г, схема электрическая. Мицубиси Паджеро 1995 года схема электрооборудования. Mitsubishi Pajero 3 3.2 схема. Схема габаритов Mitsubishi Pajero 2.

Электросхема mitsubishi

Электросхема mitsubishi. Mitsubishi Canter 1994 схема электрооборудования. Электрическая схема Mitsubishi Lancer 9. Электрическая схема Mitsubishi Colt 1.3 2007. Электрическая схема Mitsubishi Colt.

Электросхема mitsubishi. Электросхема тахометра Паджеро 3 3.2 дизель. Электрическая схема Мицубиси Паджеро 3. Схема зажигания Паджеро 1 поколения. Электросхема климат контроля Митсубиси Паджеро спорт 2.

Электросхема mitsubishi. Mitsubishi ASX схема электрическая. ASX Mitsubishi схема электрооборудования. Митсубиси ASX схема электрооборудования. Электросхема Mitsubishi ASX 2014.

Электросхема mitsubishi. Электросхема питания топливного насоса Mitsubishi Galant 4g64. Электрическая схема Mitsubishi RVR 1993. Mitsubishi Galant 1997 электрическая схема. Схема электрооборудования двигателя 4g15.

Электросхема mitsubishi. Электросхема Мицубиси Мираж 1999 4g13. Схема электрооборудования Мицубиси Мираж 1999 год. Электрическая схема Mitsubishi RVR 1993. Схема проводки генератора Mitsubishi Colt CA 95.

Электросхема mitsubishi. Электросхемы Mitsubishi Galant 8 Европа. Mitsubishi Lancer GDI 2003 схема электропроводки. Схема Митсубиси Мираж 1995 года. Mitsubishi Galant 1997 электрическая схема.

Электросхема mitsubishi. Схема электрооборудования Mitsubishi l200. Mitsubishi l200 схема электрическая. Схема стеклоподъемников Митсубиси Кантер. Схема электрооборудования Mitsubishi Canter 1995.

Электросхема mitsubishi. Электрическая схема Mitsubishi Lancer 9. Схема электропроводки Mitsubishi Lancer 1999 года. Мицубиси Паджеро 1993 электросхема стеклоподъемники. Схема электростеклоподъемников Лансер 9.

Электросхема mitsubishi. Mitsubishi Lancer 9 схема проводов. Схема генератора Mitsubishi Lancer 9. Схема электрооборудования Mitsubishi Lancer 9. Электрическая схема Mitsubishi Lancer 9.

Электросхема mitsubishi

Электросхема mitsubishi. Схема электрооборудования Mitsubishi Canter 1995. Схема электрооборудования Mitsubishi Canter 1989. Mitsubishi Fuso Canter схема электрооборудования. Fuso Fighter электрическая схема.

Электросхема mitsubishi. Электрические схемы Mitsubishi Colt vi. Электрическая схема SRS Митсубиси Кольт 1995. Электрическая схема Мицубиси Кольт 2006 года. Электрическая схема Mitsubishi Colt 1.3 2007.

Электросхема mitsubishi. Mitsubishi Galant 1997 электрическая схема. Митсубиси Галант 7 электросхема габаритных огней.

Электросхема mitsubishi. Митсубиси л200 электрическая схема. Схема электрооборудования Митсубиси л200. Схема электрооборудования Мицубиси l200. Схема электрооборудования Mitsubishi l200 2005.

Электросхема mitsubishi. Схема электропроводки Mitsubishi Grandis. Схема Митсубиси Грандис. Митсубиси Грандис зарядка электросхема. Схема генератора Мицубиси Грандис.

Электросхема mitsubishi. Электрическая схема Mitsubishi Space Gear. Схема проводки Мицубиси Мираж 2000. Мицубиси Дион 2000 схема электрооборудования. Схема электропроводки Мицубиси Дион 2000г.

Электросхема mitsubishi. Электрическая схема на Митсубиси Паджеро 2. Mitsubishi Pajero схема. Электрическая схема Mitsubishi Pajero II. Митсубиси Паджеро 2 схема электрооборудования.

Электросхема mitsubishi

Электросхема mitsubishi. Схема подключения стартера Митсубиси. Паджеро спорт 2007 дизель схема датчика давления масла. Mitsubishi Pajero 2 схема генератора. Схема проводки Митсубиси л300.

Электросхема mitsubishi. Электросхемы Mitsubishi Colt z34a. Проводка схема Mitsubishi Colt 1.3 vi. Электрические схемы Mitsubishi Colt vi. Электросхема Митсубиси Кольт 6.

Электросхема mitsubishi. Схема зажигания Паджеро 1 поколения. Электросхема зажигания Паджеро 1 2,6 л. Электрическая схема системы зажигания Митсубиси Паджеро 2. Электросхема замка зажигания Паджеро 2.

Электросхема mitsubishi. Электрические схемы Mitsubishi Colt vi. Электросхема Митсубиси Кольт 6. Электросхема противотуманные Mitsubishi Colt. Электросхемы Мицубиси Дион.

Электросхема mitsubishi. Схема управления двигателем 4g15. Электрическая схема Митсубиси Лансер 10. Мицубиси ланцер 2006 г 1.3 л 4g13 схема ЭСУД. Электросхема управления двигателем 4g63.

Электросхема mitsubishi

Электросхема mitsubishi. Электросхема спидометра Митсубиси Галант. Схема электрооборудования Mitsubishi Pajero. Электрическая схема спидометра Mitsubishi Pajero 3. Схема спидометра Mitsubishi Pajero 3.

Электросхема mitsubishi

Электросхема mitsubishi

Электросхема mitsubishi. Mitsubishi Canter схема электрооборудования. Схема электрооборудования Mitsubishi Canter 1995. Схема электрооборудования Fuso Fighter. Mitsubishi Fuso Canter схема электрооборудования.

Электросхема mitsubishi

Электросхема mitsubishi. Электрические схемы Мицубиси Эндевор. Wiring diagram for electrical System Mitsubishi Montero Sport Limited 2003. Wiring diagram for electrical System Mitsubishi Montero Sport Limited 2000. Wiring diagram for Systems 2005 Mitsubishi Montero Limited.

Электросхема mitsubishi. Электросхемы Мицубиси Мираж 1998. Мицубиси Лансер 1995 года электросхема. Электросхема Galant 4g64. Электрическая схема Mitsubishi RVR 1993.

Электросхема mitsubishi

Электросхема mitsubishi. Электрическая схема Mitsubishi RVR 1993. Электросхема Мицубиси Мираж 1999 4g13. Mitsubishi Colt 1992 схема. Мицубиси RVR 1998 4g93 электросхема.

Электросхема mitsubishi. Mitsubishi Carisma 2003 схема электрическая. Lancer 9 схема центрального замка. Электрическая схема Мицубиси Каризма 2003. Электрическая схема Митсубиси Каризма 2001.

Электросхема mitsubishi. Митсубиси Паджеро 2 схема электрооборудования. Цветная схема электропроводки Mitsubishi Pajero 2. Схема электрооборудования Mitsubishi Pajero. Электрическая схема на Митсубиси Паджеро 2.

Электросхема mitsubishi

Электросхема mitsubishi. Схема электрооборудования л200. Электрическая схема Мицубиси l200. Схема электрооборудования Mitsubishi l200 2005. Схема электрооборудования Mitsubishi l200.

Электросхема mitsubishi. Электрическая схема Митсубиси Каризма 2001. Эл схема Мицубиси Каризма 1.6 2001 года. Электрическая схема Мицубиси Каризма 2003. Электросхема Митсубиси Каризма 2003 1.6л.

Электросхема mitsubishi. Схема электрооборудования Mitsubishi Lancer 9. Электрическая схема Mitsubishi Lancer 9. Электрическая схема проводки Митсубиси Лансер 9. Митсубиси Лансер 9 электросхема фар.

Электросхема mitsubishi. Схема электропроводки фар Mitsubishi Lancer 9. Митсубиси Лансер 9 электросхема фар. Схема аварийной сигнализации Лансер 9. Схема проводки фар Лансер 9.

Электросхема mitsubishi. Mitsubishi Outlander XL электросхемы. Электросхема Мицубиси Аутлендер 3. Электросхема Mitsubishi Outlander XL. Mitsubishi Outlander 2004 электросхема.

Электросхема mitsubishi. Схема электрооборудования л200. Схема электрооборудования Митсубиси л200 2011. Схема электрооборудования Mitsubishi l200. Схема электрооборудования Митсубиси л200 2012.

Электросхема mitsubishi

Электросхема mitsubishi. Mitsubishi Colt 1992 схема. Схема система кондиционирования Мицубиси Кольт.

Электросхема mitsubishi. Мицубиси Кольт схема электрооборудования. Электрические схемы Mitsubishi Colt vi.

Электросхема mitsubishi. Электрическая схема Mitsubishi Lancer 9. Mitsubishi Colt схема электрооборудования. Электрическая схема Mitsubishi Colt. Электрическая схема зажигания Мицубиси Кольт 4.

Электросхема mitsubishi. Электрическая схема Мицубиси Каризма 2003. Электрическая схема Митсубиси Каризма 2001. Эл схема Мицубиси Каризма 1.6 2001 года. Схема проводки Митсубиси Каризма 2003 года.

Электросхема mitsubishi. Mitsubishi Galant 1997 электрическая схема. Электросхема габаритных огней Митсубиси Галант 8 4g94. Электросхема зеркал Митсубиси Галант 8 японец.

Электросхема mitsubishi

Электросхема mitsubishi. Митсубиси Паджеро 2 схема электрооборудования. Электрическая схема на Митсубиси Паджеро 2. Электрооборудование поворотов Митсубиси Паджеро 3. Схема электрооборудования Мицубиси Паджеро 4.

Электросхема mitsubishi. Электрическая схема Мицубиси Каризма 2003. Проводка освещения Mitsubishi Carisma. Mitsubishi Carisma 2003 схема электрическая. Mitsubishi Carisma 1.6 электрическая схема.

Электросхема mitsubishi

Электросхема mitsubishi. Электросхема Мицубиси Кольт 2007. Электросхема Мицубиси Кольт 6. Электросхему Мицубиси л 200 печка отопителя. Электрические схемы педаль газа Mitsubishi Colt vi.

Электросхема mitsubishi. Электрическая схема Mitsubishi Lancer 9. Электрическая схема Митсубиси Лансер 10. Схема электрооборудования Лансер 9. Электрическая схема проводки Митсубиси Лансер 9.

Электросхема mitsubishi. Электропроводка Мицубиси Кольт. Электросхемы Mitsubishi Galant 8 Европа. Электросхемы Mitsubishi Colt 4a90 двигатель. Электросхемы Митсубиси Кольт.

Электросхема mitsubishi. Ленд Крузер 120 электросхема АБС. Электросхема ABS Mitsubishi Grandis. Mitsubishi Endeavor схема проводки. Электрические схемы Мицубиси Эндевор.

Электросхема mitsubishi. Электрическая схема Mitsubishi Colt. Схема запуска двигателя Мицубиси Colt. Схема генератора Mitsubishi Colt CA 95. Электросхема погрузчика Митсубиси.

Электросхема mitsubishi. Мицубиси Кантер 2003 схема электрооборудования. Mitsubishi Galant 1997 электрическая схема. Схема электропроводки Митсубиси Лансер 10. Схема предохранителей Mitsubishi Colt 2002.

Электросхема mitsubishi. Mitsubishi Colt z30 схема проводки. Электросхема подогрева сидений Митсубиси Кольт. Power cathode на магнитоле что. Roller Sun Blind wiring diagram for Mitsubishi Outlander Sport se 2013.

  • Вперед Русский язык зеленый учебник 5 класс
  • Назад Части обуви как называются в картинках

Новые страницы

Акт о случае профессионального заболевания заполненный образец

Белорусские спортивные каналы

Детская шапочка с ушками схема

Договор аренды техники образец скачать бесплатно

Электросхема mitsubishi

Фитнес нахабино цены

Гдз по алгебре 8 класс макарычев номер 693

Какое моторное масло заливать в хендай солярис

Какой забор лучше выбрать

Kia sportage 3 замена цепи грм

Киселев сергей анатольевич москва 1961

Колодка винтовая

Купить мужской спортивный костюм boss

Лечение протрузии дисков позвоночника поясничного отдела

Не горит поворотник ваз 2110

Окружающий мир 2 класс рабочая тетрадь 1 часть картинки

Омнадрен рецепт на латинском образец

Описание уха человека схема

Письмо о сроках выполнения работ образец

Приспособления дождевого червя

Рабочая тетрадь по математике 2 класс школа россии моро

Разбор числительного по падежам

Размер руля киа сид

Рв 10

Сказка о глупом мышонке слушать аудиосказку с картинками

Спортивные проекты доу

Стоимость мирового экспорта

Трансиверы прямого преобразования

Вечеринка презентаций идеи

Заложен нос без насморка лечение

cdn.zecar.ru