Skip to content

Фотогалерея

  • Главная
  • Контакты

Электросхема форестер

Электросхема форестер. Subaru Outback 2000 проводка противотуманной фары. Схема подрулевого переключателя Subaru Legacy b5. Электросхема Форестер sg5. Схема аудиосистемы Subaru Forester sg5.

Электросхема форестер

Электросхема форестер

Электросхема форестер

Электросхема форестер. Схема кнопок стеклоподъемников Субару. Схема электрооборудования Subaru Forester 2009. Схема блока управления стеклоподъемниками Субару. Электрическая схема Субару Форестер 2001г.

Электросхема форестер. Схема электрооборудования Субару Импреза 2005. Subaru Impreza WRX STI электрическая схема. Электрические схемы Subaru Impreza 1997. Блок ABS Субару Форестер электросхема.

Электросхема форестер. Электросхема Subaru Forester sg5. Forester sg5 схема аудиосистемы.

Электросхема форестер. Схема электрическая Subaru Outback. Схема электрическая Subaru Outback 2004. Электрическая схема Subaru Outback 2008. Электрическая схема Субару Аутбек 2004.

Электросхема форестер. Электрическая схема Субару Форестер sg5. Схема электропроводки Субару Форестер sh 2008 года. Схема электрооборудования Subaru Forester 2009. Электрическая схема Субару Форестер 2001г.

Электросхема форестер. Схема электрооборудования Субару Импреза 2005. Субару Импреза 1 электросхема. Электросхема управления двигателем Subaru ej25. Субару Форестер 2002 года 2.0 электросхемы.

Электросхема форестер. Электрическая схема Субару Форестер sg5. Схема электропроводки Субару Форестер sg5. Схема электрооборудования Subaru Forester 2009. Схема электрооборудования Субару Форестер sh.

Электросхема форестер. Схема центрального замка Субару Легаси 2001. Субару Импреза 2007 схема центрального замка. Схема центрального замка Субару. Схема центрального замка Subaru Impreza 1995 года.

Электросхема форестер. Электрическая схема Субару Форестер 2014. Subaru Forester sf5 схема электропроводки. Электрическая схема Subaru Forester 2011. Схема зарядки Subaru Форестер 2003.

Электросхема форестер. Электрическая схема Субару Аутбек 2014. Эл схема Субару Форестер 1998 года. Схема поворотников Subaru Legacy. Схема центрального замка Субару Легаси 2001.

Электросхема форестер

Электросхема форестер

Электросхема форестер. Схема электрооборудования Subaru Forester 2009. Схема электропроводки Субару Форестер 4 поколения. Электрическая схема Субару Форестер sg5. Схема электрооборудования Subaru Forester 1997.

Электросхема форестер. Схема электропроводки Форестер сф5. Схема электрооборудования Subaru Forester 2009. Subaru Forester sf5 электросхема. Электросхема Subaru Forester sg5.

Электросхема форестер. Subaru Impreza WRX STI электрическая схема. Субару Легаси 1999 электросхемы. Схема электрооборудования Subaru Forester 2009.

Электросхема форестер. Схема электрическая Субару Импреза. Subaru Impreza 2008 электросхема кондиционера.

Электросхема форестер. Subaru Outback 1999 электросхема. Электросхема освещения Subaru Outback b12. Subaru Impreza 2008 электросхема кондиционера.

Электросхема форестер. Электрическая схема Субару Форестер 2001г. Схема света Subaru Legacy 2005. Электрическая схема Субару Легаси 1996 года. Схема ближнего света Subaru Legacy 2005.

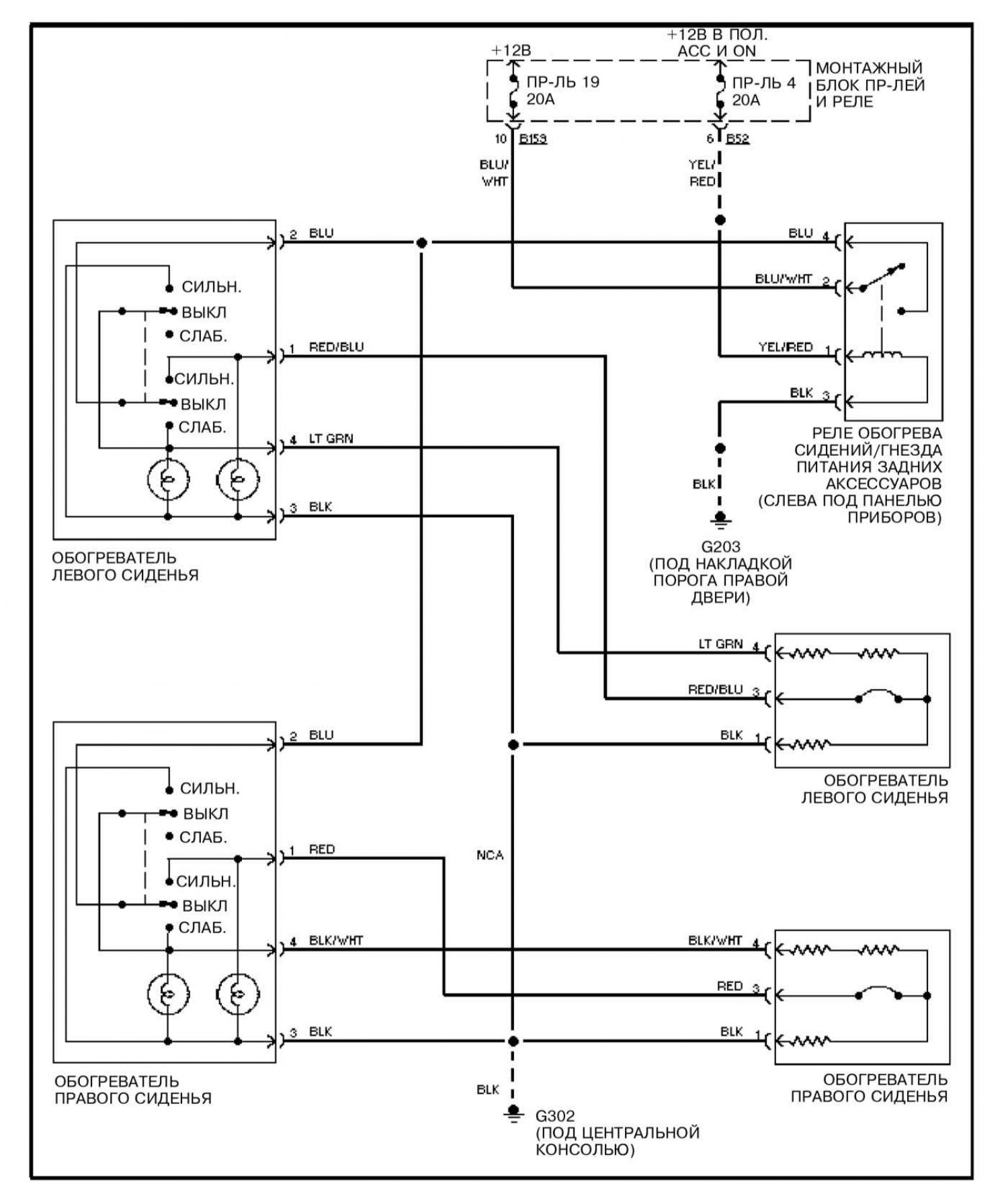
Электросхема форестер. Подогрев сидений Субару Форестер sg5. Субару Форестер электросхемы. Ниссан Кашкай схема включения подогрева сидений. Электрическая схема Субару Форестер sg5.

Электросхема форестер. Электрическая схема двигателя Субару 1999. Электросхема на двигатель на Субару Форестер 2,5л 2001. Электросхема Субару Форестер 2002. Электрическая схема двигателя Субару.

Электросхема форестер. Схема подогрева сидений Субару Форестер 2008. Схема подогрева сидений Субару Форестер. Схема подключения подогрева сидений Субару Форестер. Схема подогрева сидений Субару Форестер sh.

Электросхема форестер. Электрическая схема Субару Легаси 2009. Электрическая схема Субару Форестер 2001г. Электрическая схема Субару Форестер sg5. Схема электрооборудования Субару Легаси.

Электросхема форестер

Электросхема форестер. Электросхема Субару Форестер sg5 2002. Subaru Forester 2012 electrical diagram.

Электросхема форестер. Электрическая схема Субару Форестер sg5.

Электросхема форестер. Схема электрооборудования Subaru Forester 1997. Схема электрооборудования Subaru Forester 2009. Электрическая схема Субару Форестер sg5. Схема проводки Субару Форестер sg5.

Электросхема форестер. Схема электрооборудования Субару Легаси 1998. Схема электрооборудования Subaru Legacy система зарядки. Схема электрооборудования Субару Легаси. Схема электрооборудования Subaru Legacy.

Электросхема форестер. Электрическая схема фары Субару Форестер 2008.

Электросхема форестер. Forester sg5 схема аудиосистемы. Электросхема Форестер sg5. Распиновка фары Субару SG. Реле ближнего света фар Субару XV.

Электросхема форестер. Электрическая схема Субару Форестер 2020. Схема электрооборудования Subaru Forester 1997. Электрическая схема Субару Форестер 2001г. Электрическая схема Субару Форестер sg5.

Электросхема форестер. Схема электрооборудования Субару Легаси 1998. Схема электропроводки Субару Легаси bh5. Схема электрооборудования Subaru Legacy. Схема электрооборудования Субару Легаси b11.

Электросхема форестер

Электросхема форестер. Система зарядки Subaru Legacy. Схема электрооборудования Субару Легаси. Схема подключения генератора Субару. Схема электрооборудования Subaru Legacy система зарядки.

Электросхема форестер. Схема центрального замка Subaru Legacy 2001.

Электросхема форестер. Электрическая схема двигателя z19dt. Электрическая схема двигателя Субару 1999. Электросхема двигателей охлаждения Subaru Impreza c 2005. Электросхема ДВС 5l.

Электросхема форестер. Электрическая схема Субару Форестер 2011г. Схема обогрева зеркал Субару Форестер. Электрическая схема управления зеркалами. Схема подключения бокового зеркала Subaru Impreza 2005.

Электросхема форестер. Электрическая схема Субару Форестер sg5. Электрическая схема Subaru Forester sh. Схема электрооборудования Subaru Forester 2009. Схема электропроводки Субару Форестер sf5.

Электросхема форестер. Блок управления центральным замком Субару Форестер СФ. Распиновка блока центрального замка Субару Форестер sf5. Forester SF 1 реле центрального замка. Субару SF схема центрального замка.

Электросхема форестер. Схема электрооборудования Subaru Forester 2009. Электрическая схема Субару Форестер 2001г. Схема электрооборудования Субару Легаси 1998. Электрическая схема Субару Легаси 1997.

Электросхема форестер. Схема электрооборудования Subaru Legacy. Электрические схемы Subaru Legacy. Схема электрооборудования Субару Легаси. Subaru Legacy 2 поколение схема электрооборудования.

Электросхема форестер

Электросхема форестер. Электрическая схема Субару Форестер 2007 года. Электросхема Субару Форестер 2005. Электросхема Subaru Forester sg5. Электросхема Субару Форестер 2008.

Электросхема форестер. Электрическая схема стеклоподъемников Субару Форестер 2003 г. Электросхема Субару Форестер 2005. Схема проводки Субару Форестер sg5. Электросхема Субару Форестер 2002.

Электросхема форестер

Электросхема форестер

Электросхема форестер. Subaru Forester SG реле стартера схема. Реле управления светом Субару Форестер sf9. Электросхема Форестер sg5. Subaru Forester sg5 распиновка проводов света.

Электросхема форестер. Электросхема Субару Форестер 2005г. Электрическая схема Субару Форестер sg5. Электрическая схема Субару Форестер 2014. Схема электрооборудования Субару Форестер sf5 2008г.

Электросхема форестер. Схема центрального замка Субару. Схема электрооборудования Субару Легаси. Электрические схемы Subaru Legacy. Схема электрооборудования Subaru Legacy.

Электросхема форестер. Схема обогрева кресла Subaru XV. Схема подогрева сидений Субару. Схема обогрева сидений Subaru Impreza 2008. Схема проводки сиденья Subaru Legacy.

Электросхема форестер

Электросхема форестер. Электрическая схема двигателя Субару Форестер sg5. Схема электрооборудования Subaru Forester 1997. Схема электрооборудования Субару Форестер sf9. Схема электрооборудования Subaru Forester 2009.

Электросхема форестер. Схема электрооборудования Subaru Forester 2009. Схема электрики на Субару Легаси 2000 год. Форестер sh5 электросхема. Схема электрооборудования Subaru Legacy.

Электросхема форестер. Субару Импреза 2007 схема вентилятора. Схема электрооборудования Subaru Legacy система зарядки. Схема центрального замка Subaru Legacy 2001. Электрическая схема Субару Легаси 2004.

Электросхема форестер. Электрическая схема Субару Форестер sg5. Электрическая схема Субару Форестер 2011г. Схема электрооборудования Субару Форестер sh. Форестер sg5 схема электропроводки.

Электросхема форестер

Электросхема форестер. Схема электрическая Субару Импреза. Электрическая схема Субару Импреза 2008. Схема центрального замка Субару Импреза 2008 года. Форестер схема топливного насоса.

Электросхема форестер. Схема замок зажигания Subaru Forester sg5. Схема дальнего света Subaru Forester sf5. Схема кнопки противотуманных фар Subaru Impreza. Схема кнопки ПТФ Subaru Impreza.

Электросхема форестер. Электрическая схема Субару Легаси 1996 года. Схема электрооборудования Subaru Forester 2009. Электрическая схема Субару Форестер 1999 года. Субару Легаси 1999 электросхемы.

Электросхема форестер. Схема электрооборудования Субару. Схема электрооборудования Subaru Legacy система зарядки. Электрическая схема Субару Форестер sg5. Схема подключения генератора Субару.

Электросхема форестер. Subaru Forester Генератор схема. Subaru Forester 2014 электросхема стартера. Генератор Subaru Forester схема подключения. Схема генератора Субару Форестер 2014.

Электросхема форестер. Схема стеклоподъемников Субару Форестер sg5. Схема электрооборудования Subaru Forester 2009. Электрическая схема Субару Форестер 2014. Электрическая схема Субару Форестер.

Электросхема форестер. Схема электрооборудования Subaru Forester 1997. Схема электрооборудования Subaru Legacy система зарядки. Схема электрооборудования Subaru Forester 2009. Схема блока управления стеклоподъемниками Субару.

Электросхема форестер. Схема управления двигателем Субару bf5 90 год. КПП Субару Легаси 1991 схема. Схема АКПП Субару Форестер 98г.

Электросхема форестер. Схема электрооборудования Subaru Forester 2009. Схема электрооборудования Subaru Forester 1997. Электрическая схема Субару Форестер sg5. Электрическая схема Субару Форестер 2011г.

Электросхема форестер

Электросхема форестер. Схема электрооборудования Субару. Схема электрическая Субару Импреза. Схема электрооборудования Субару Импреза 2005. Схема электрооборудования Subaru Forester 1997.

Электросхема форестер. Электрические схемы Subaru Impreza 1997. Схема кондиционера Субару Импреза. Электрическая схема кондиционера Subaru Forester sg5. Forester sf5 электрическая схема климат контроля.

Электросхема форестер

Электросхема форестер. Схема электропроводки Субару Форестер sh 2008 года. Схема электрооборудования Субару Форестер sh. Электросхема Subaru Forester sg5. Схема электрооборудования Subaru Forester 1997.

Электросхема форестер. Электрическая схема Субару Легаси 1996 года. Схема электрооборудования Субару Легаси. Электрическая схема Субару Легаси 2009. Электрическая схема Субару Легаси 2007.

Электросхема форестер. Электрическая схема Субару Форестер sg5. Электрическая схема Субару Форестер сф5. Субару Форестер схему фар. Электросхема Субару Форестер 2005.

Электросхема форестер. Электросхема ABS Форестер sg5. Электрическая схема кондиционера автомобиля Субару. Электросхема Субару Форестер sf5. Электросхема Субару Форестер 2002.

Электросхема форестер. Система управления Субару Форестер SG. Схема электропроводка Subaru Sambar. Subaru Forester sg5 распиновка ЭБУ. Электросхема двигателя Subaru Forester.

Электросхема форестер. Схема распиновки двигателя ej204. Распиновка ej204. Распиновка ЭБУ EJ-de. Распиновка ЭБУ к6а 26/34.

Электросхема форестер. Схема двигателя ej204. Схема управления двигателем ej20d. Субару Аутбек EJ 254 2000г. Электросхемы. Ej20 схема управления двигателем.

Электросхема форестер. Электрическая схема Субару Форестер 2007 года. Субару Форестер sf5 электрические схемы. Электрическая схема Субару Форестер 2014. Электрическая схема Субару Форестер.

Электросхема форестер. Схема электрооборудования Субару Легаси 1998. Схема вентилятора Impreza. Эл схема Субару Форестер 1998 года. Схема проводки Субару Легаси 1997 года.

Электросхема форестер. Схема электрооборудования Subaru Forester 2009. Схема электрооборудования Subaru Forester 1997. Электрическая схема Субару Форестер 2001г. Электрическая схема Субару Форестер 2014.

Электросхема форестер. Электрическая схема Субару Форестер 2014. Электрическая схема Субару Форестер sg5. Схема электрооборудования Субару Форестер sf9. Электрическая схема Субару Форестер 2001г.

Электросхема форестер. Схема электрооборудования Subaru Forester 2009. Центральный замок Субару Форестер sf5 схема. Электрическая схема Субару Форестер sg5. Электрическая схема Subaru Forester sh.

Электросхема форестер

Электросхема форестер

Электросхема форестер. Схема электрооборудования Субару. Схема электрооборудования Subaru Forester 1997. Электрическая схема Субару Форестер sg5. Субару Форестер схема электрооборудования.

Электросхема форестер. Электросхема двигателя Subaru Forester. Subaru Legacy bp5 схема ЭБУ. Subaru Forester 2008 , расположение электронного блока управления двигателем. ЭБУ Субару Форестер сф5 еж205 схема пинов разъемов.

  • Вперед Как высчитать ватты
  • Назад Схема аэропорта бен гурион на русском

Новые страницы

Английский язык 5 класс стр 113 упр 1

Боор гомельского района карта охотугодий

Дизайнерские вузы москвы

Электронная система зажигания схема

Электросхема форестер

Explain the words

Фитнес бассейн спб цена

Фитнес он зеленоград

Гдз по алгебре седьмой класс моркодович

Гдз по петерсону 1 класс

Грибы испании

Isl98602iraaz схема включения

Как написать письмо в суд о рассмотрении дела без моего участия образец

Какие лампочки в шевроле круз

Клипса для полипропиленовых труб

Контрольный диктант купание в реке

Кран для манометра 1 4

Левитан владимирка картина фото

Медуза рисуем с детьми

Мой город тула проект 2 класс окружающий мир

Не включается подогрев сидений киа рио

Опыт работы в проектах

Острый ларинготрахеит карта вызова скорой медицинской помощи шпаргалка

Плоская эксплуатируемая кровля

Рассмотрение дела в отсутствие

Регулировка фар на шевроле кобальт

Революции 1848 1849 гг в европе

С днем рождения ирина олеговна картинки

Скотч 50 мм 50 м

Задвижка чугунная фланцевая ду 150

cdn.zecar.ru