Skip to content

Фотогалерея

  • Главная
  • Контакты

Электронная схема ar

Электронная схема ar

Электронная схема ar. Схема и электронная формула аргона. Электронно графическая схема аргона. Электронно графическая формула аргона. Электронная формула атома аргона.

Электронная схема ar. Схема электронного строения атома алюминия. Электронная формула атома алюминия. Строение электронной оболочки атома алюминия. Строение алюминия электронная формула.

Электронная схема ar. Электронно графическая формула таблица. Распределение электронов по орбиталям таблица. Строение химических элементов по орбиталям. Строение электронных орбиталей.

Электронная схема ar. Кальций строение атома и электронная формула. Электронная схема атома кальция. Электронно графическая схема атома кальция. Строение электронной оболочки кальция.

Электронная схема ar

Электронная схема ar

Электронная схема ar

Электронная схема ar

Электронная схема ar. Схема электронного строения атома. Электронная схема атома лития. Схема электронных уровней у магния. Электронная конфигурация лития схема.

Электронная схема ar. Электронно графическая формула аргона. Электронная формула атома аргона. Электронное строение атома аргона. Электронно графическая формула атома аргона.

Электронная схема ar. Smps220 ver 1.1 схема. Усилитель на c1815. Схема блока SMPS 24v/10a. C1815 распиновка.

Электронная схема ar. Фотоумножитель принципиальная схема. Фотокатод схема. ПЭТ фотоумножители схема. Электрод фотоумножители.

Электронная схема ar. Схема электронной конфигурации атома кальция. Схемы строения атомов магния и кальция таблица. Электронная конфигурация радия схема. Энергетические уровни атома химия схема.

Электронная схема ar. Схема строения атома магния. Схема электронного строения магния. Схема электронного строения атома магния. Атомное строение магния.

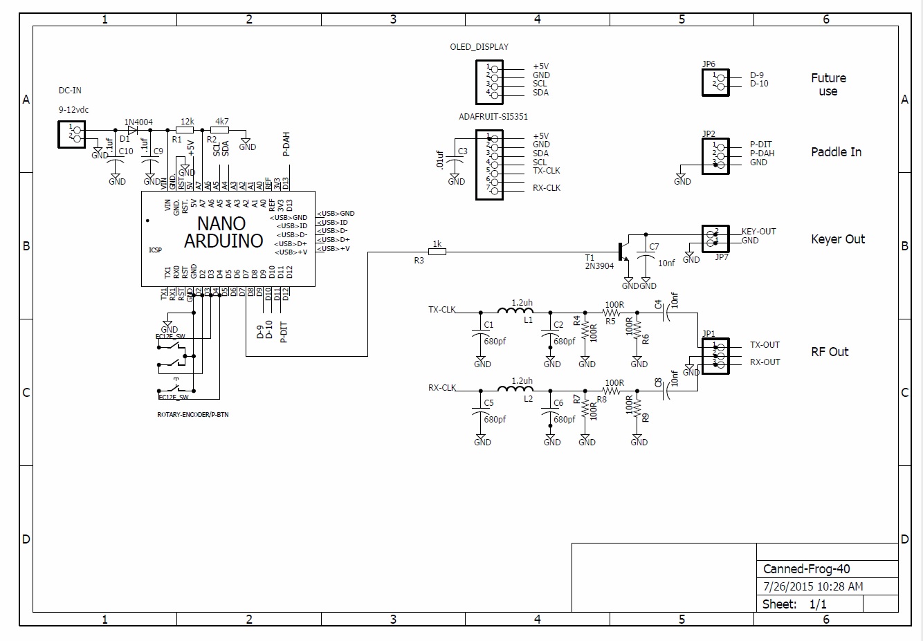
Электронная схема ar. Передатчик на si5351. Ардуино нано si5351. Si5351 схема включения. Генератор на si5351 и ардуино.

Электронная схема ar. Схема электронной конфигурации атома кальция. Электронно графическая схема атома кальция. Строение электронной оболочки кальция. Электронная формула фтора.

Электронная схема ar

Электронная схема ar. Велоспидометр функциональная схема. Мехатронный дозатор электрическая схема.

Электронная схема ar. Схема электронного строения атома магния. Схема электронной оболочки магния. Электронное строение атома магния. Электронное строение магния.

Электронная схема ar. Возбужденное состояние атома фтора. Возбужденное состояние Бора.

Электронная схема ar. Электронная и графическая формула аргона. Электронная схема атома аргона. Электронно графическая формула аргона. Электронная формула атома аргона.

Электронная схема ar. Детектор SSB на 6ж2п. SSB детектор на лампе 6а2п. Ламповый am, CW, SSB детектор. SSB приемник на лампах схема.

Электронная схема ar

Электронная схема ar

Электронная схема ar. FX-mg8227zt распиновка. Разъёмы FX-mg8227zt. Магнитола модель 8227l RSA схема.

Электронная схема ar

Электронная схема ar. Электронная формула хлора в возбужденном состоянии. Хлор в возбужденном состоянии электронная формула. Хлор электронная конфигурация в возбужденном состоянии. Хлор возбужденное состояние электронная конфигурация.

Электронная схема ar. Схемы строения электронной оболочки атомов элементов. Строение электронной оболочки атомов Химич элемента. Строение электронной оболочки энергетические уровни. Строение электронных оболочек атомов формула.

Электронная схема ar. Sony g14m2. Блок питания APS-279 Sony схема. Fa5501a. LG hlx50w schematic.

Электронная схема ar. Электронная схема +x )2)8)4.

Электронная схема ar

Электронная схема ar. Схема электронного строения атома азота. Электронное строение атома азота. Схема строения электронной оболочки азота. Схема электронного строения азота.

Электронная схема ar

Электронная схема ar. Схема строения атома химического элемента кремния. Строение электронной оболочки атома кремния. Строение атома Силициума. Атомное строение кремния.

Электронная схема ar. Схема электрическая принципиальная контроллера. Схема электронного датчика давления воды. Электронное реле давления схема. Автоматический контроллер eps-16 схема.

Электронная схема ar

Электронная схема ar. Auto Washer Motor s68pxmdj-1083 распиновка.

Электронная схема ar. Электронная конфигурация магния. Электронная конфигурация атома магния. Строение атома магния электронная формула. Электронно-графическая схема атома магния.

Электронная схема ar. Электронная формула атома и Иона хлора. Хлор строение электронной оболочки. Электронные конфигурации ионов CL-. Электронная конфигурация ионов CL CL-.

Электронная схема ar. Электронная конфигурация атома схема. Электронно-графическая схема атома свинца. Электронная конфигурация атома s2-. Электронная конфигурация внешнего слоя f.

Электронная схема ar. Электронная конфигурация аргона схема. Схема электронного строения атома аргона. Схема и электронная формула аргона. Схема строения электронной оболочки атома аргона.

Электронная схема ar

Электронная схема ar

Электронная схема ar

Электронная схема ar. Схема трёхразрядного счётчика. Трехразрядный делитель ЭВМ. Символ суммирующий. Электронная схема 53 i.

Электронная схема ar. Схема составления электронной формулы. Электронно-графические формулы строения атомов элементов. Конфигурация атома схема. Составление схем электронных формул атома.

Электронная схема ar. Microcap фильтры. Простейшие схемы в микрокап. Степени в микрокапе. Задать переменный ток в микрокапе.

Электронная схема ar

Электронная схема ar. Магнитные клавиатуры схема. Альтаир 4х схема дисплея. Эвлас-2м схема клавиатуры. Схема расключение клавиатуры Сокола б 8 н.

Электронная схема ar

Электронная схема ar. Химия строение атома и строение электронных оболочек. Строение электронных оболочек атомов формула. Строение электронной оболочки атома энергетические уровни. Схема строения электронной оболочки атома.

Электронная схема ar. Характеристика элемента 18 аргон. Масса атома аргона. Химия характеристика атома аргона. Аргон состав атома химического элемента.

Электронная схема ar. Электронно графическая формула фтора. Строение атома элемента фтора. Электронное строение атома неона. Строение электронной оболочки неона.

Электронная схема ar. Как составить схему строения атома. Схема строения электронной оболочки атома. Как составить схему электронного строения атома. Составьте схему строения атома.

Электронная схема ar. Принципиальная схема ардуино уно r3. Принципиальная схема ардуино uno r3. Структурная схема ардуино уно r3. Схема Arduino uno ch340g.

Электронная схема ar. Пест репеллер ts0614a схема. Принципиальная схема Пест репеллер. Pest Repeller TS-0614a схема. Схема Electric Ultrasonic Pest Repeller.

Электронная схема ar. Структура электронной оболочки бериллия. Строение электронных оболочек атомов бериллия. Строение электронной оболочки бериллия. Схема строения атома бериллия.

Электронная схема ar

Электронная схема ar. Блок питания с регулировкой напряжения на LM 723. Схемы блоков питания на lm723. Лабораторный блок питания на lm723. Лабораторный блок питания на lm723 с регулировкой напряжения и тока.

Электронная схема ar

Электронная схема ar. Электронно графическая формула цезия. Строение электронных оболочек атомов элемент бария. Электронная схема атома бария. Электронно графическая схема цезия.

Электронная схема ar

Электронная схема ar. Схема строение электронных оболочек урана химия. Химия схема электронного строения олово. Электронные элементы на схеме. Электронная схема по химии.

Электронная схема ar. Электронное строение атома электронная конфигурация инертного газа. Конфигурация благородного газа строение электронной. Акцептор электронов. Строение атомов инертных газов.

Электронная схема ar. Схема строения атома Теллура. Стронций строение электронной оболочки. Строение электронных оболочек атомов полоний. Электронная конфигурация схема.

Электронная схема ar. Атомная структура ti. Атомная структура se2. Carbon Nucleus. Atomic structure of most Protons.

Электронная схема ar. Формула электронной конфигурации фосфора. Строение атома фосфора электронная формула. Строение молекулы фосфора схема. Электронная конфигурация атома фосфора.

Электронная схема ar. ADC ad7134 схема.

Электронная схема ar. Электронно-графические формулы химических элементов таблица. Электронно графические формулы элементов 2 периода. Электронно-графическая формула всех химических элементов. Электронно графические формулы атомов элементов.

Электронная схема ar. Хлор электронная конфигурация в основном состоянии. Строение хлора валентность. Конфигурация хлора в возбужденном состоянии. Хлор электронная конфигурация в возбужденном состоянии.

Электронная схема ar. Строение энергетических уровней фосфора. Строение электронной оболочки натрия. Строение электронной оболочки фосфора. Формула электронной конфигурации азота.

Электронная схема ar. Электронная и электронно-графическая формула железа. Электронно графическая схема железа. Строение атома железа электронная формула. Электронно графическая формула атома железа.

Электронная схема ar. Строение электронной оболочки атома кремния. Строение энергетических уровней кремния. Электронное строение кремния. Электронно-графическая схема атома кремния.

Электронная схема ar. Схема активного антенного разветвителя. Активный разветвитель сигнала схема. Антенный усилитель разветвитель схема.

  • Вперед Как правильно писать обращение в прокуратуру образец
  • Назад Степень сжатия змз 402

Новые страницы

Браунинг пистолет схема

Гдз по алгебре 7 класс номер 858 мерзляк

Как обновить автонавигатор

Какой свечной ключ нужен для ваз 2114

Картинка нитки для детей на прозрачном фоне для детей

Кольцо из бисера найк схема

Кран шаровый ду 15 латунь

Крепление транзистора к радиатору

Кяна литва

Модели платьев с выкройками и схемами бесплатно

Набережная цесаревича во владивостоке

Образец автобиографии в депутаты кандидата

Орленок спортсмен 4 класс презентация

Открыта новая закупка картинка красивая

Панель приборов ваз 21099 инжектор обозначения значков

При электризации трением оба тела

Проект почему важно знать устаревшую лексику русского языка проект 7

Расписка в долг образец

Разборка уаз славянск на кубани

Разместить объявление об услугах

Ремонт подогрева сидений мерседес

Резина nexen кто производитель

С днем рождения натуся картинки красивые с пожеланиями

Схема пром

Спортмастер бонусы на товар со скидкой

Сталь 32г2

Таро тота маг

Термальные источники лагонаки база отдыха цены

Все игрушки блоп топ картинки

Зима в нью йорке

cdn.zecar.ru