Skip to content

Фотогалерея

  • Главная
  • Контакты

Электрические схемы bmw

Электрические схемы bmw. BMW e39 электрические схемы АБС. БМВ е39 схема электрооборудования. Схема электрооборудования BMW 5 серии. БМВ е39 схема.

Электрические схемы bmw. Схема электрооборудования BMW e36. Схема панели приборов БМВ е36. Схема электропроводки БМВ е36. Электрическая схема приборной панели БМВ е34.

Электрические схемы bmw. Схема кондиционера BMW x1. Схема электрооборудования BMW e65 2004. W463 схема кондиционера 1997. Мерседес 400 220 2001 схема кондиционера.

Электрические схемы bmw

Электрические схемы bmw. Схема электропроводки BMW e90. Электрическая схема БМВ е60. BMW e60 электрическая схема. Схема электропроводки BMW e46.

Электрические схемы bmw. Схема БМВ е90. Схема BMW 3 e90. Схема Кан шины БМВ e90. Блок управления схема BMW e83.

Электрические схемы bmw. Схема электрооборудования БМВ е36. Схема электропроводки БМВ е34 м50. Электрическая схема BMW e36. Схема электрооборудования BMW e36.

Электрические схемы bmw. Электрическая схема BMW f10. BMW e39 электрические схемы АБС. Электрическая схема двигателя BMW m70. Эл схема блока АБС е39.

Электрические схемы bmw. Схема панели приборов БМВ е30. Схема приборной панели БМВ е39. Электрическая схема панели приборов Скания. Схема панели приборов Паджеро 3.

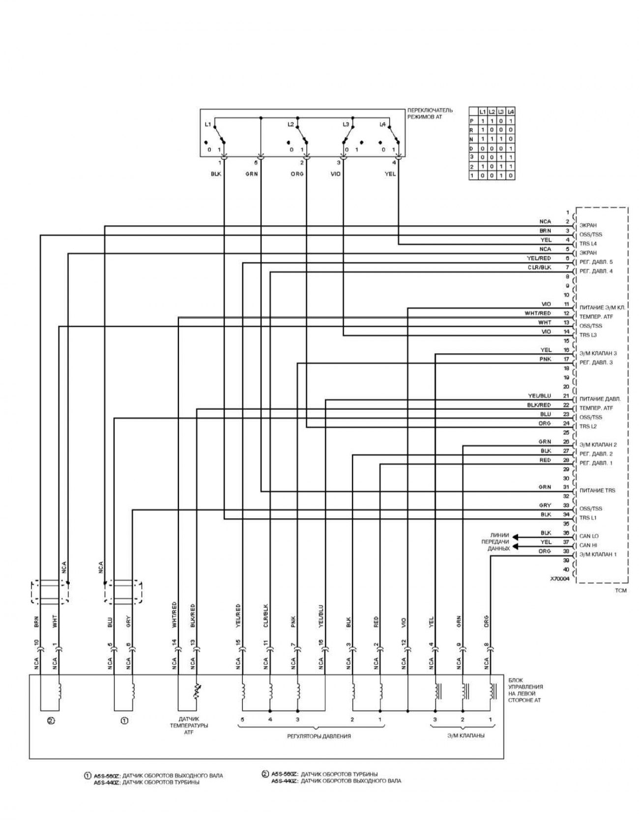
Электрические схемы bmw. Схема ЭБУ BMW m50. Схема ЭБУ БМВ е34 м50. Блок управления БМВ е34 схема. Схема управления двигателем BMW m43.

Электрические схемы bmw. Электросхема проводки BMW e90. BMW электросхема блок m46. Электросхема can BMW 3 2007. Схема BMW 3 e90.

Электрические схемы bmw. Электрическая схема BMW e46. Схема электропроводки BMW e46. BMW e60 электрическая схема. Электрическая схема БМВ x1.

Электрические схемы bmw. БМВ е39 схема электрооборудования. Схема электрооборудования BMW 520i. Электрическая схема зажигания BMW e39. Электрическая схема BMW м20 б25 BMW.

Электрические схемы bmw. Электрическая схема BMW e46. Электрическая схема BMW e39. Электросхема ABS системы e39. Электросхема BMW x6.

Электрические схемы bmw. Схема электрическая BMW x3 e83. ACDELCO e83 схема ЭБУ. Электрическая схема БМВ х3 е83. Электрическая схема двигателя БМВ x1.

Электрические схемы bmw. Схема блока парктроников е60. BMW e36 схема ЭБУ. Схема парктроника БМВ е39. Схема парктроников БМВ е60.

Электрические схемы bmw. Схема аудиосистемы БМВ е39. Электрическая схема БМВ е39. БМВ е39 схема электрооборудования. Схема электрики BMW e39.

Электрические схемы bmw

Электрические схемы bmw

Электрические схемы bmw. Электрическая схема БМВ е34. Схема электрическая BMW x5 e70. Схема проводки BMW e34. Схема электрооборудования BMW 520i.

Электрические схемы bmw. Схема звукового сигнала БМВ е39. Проводка БМВ е39 схема. BMW e39 электрические схемы АБС. BMW f15 электросхема кондиционера.

Электрические схемы bmw. Схема электрооборудования БМВ е36. Схема электрооборудования БМВ е46. Электрическая схема БМВ е39. Схема электрооборудования BMW e36.

Электрические схемы bmw. BMW e60 электрическая схема. Электрическая схемы БМВ е46. Схема электропроводки БМВ е39. BMW e70 электрическая схема.

Электрические схемы bmw

Электрические схемы bmw. Схема проводки БМВ е39 м52. Схема электрооборудования BMW e36. Схема электропроводки BMW e46. Эл схема БМВ е36.

Электрические схемы bmw. Схема аудиосистемы BMW e46. Электрическая схема BMW e46. Схема электрики БМВ е46. Схема проводки БМВ е46.

Электрические схемы bmw. Схема стеклоподъемников БМВ е34. Схема стеклоподъемников BMW e60. BMW e34 схема стеклоподъемника. Схема подключения стеклоподъемников БМВ е34.

Электрические схемы bmw

Электрические схемы bmw. BMW 3 e30 электросхемы. Схема электрооборудования БМВ е30. Электрическая цепь БМВ е36. Схема электропроводки BMW 3.

Электрические схемы bmw. Схема центрального замка BMW e39. БМВ е39 схема центрального замка. Схема центрального замка БМВ е34. Схема центрального замка BMW e46.

Электрические схемы bmw. БМВ е46 электросхема управления двигателем м43. Электрическая схема БМВ е60. Схема электропроводки BMW e90. Схема электрики BMW e39.

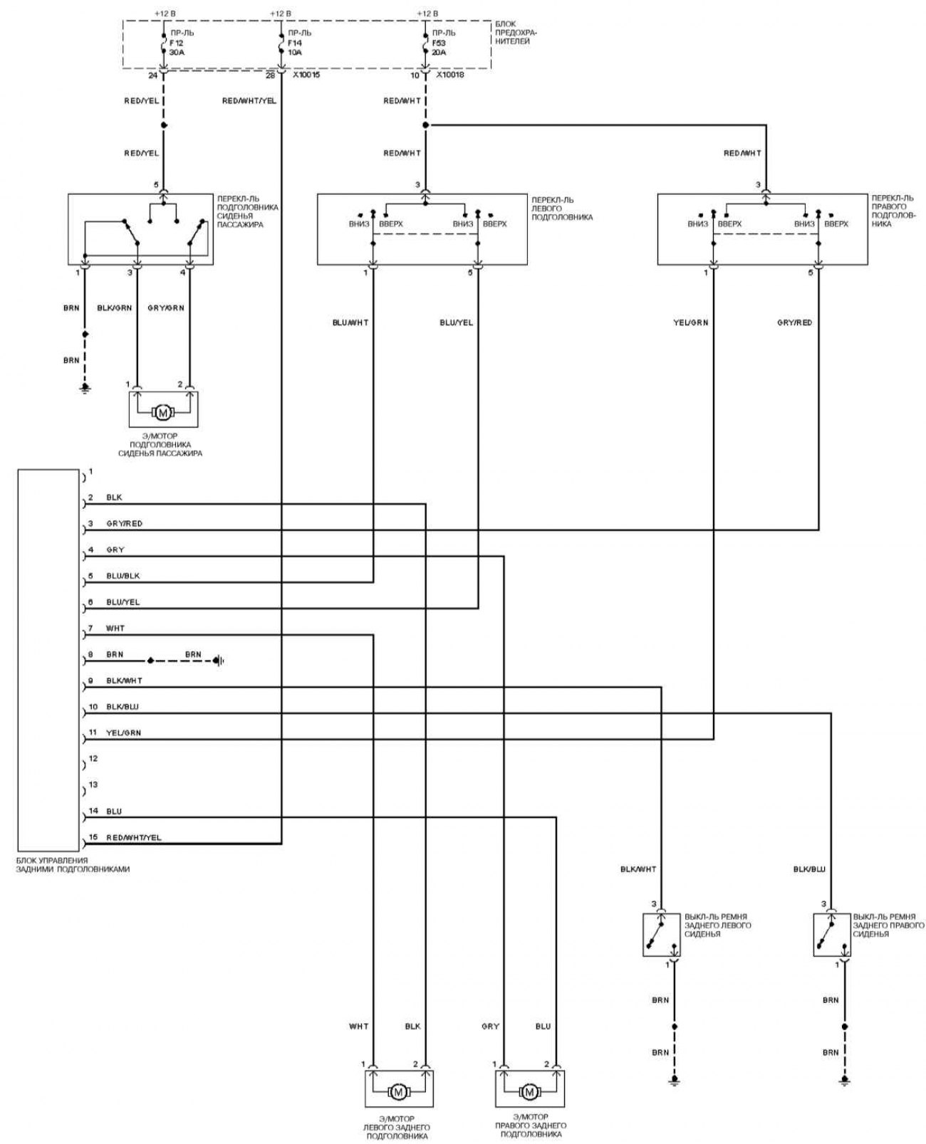
Электрические схемы bmw. Схема подключения сидений BMW e38. Схема питания электропривода сидений автомобиля. Схема электрооборудования БМВ 116. Электрическая схема БМВ х1.

Электрические схемы bmw. BMW f30 электросхема. BMW 650 GS схема электро. BMW x1 электрическая схема электрооборудования. Электрическая схема BMW f10.

Электрические схемы bmw. Схема электропроводки BMW e90. BMW f30 электросхема. Электрическая схема БМВ х5 е70. Электрическая схема БМВ х3 е83.

Электрические схемы bmw. Электросхема BMW e38 1996. Электросхема can БМВ е90. Схема электрооборудования БМВ 116. Электросхема БМВ Ф 30.

Электрические схемы bmw. Схема центрального замка BMW e34. Схема электрики BMW e39. Схема проводки БМВ е60.

Электрические схемы bmw. Электросхема электродвигателя Сименс 1bv5565 2ag. Электросхема двигателя 5ам315ма2. Электросхема двигателя MWWP 1079. Электросхема двигателя 6vd1.

Электрические схемы bmw

Электрические схемы bmw. Эл схема БМВ е36. Схема электрооборудования BMW 520i. Схема электрооборудования BMW e36 Compact. Схема электрооборудования БМВ е46.

Электрические схемы bmw. BMW x1 электрическая схема электрооборудования. Схема электрооборудования БМВ е46. Схема электропроводки BMW e46. Схема аудиосистемы BMW e46.

Электрические схемы bmw. Электросхемы BMW e34. Электрическая схема багажника e46. BMW x6 электрическая схема замка багажника. Электросхема замка багажника BMW e46.

Электрические схемы bmw. Схема центрального замка BMW e39. BMW e34 электросхема Центральный замок. Схема центрального замка БМВ е34. Схема БМВ е36 проводки Центральный замок.

Электрические схемы bmw. Схема звукового сигнала BMW e34. Схема электрооборудования БМВ е32. Схема сигнала клаксона BMW f10. Схема звукового сигнала БМВ е34.

Электрические схемы bmw

Электрические схемы bmw. Электрическая схема БМВ е38. Схема электрооборудования БМВ е66. Схемы электропроводки БМВ 7 е38. Схема электрооборудования БМВ 116.

Электрические схемы bmw. Схема электропроводки BMW e46. Схема управления двигателем BMW m43. Схема электрооборудования БМВ е46. BMW e60 схема электрооборудования.

Электрические схемы bmw

Электрические схемы bmw. БМВ е39 схема электрооборудования. Схемы электрооборудования BMW 5 e39. Схема кондиционера БМВ е39. Схема электрики BMW e39.

Электрические схемы bmw. Схема электрооборудования БМВ е32. Схема проводки БМВ е23. Схема проводки БМВ е32. Схема электрооборудования двигателя м50 БМВ.

Электрические схемы bmw. EDC BMW e38, схема. Схема BMW e66. Схема электрооборудования BMW e65 2004. Система EDC BMW e65.

Электрические схемы bmw. Схема электропроводки BMW e90. Схема омыватель Мерседес 124. Схемы электрооборудования БМВ е60. Схема электрооборудования БМВ 525.

Электрические схемы bmw

Электрические схемы bmw. Схема стеклоподъемников BMW e90. BMW e90 электрические схемы. Электрическая схема АБС БМВ к1200лт. BMW e39 электрические схемы АБС.

Электрические схемы bmw

Электрические схемы bmw. Электрическая схема BMW e34. Схемы электрооборудования BMW e34. Е34 схема дворников. БМВ е34 схема стеклоочистителя схема.

Электрические схемы bmw. BMW e60 схема электрооборудования. Электрическая схема БМВ е60. Электрический схемы BMW e53. BMW e90 электрические схемы.

Электрические схемы bmw. Электросхемы БМВ e36.

Электрические схемы bmw. Схема BMW x5 электрическая. Электросхема BMW x5 e70. Схема BMW e53. X5 e53 блок АБС схема.

Электрические схемы bmw. Электросхема центрального замка БМВ е39. Схема центрального замка BMW e34. Схема Электрооборудование БМВ е63. Схема проводки БМВ е38.

Электрические схемы bmw

Электрические схемы bmw. Схема Logic 7 BMW e65. Электрическая схема сидений БМВ х5. Электросхема БМВ е71. Схема стеклоподъемника BMW e90.

Электрические схемы bmw. Схема электрооборудования БМВ х6. Схема электрооборудования BMW e83. Схема электропроводки BMW e90. Электрическая схема БМВ х6 дизель.

Электрические схемы bmw. Электрическая схема БМВ х5 е53. Схема подключения фары БМВ х5 е53. Электросхема BMW e53. Электрическая схема света БМВ х5 е53.

Электрические схемы bmw

Электрические схемы bmw. BMW e34 электрическая схема стеклоподъёмников. Схема подключения стеклоподъемников БМВ е34. Схема стеклоподъемников БМВ е34. Схемы электрооборудования БМВ е60.

Электрические схемы bmw. Схема электрооборудования БМВ е30. Электрическая схема BMW e36. Электросхема кондиционера BMW e36. Схема поворотников БМВ е36.

Электрические схемы bmw. Электрическая схема BMW f10. Схема электрооборудования БМВ х6. Электросхема BMW x6. Электросхема BMW x5 e70.

Электрические схемы bmw. Схема электрооборудования BMW 520i. BMW 520 схема электрооборудования. Схема электропроводки БМВ е34 м20. Схема проводки е34 High.

Электрические схемы bmw. Схема замка зажигания БМВ е38. BMW e90 электрические схемы. BMW e60 схема электрооборудования. Схемы электропроводки БМВ 7 е38.

Электрические схемы bmw

Электрические схемы bmw. Схема стеклоподъемников БМВ е39. Электрическая схема стеклоподъемников BMW e34. Схема стеклоподъемника БМВ е34. Электрическая схема BMW e34.

Электрические схемы bmw. Электрическая схема BMW e46. Электросхема привода сидений BMW e46. BMW е46 электросхема центрального замка. Электросхема e39 530.

Электрические схемы bmw. BMW e87 электрическая схема. Схема сидения с электроприводом. Схема управления электроприводом сидений. BMW e39 схема электропривода сидений.

Электрические схемы bmw. Электрическая схема BMW e46. Электрическая схема BMW f10. Электро схема внешнего освещенияе83. Электросхема БМВ е63.

Электрические схемы bmw. Электросхема фонаря BMW e90. BMW e92 электросхема АКПП. Электро схема внешнего освещенияе83. Схема электрическая BMW x3 e83.

Электрические схемы bmw. Электросхема кондиционера BMW e34. Блок кондиционера BMW e34. Электрические схемы на БМВ f10. Схема кондиционера БМВ е34.

Электрические схемы bmw. Схема проводки БМВ е39 м52. Схема электрооборудования БМВ е46. BMW e60 электрическая схема. БМВ е39 схема электрооборудования.

Электрические схемы bmw. Электросхема BMW e34. Схемы электрооборудования BMW e34. Электрическая схема БМВ е34. Схема электрооборудования BMW 520i.

Электрические схемы bmw. Схема электрооборудования BMW e36. Электросхемы БМВ e36. Схема электрооборудования BMW e36 Compact. Схема электрооборудования БМВ е30.

Электрические схемы bmw. Электросхема BMW e53. Схема BMW x5 электрическая. BMW x5 e53 схема электрооборудования аудиосистемы. Электросхема фары BMW f30.

Электрические схемы bmw

Электрические схемы bmw. БМВ е39 схема электрооборудования. Электрическая схема БМВ е39 м52. Схема электрооборудования BMW 520i. Схема проводки БМВ е39 м52.

Электрические схемы bmw

Электрические схемы bmw

Электрические схемы bmw. Электросхемы БМВ e36. Схема электрооборудования BMW e36. Электросхема кондиционера BMW e34. Электросхема БМВ е36.

Электрические схемы bmw. Электрическая схема сидений БМВ х5. Электрическая схема БМВ е90. Электрические схемы БМВ f30. Схема электро сиденья БМВ х5 е53.

Электрические схемы bmw. Схема подключения электровентилятора БМВ е36. Схема подключения вентилятора е36. Схема подключения вентилятора BMW e39. Схема электропроводки стабилизации Cat 444e.

Электрические схемы bmw. Схема двигателя БМВ е90. Схема BMW 3 e90. Схема электрооборудования двигателя 72 куб. Электрическая схема двигателя БМВ x1.

Электрические схемы bmw. BMW x5 схема электрооборудования. Электрическая схема BMW f10. Электрическая схема БМВ х5 е53. Схема центрального замка БМВ е34.

  • Вперед Акт приема передачи документов образец простой в word
  • Назад Переходник воздуховода

Новые страницы

Адопт ми петы список все с картинками

Экспорт и импорт европы

Эль спорт

Фото отелей альбатрос в хургаде

Гдз по английскому языку 3 класс учебник 2 часть быкова поспелова в фокусе

Гдз по литературное чтение 4 класс учебник 2 часть

Генератор коротких импульсов схема

Ибанез электрогитара

Какой план лучше выбрать в гта 5 грузовой корабль или морская авантюра

Карта автомобильных дорог белоруссии с городами подробная

Карта мш 2

Карта трейн в кс го

Красивая спортивная телка

Кто был творцом мифов

Кузовной ремонт в орше

Лофт фитнес ярославль заволжский цены абонемент

Логотип газель в векторе

Лучшие американские мультфильмы

Маникюр метро сходненская

Распиновка моторчика стеклоочистителя ваз 2110

Разрыв сухожилия плечевого сустава лечение

Rl205 характеристики диода

Самые известные картины глазунова фото с названиями

Сигнализация шериф 1070 инструкция

Сколько стоит вспахать 1 сотку земли мотоблоком

Трамблер 2108 устройство

Тренировочный вариант 2 огэ математика 2023

Вяжу описания схемы

Задняя подвеска бмв х5 е53 схема с описанием и фото

Замена антифриза шевроле ланос

cdn.zecar.ru