Skip to content

Фотогалерея

  • Главная
  • Контакты

Электрическая схема подогрева сидений

Электрическая схема подогрева сидений

Электрическая схема подогрева сидений

Электрическая схема подогрева сидений. Подогрев сидений Опель Корса схема подключения. Opel Corsa d обогрев сидений схема. Opel Corsa d схема двери. Схема управления подогревом сиденья Корса д.

Электрическая схема подогрева сидений. Схема электропривода сидений Тойота. Схема сидений рав 4. Подключить электро сиденье Toyota rav4. Схема подключения подогрева сидений Toyota.

Электрическая схема подогрева сидений

Электрическая схема подогрева сидений. Схема подогрева сидений Мазда 626. Мазда 6 2008 схема подогрева сидений. Схема обогрева сидений Мазда 3. Mazda CX 5 схема подогрева.

Электрическая схема подогрева сидений. Схема кнопки обогрева сидений ВАЗ 2114. Схема подключения подогрева сидений ВАЗ 2110. Схема подключения подогрева сидений ВАЗ 2115. Схема соединения подогрева сидений ВАЗ 2110.

Электрическая схема подогрева сидений

Электрическая схема подогрева сидений

Электрическая схема подогрева сидений

Электрическая схема подогрева сидений

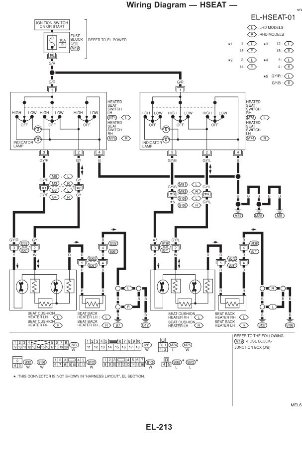
Электрическая схема подогрева сидений. Электрические схемы Nissan Almera н16. Nissan Almera n16 электросхемы. Электросхема стеклоподъемников Nissan Almera n16. Схема Audio Almera n16.

Электрическая схема подогрева сидений. Обогрев сидений Емеля схема подключения. Подогрев сидений Емеля схема подключения. Схема подключения штатного подогрева сидений 2110. Схема подключения подогрева сидений Нива Шевроле 2005г.

Электрическая схема подогрева сидений

Электрическая схема подогрева сидений

Электрическая схема подогрева сидений

Электрическая схема подогрева сидений. Схема подогрева сидений Субару. Схема управления подогревом сидений. Hyundai Matrix схема подогрева сидений. Электрическая схема подключения обогрева сидений.

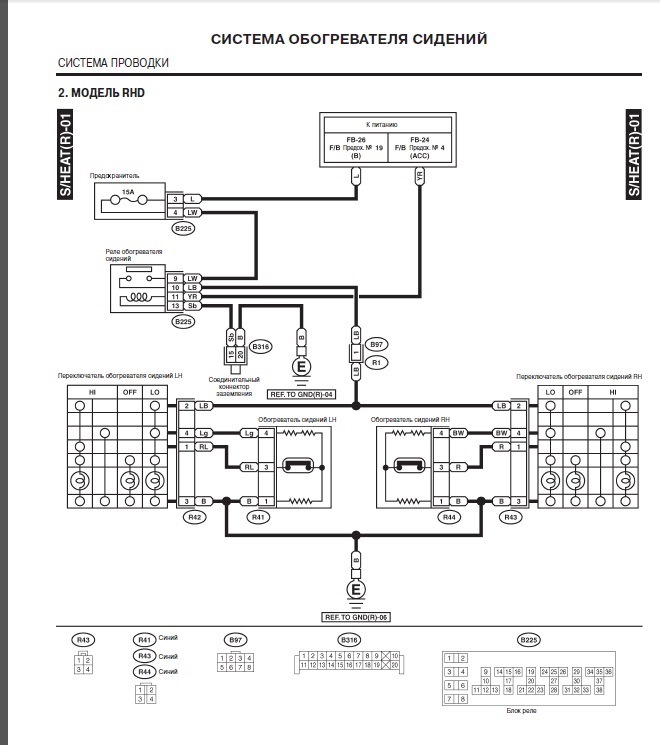
Электрическая схема подогрева сидений. Схема подогрева сидений Nissan Almera Classic. Схема подключения подогрева сидений Ниссан Альмера. Схема подогрева сидений Ниссан Альмера 2006г.. Схема обогрева сиденья Ниссан Альмера.

Электрическая схема подогрева сидений. Схема подключения обогрева сидений Ниссан. Micra k12 электросхема. Nissan схема обогрева сидений. Подогрев сидений на Ниссан Микра к12.

Электрическая схема подогрева сидений

Электрическая схема подогрева сидений

Электрическая схема подогрева сидений

Электрическая схема подогрева сидений

Электрическая схема подогрева сидений. Схема соединения подогрева сидений ВАЗ 2110. Блок обогрева сидений 2110 схема. Схема включения подогрева сидений 2110. Схема блока подогрева сидений ВАЗ 2110.

Электрическая схема подогрева сидений

Электрическая схема подогрева сидений. Схема подключения электрообогрева сидений. Hyundai Solaris подогрев сидений схема. Схема подогрева сидений Веста. Схема подключения клавиши подогрева сидений.

Электрическая схема подогрева сидений. Схема кнопки обогрева сидения Ниссан. Электросхема подогрева сидений. Ниссан Тиида 2008 электрическая схема обогрева сидений. Nissan Qashqai схема обогрева сидений.

Электрическая схема подогрева сидений. Схема подключения кнопки обогрева сидений. Схема подключения обогрева сидений ВАЗ 2110. Схема кнопки обогрева сидений. Схема подключения кнопок для подогрева сиденья.

Электрическая схема подогрева сидений

Электрическая схема подогрева сидений

Электрическая схема подогрева сидений. Схема подключения обогрева сидений с АЛИЭКСПРЕСС. Схема подключения подогрева сидений с АЛИЭКСПРЕСС. Схема подключения регулятора подогрева сидений. Схема подогрева сидений Лачетти.

Электрическая схема подогрева сидений

Электрическая схема подогрева сидений. Схема подключения подогрева сидений Ларгус. Схема подключения подогрева сидений Лада Ларгус. Схема включения обогрева передних сидений Веста. Ларгус схема подогрева передних сидений.

Электрическая схема подогрева сидений

Электрическая схема подогрева сидений. Кнопка подогрева сидений Nissan схема. Схема подогрева сидений Ниссан Альмера g15. Схема подогрева сидений Nissan Pathfinder r51. Схема подогрева сидений Nissan Note.

Электрическая схема подогрева сидений. Кнопка подогрева сидений Тойота схема. Схема подключения китайского подогрева сидений.

Электрическая схема подогрева сидений. Схема обогрева сидений УАЗ Патриот. 2123 Схема включения подогрева сидений. Схема подогрева сидений Нива Шевроле. Схема подключения подогрева сидений Шевроле Нива.

Электрическая схема подогрева сидений

Электрическая схема подогрева сидений. Схема подогрева сидений Рено Логан 1. Подогрев сидений 2110 схема. 2123 Схема включения подогрева сидений. Схема блок управления подогревом сидений Приора 1.

Электрическая схема подогрева сидений. Ford Focus 3 подогрев сидений схема. Форд фокус 2 кнопки обогрева сидений схема. Форд фокус 3 схема подключения подогрева сидений. Форд фокус 2 Эл.схема подогрева сидений.

Электрическая схема подогрева сидений. Подогрев сидений схема Ниссан Сентра 2015. Схема подогрева сидений Nissan Sentra. Nissan Sentra обогрев сидений Эл. Схема. Nissan Sentra v b15 подогрев сидений.

Электрическая схема подогрева сидений. Схема соединения подогрева сидений ВАЗ 2110. Схема подключения обогрева сидений ВАЗ 2110 штатная. Схема проводки подогрева сидений ВАЗ 2112. Схема обогрева сидений ВАЗ 2110.

Электрическая схема подогрева сидений. Nissan Qashqai схема обогрева сидений. Ниссан Кашкай 2008 схема обогрева сидений. Подогрев сидений Кашкай 2 2014 схема. Подогрев задних сидений Nissan схема.

Электрическая схема подогрева сидений. Схема подключения подогрева сидений Шевроле Круз. Схема обогрева сидений Шевроле Круз. Chevrolet Cruze схема подогрева сидений. Схема обогрева сидений Шевроле Лачетти.

Электрическая схема подогрева сидений. Электросхемы Ниссан х-Трейл т31. Схема управления стеклоподъемниками Ниссан х-Трейл т31. Схема стеклоподъемников Ниссан х Трейл т31. Электросхемы Nissan x Trail t31.

Электрическая схема подогрева сидений. Схема подогрева сидений Фольксваген. Схема подогрева сидений VW t5. Схема обогрев сидений т5. Схема подключения подогрев сидений на Фольксваген т4.

Электрическая схема подогрева сидений. Подогрев сидений Субару Форестер sg5. Субару Форестер электросхемы. Ниссан Кашкай схема включения подогрева сидений. Электрическая схема Субару Форестер sg5.

Электрическая схема подогрева сидений. Блок предохранителей около АКБ Insignia. Распределение электропитания в автомобилях. Система зарядки аккумулятора Опель. Ввод питания шиной сзади.

Электрическая схема подогрева сидений

Электрическая схема подогрева сидений. Схема подогрев сиденья lc100. 0001740 Arkan-MP 2018 sxema potkliuchenia.

Электрическая схема подогрева сидений

Электрическая схема подогрева сидений

Электрическая схема подогрева сидений. Схема подключения подогрева сидений авто. Схема подключения подогрева сидений Нива 21214. Схема подключения переднего сидения обогрев. Схема подключения обогрева сидений.

Электрическая схема подогрева сидений

Электрическая схема подогрева сидений

Электрическая схема подогрева сидений. Схема подключения обогрева сидений Нива Шевроле. Схема обогрева сидений Нива Шевроле. Схема проводки подогрева сидений Нива Шевроле. Схема подключения обогрева сидений Нива 21214.

Электрическая схема подогрева сидений. Схема подключения подогрева сидений 2110. Схема блока управления подогрева сидений ВАЗ 2110. Схема соединения подогрева сидений ВАЗ 2110. Схема подключения подогрева сидений ВАЗ 2110.

Электрическая схема подогрева сидений. Схема обогрева кресла Subaru XV. Схема подогрева сидений Субару. Схема обогрева сидений Subaru Impreza 2008. Схема проводки сиденья Subaru Legacy.

Электрическая схема подогрева сидений. Схема подогрева сидений Лада Веста. Схема подогрева сидений Рено Логан 1. Схема обогрева сидений Лада Веста. Схема подогрева сидений Веста.

Электрическая схема подогрева сидений

Электрическая схема подогрева сидений. Схема подогрева сидений Шевроле Каптива. Схема обогрева сидений Шевроле Каптива с100. Электрическая схема Шевроле Каптива с140. Электрическая схема Captiva c140.

Электрическая схема подогрева сидений

Электрическая схема подогрева сидений. Подогрев сидений для Рено Флюенс схема. Рено Логан схема обогрева сидений. Схема обогрева сидений Рено Сандеро. Renault Fluence схема обогрев сидений.

Электрическая схема подогрева сидений. Ниссан Кашкай схема подогрева сидений. Nissan подогрев сидений схема. Схема обогрева сидений Ниссан х Трейл.

Электрическая схема подогрева сидений. Схема сидения с электроприводом. Подключение электропривода сидений на схеме. Схема электропривода сидений Honda Pilot 2. Схема электропривода сидений Тойота.

Электрическая схема подогрева сидений

Электрическая схема подогрева сидений

Электрическая схема подогрева сидений

Электрическая схема подогрева сидений. Схема подключения подогрева сиденья Лифан Солано. Реле подогрева сидений чери Тигго т11. Lifan x60 подогрев сидений схема. Схема подогрева сиденья Лифан х60.

Электрическая схема подогрева сидений. Схема подогрев сидений на Рено Логан 1 поколения. Обогрев сидений Рено Логан 2 схема. Схема подогрева сидений Рено Логан. Схема подогрева передних сидений Веста.

Электрическая схема подогрева сидений. Электрическая схема подогрев сидений Volkswagen Polo. Фольксваген поло подогрев сидений схема. Блок управления подогревом сидений VW Polo схема. Схема подогрева сидений VW t5.

Электрическая схема подогрева сидений. Toyota Cruiser 200 электросхема подогрева сидений. Тойота Авенсис 2005 обогрев сидений схема. Электрическая схема подогрева сидений Тойота ленд Крузер Прадо 120. Тойота Прадо 150 схема подключение обогрева сидений.

Электрическая схема подогрева сидений

Электрическая схема подогрева сидений. Схема топливного насоса Киа спектра. Схема подключения стартера спектра. Схема подогрева передних сидений Киа Рио. Схема подогрева сидений Киа Рио.

Электрическая схема подогрева сидений

Электрическая схема подогрева сидений. Схема подключения обогрева сидений Ниссан. Nissan подогрев сидений схема. Схема подключения подогрева сидений Nissan Teana j32. Инфинити fx35 схема подключения обогрева сидений.

Электрическая схема подогрева сидений. Подогрев сидений х Трейл т30. Электросхемы Nissan x Trail t31. Схема обогрева сидений Nissan x Trail. Электросхемы Ниссан х-Трейл т31.

Электрическая схема подогрева сидений. Шевроле Круз электросхема подогрева сидений. Схема подогрева сидений Шевроле Лачетти. Схема обогрева сидений Шевроле Лачетти. Электро схема подогрева сидений Шевроле Круз.

Электрическая схема подогрева сидений. Схема подключения обогрева сидений Калина 2. Схема подогрева сидений Лада Гранта. Схема подключения обогрева сидений на калину 1. Схема подключения электрообогрева сидений.

Электрическая схема подогрева сидений. Схема подключения подогрева сидений Toyota. Toyota Avensis 2 реле подогрева сидений. Схема подключения обогрева сидений Веста. Электросхема подогрева сидений.

Электрическая схема подогрева сидений. Схема подогрева сидений Mitsubishi Outlander 2006. Митсубиси Лансер 9 подогрев сидений схема. Схема кнопки подогрева сидений Митсубиси Лансер 10. Схема подогрева сиденья Mitsubishi.

Электрическая схема подогрева сидений. Схема подогрева сиденья BMW. Подогрев сидений БМВ е39 схема. Схема подключения обогрева сидений БМВ е39. Схема подключения подогрева сидений БМВ е39.

Электрическая схема подогрева сидений. Ford Focus 3 подогрев сидений схема. Схема включения обогрева сидений на Опель Мокка. Ford Mondeo обогрев сидений схема.

Электрическая схема подогрева сидений. Подогрев сидений Емеля схема подключения. Подогрев сидений Емеля УК-1 схема подключения. Блок управления подогревом сидений Емеля. Схема подогрева сидений Емеля 3.

Электрическая схема подогрева сидений. Схема блока управления подогрева сидений ВАЗ 2110. Подогрев сидений ВАЗ 2110 схема подключения проводов. Схема монтажа подогрева сидений Лада Гранта. Блок кнопок подогрева сидений ВАЗ-2110 схема.

Электрическая схема подогрева сидений. Схема подключения подогрева сидений ВАЗ 2114. Схема подключения подогрева сидений 2114. Схема подогрева передних сидений ВАЗ 2115. Штатная схема подогрева сидений ВАЗ 2114.

  • Вперед Что такое звук и буква
  • Назад Кандило

Новые страницы

15С22нж ду25

Без топора не ездят по дрова

Близнецы уизли рисунок

Что можно нарисовать акварелью легко и красиво для начинающих легко поэтапно

Цирк схема зала

Если точка лежит на биссектрисе угла то она равноудалена

Фурнитура для пнд труб водоснабжения

Гдз по математике 4 класс учебник стр 54 номер 7

Гдз по русскому номер 719

Инструкция camelion bnd 50 sg3

Как разобрать обшивку двери приора

Карта ирана и ирака

Карта пляж

Кот с айфоном картинки

Культурное пространство империи во второй половине 19 века русская литература таблица

Математика 4 класс 2 часть 224

Ниппель ду 25

Номер 265 геометрия

Номер ритуальных услуг

Программа для рисования плат

Ремонт дин магнитол

Сделать проект электрики частного дома

Спорт 1934

Спорт плавания рисунок

Вега 341 схема

Виды ветров схема

Викинги плариум

Январь 4 схема

Замена рамки дисплея iphone 6

Заявление участковому о выселении незаконно проживающих граждан образец

cdn.zecar.ru