Skip to content

Фотогалерея

  • Главная
  • Контакты

Электрическая схема пк

Электрическая схема пк. Схема принципиальная ZX Spectrum 128. ZX Spectrum схема принципиальная. Электрическая схема компьютера ZX Spectrum 48. ZX Spectrum 48k схема.

Электрическая схема пк. Принципиальная электрическая схема процессора. Микропроцессор лс1-01 схема электрическая. Схема электрооборудования ПК 2020 Амкадор. Принципиальная схема первого процессора.

Электрическая схема пк. Кр580вг75 схема. Кр580вг75 схема включения. Схема блока питания компьютера радио 86рк. Радио РК 86 печатная плата.

Электрическая схема пк. Электрическая схема компьютера ZX Spectrum 48. ZX Spectrum схема принципиальная. ZX Spectrum 128 контроллер PC/2. ZX AVR схема.

Электрическая схема пк. Принципиальная схема процессора z80. Рк86 схема. Компьютер радио 86рк схема. Схема процессора принципиальная схема.

Электрическая схема пк

Электрическая схема пк

Электрическая схема пк. 580вм80 схема включения. ЭВМ на базе микропроцессора к580вм80. Принципиальная схема подключения контроллера. Схема подключения кр580вм80а.

Электрическая схема пк. Электронная схема процессора ПК. ЭВМ на базе микропроцессора к580вм80. Прибор кросса ПК-60 схема электрическая. 580 Процессор схема.

Электрическая схема пк. Кр580вм80а схема включения. Контроллер дисковода для ZX Spectrum схема. Кр580вг75 схема включения. Принципиальная схема процессора z80.

Электрическая схема пк. Компьютерный блок питания 200 ватт схема. Блок питания для компьютера на 500 ватт схема. Компьютерный блок питания 230 ватт схема. Блок питания компьютера 200 ватт Эл.схема.

Электрическая схема пк

Электрическая схема пк. Схема компьютерной материнской платы. Схема современной материнской платы. Схема основных элементов материнской платы. Схема мат платы ПК.

Электрическая схема пк

Электрическая схема пк. Структурная схема системного блока ПК. Структурная блок схема ПК. Схема функциональных блоков ПК. Составляющие системного блока таблица.

Электрическая схема пк. Кр580вм80а схема включения. К580вм80 схема. Микропроцессорная система на базе кр580вм80а. Процессор кр580вм80а схема.

Электрическая схема пк

Электрическая схема пк. Принципиальная электрическая схема процессора. Принципиальная схема компьютера. Схемы электрические принципиальные ПК. Электронная схема компьютера.

Электрическая схема пк. Схема бк0011м. Схема бортового компьютера Орион БК 03. Бортовой компьютер Орион БК-03 схема подключения. Электрическая принципиальная схема оперативной памяти.

Электрическая схема пк. Схема электрическая принципиальная блока питания. Принципиальная электрическая схема блока питания компьютера. Структурная схема источника питания АТХ. Принципиальная схема блока питания бп4.

Электрическая схема пк

Электрическая схема пк

Электрическая схема пк. Кр1816ве39 схема. Бортовой автомобильный компьютер БК-09 схема принципиальная. Кр1816ве39 схема включения. Принципиальная схема автомобильного бортового компьютера бк3.

Электрическая схема пк. Схема ATX блока питания 750w. Схема БП АТХ 400w. Схема компьютерного блока питания АТХ-400pnf. Схема импульсного блока питания компьютера 450w.

Электрическая схема пк. ZX Spectrum 48k схема. ZX Spectrum 128 схема. Схема принципиальная ZX Spectrum 128. ZX Spectrum Ленинград схема.

Электрическая схема пк

Электрическая схема пк

Электрическая схема пк. ZX Spectrum плата схема. Схема электрическая принципиальная материнской платы. Материнская плата схема электрическая принципиальная. ZX Spectrum Краснодарский вариант схема.

Электрическая схема пк. Электрическая схема клавиатуры компьютера. Клавиатура компьютера схема принципиальная электрическая. Принципиальная схема USB клавиатуры. Матрица кнопок клавиатуры схема принципиальная.

Электрическая схема пк. Структурная схема компьютера Назначение основных устройств. Структурная схема системного блока ПК. Схема структуры системы персональный компьютер. Структурная блок схема персонального компьютера.

Электрическая схема пк. Принципиальная схема блока питания компьютера. Компьютерный блок питания схема электрическая принципиальная. Схема БП АТ 200w. Принципиальная блок схема блока питания ПК.

Электрическая схема пк

Электрическая схема пк. Электрическая схема материнской платы. Принципиальная электрическая схема процессора. Схема электрическая принципиальная материнской платы. Материнская плата принципиальная схема.

Электрическая схема пк. Электрическая принципиальная схема микроконтроллера МК 51. Кр580вг75 схема. Программирование микроконтроллера MCS-51. Схема принципиальная с dd1 dd2 dd3.

Электрическая схема пк. Компьютерный блок питания схема электрическая принципиальная. Компьютерный блок питания 200 ватт схема. Схема БП компьютера 200w. Схема компьютерного блока питания 400w.

Электрическая схема пк

Электрическая схема пк

Электрическая схема пк. Кр537ру3а схема включения. Кр580вг75 схема. Кр580вг75 схема включения. Принципиальная схема ПЗУ.

Электрическая схема пк

Электрическая схема пк. ZX Spectrum Ленинград 1 схема. Sinclair ZX Spectrum схема. ZX Spectrum Ленинград 2 схема. ZX Spectrum схема принципиальная электрическая.

Электрическая схема пк. Схема импульсного блока питания компьютера 300w. Компьютерный блок питания 200 ватт схема. Принципиальная схема компьютерного блока питания 200 ватт. Схема БП АТ 200w.

Электрическая схема пк. Структурная схема процессора i80486. Блок схема процессора Intel. Принципиальная схема процессора Intel Core. Схема взаимодействия процессора и ОЗУ.

Электрическая схема пк. Схема подключение материнской платы ПК. Материнская плата схема подключения питания ПК. Схема основных компонентов материнской платы. Устройство материнской платы компьютера ASUS.

Электрическая схема пк. Atari 130xe схема. Видеомагнитофон GOLDSTAR rn800aw схема. Monitor Atari sc1425 schematic. 6502 CPU схема АОН.

Электрическая схема пк. Микроша 500 ПЗУ схема. Схема ЭВМ Микроша. Блок питания Микроша схема. Рк86 схема.

Электрическая схема пк

Электрическая схема пк

Электрическая схема пк. Структурная схема ПК открытого типа. Структурная схема системного блока ПК. Структурная блок схема ПК. Структурная схема ПК основные устройства и их взаимосвязь.

Электрическая схема пк. Принципиальная схема компьютера. Электронная схема компьютера. Схема компьютера схема. Общая схема устройства компьютера.

Электрическая схема пк. Бк0010 схема. Kay 1024к ZX Spectrum. Kay1024 схема. Принципиальная схема БК 001.

Электрическая схема пк

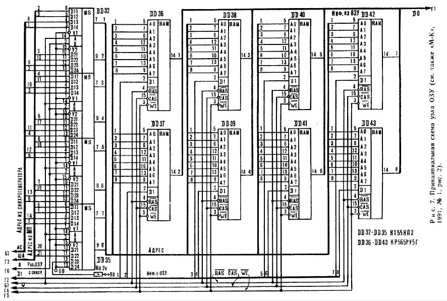
Электрическая схема пк. Электрическая схема ОЗУ. Электрическая схема оперативной памяти ddr3. Принципиальная схема ОЗУ ddr3. Структурная схема ОЗУ Ram.

Электрическая схема пк

Электрическая схема пк. Схема подключения проводов персонального ПК. Схема подключения блоков ПК И периферийных устройств. Схема электрическая подключения ПЭВМ. Схема соединения элементов ПК.

Электрическая схема пк. Бортовой компьютер штат 110х4-м принципиальная схема. Бортовой компьютер Орион БК-03 схема подключения. Схема бк0011м. Orion бортовой компьютер схема.

Электрическая схема пк

Электрическая схема пк. Схема бк0011м. Бортовой компьютер Орион БК-06 схема принципиальная электрическая. Контроллер дисковода для ZX Spectrum схема. Бк30м схема электрическая принципиальная.

Электрическая схема пк. Принципиальная электрическая схема штат 110х5. Схема электрическая принципиальная БК штат 110х5-м. Принципиальная электрическая схема штат 110х5 Magnum. Электрическая принципиальная схема прибора автомобиля.

Электрическая схема пк

Электрическая схема пк. Схема ZX Spectrum Ленинград 48. ZX Spectrum Ленинград схема. ZX Spectrum 128 схема. ZX Spectrum Ленинград 2 схема.

Электрическая схема пк. Компьютерный блок питания 200 ватт схема. Ac150swled.eup.3.0 схема. Компьютерный блок питания схема электрическая принципиальная. Bosch al 1860 CV схема.

Электрическая схема пк. Контроллер клавиатуры USB схема. Схема распайки клавиатуры на компьютер. Схема принципиальная клавиатуры Logitech. Схема платы механической клавиатуры.

Электрическая схема пк. Схемы переделки компьютерных блоков питания в лабораторные. Регулируемый блок питания 12в из компьютерного блока питания. Лабораторный блок питания из компьютерного блока питания tl494. Лабораторный блок питания из компьютерного БП АТХ схема.

Электрическая схема пк

Электрическая схема пк

Электрическая схема пк. Микропроцессор лс1-01 схема электрическая принципиальная. Принципиальная схема процессора пентиум 4. Схема электрическая принципиальная процессора Intel. Электронная схема процессора z80.

Электрическая схема пк. Компьютерный блок питания схема электрическая принципиальная. Схема блока питания ПК ATX. Схема блока питания компьютера ATX 450w. Схема компьютерного блока питания АТХ 300 ватт.

  • Вперед Иппк институт переподготовки и повышения квалификации
  • Назад Труба пнд политэк

Новые страницы

15 Спортивных игр

Автомат выключатель ва 47 29

Eggs исчисляемое или неисчисляемое

Ерш для чистки дымохода 180мм

Фоны для презентации красивые строгие для диплома

Гдз по англ языке

Гдз по математике 1067

Государственные программы и национальные проекты разница

Характеристика на сотрудника с места работы образец по месту требования скачать в ворде

Как померить вылет диска вручную

М9 карта трасса

Милан собор дуомо

Ногинск раменское карта

Новгород город спорта

Образец договора аренды земельного участка между физическими лицами

Образец письма об изменении назначения платежа

Описание спортивной одежды

Приглашение образец шаблон

Пульс человека при тренировках

Распиновка разъема сузуки гранд витара

Rcl371 1 3 4

Русский язык 7 класс ладыженская упр 369 часть 2

Схема двигателя авео т300

Схемы путевого развития метрополитенов

Слово образ спорт

Сочинение на тему мертвые и живые души в поэме гоголя мертвые

Спортивный костюм женский цена

Тренинг предполагает

Уведомление о переходе на усн при регистрации ооо образец

Замена ремня грм на калине

cdn.zecar.ru