Skip to content

Фотогалерея

  • Главная
  • Контакты

Электрическая схема фар

Электрическая схема фар. Схема подключения передних фар ВАЗ 2106. Схема подключения ближнего света фар ВАЗ 2106. Схема подключения реле света фар на ВАЗ 2106. Схема подключения реле на Ближний свет на ВАЗ 2106.

Электрическая схема фар. Скания электросхемы задних фонарей. Схема электрооборудования кондиционера Форд фокус 1. Схема электрооборудования Форд Транзит 2010. Электропроводка фары HOWO t5g.

Электрическая схема фар. Электросхема освещения Нива 21214. Реле ближнего света фар Нива Шевроле. Переключатель наружного освещения автомобиля Нива 21213. Схема включения ближнего света фар Нива Шевроле.

Электрическая схема фар. Москвич 2141 схема электрооборудования. Схема фар Москвич 2141. Схема подключения фар Москвич 2141. Схема зарядки Москвич 2141.

Электрическая схема фар. Схема подключения корректора фар акцент. Схема корректора фар акцент. Схема подключения корректора фар. Корректор фар Tucson 2008.

Электрическая схема фар. Схема подсветки салона Форд фокус 3. Форд Мондео 3 схема передних противотуманок. Ford Focus 1 блок управления светом схема. Ford Mondeo 3 схема ближнего света.

Электрическая схема фар. Электрическая схема Toyota Camry v40. Схема электропроводки Toyota Camry 2006 года. Схема электрооборудования Toyota Camry 40. Toyota Camry v40 электросхема центрального.

Электрическая схема фар. Фиат Альбеа схема корректора фар. Электрокорректор фар Фиат Альбеа. Схема электрокорректора фар ГАЗ 3110. Электрическая схема подключения корректора фар.

Электрическая схема фар. Схема фары Киа Рио 3. Киа Рио схема подключения фар. Схема проводки противотуманных фар Киа Рио 3. Киа Рио 3 схема передних фар.

Электрическая схема фар. Схема ближнего света Газель 3302. Схема дальнего и ближнего света Газель 3302. Реле ближнего света Газель 3302. Схема ближнего света Газель.

Электрическая схема фар. Opel Astra h электросхема. Электрическая схема Opel Astra h 2006. Гольф 3 электросхема фар.

Электрическая схема фар. Электрический схема Opel Zafira 2001. Электрические схемы Opel Zafira 2008. Опель h 2008г. 1.7 Дизель схема управления вентиляторами.

Электрическая схема фар. BMW x5 электросхема ABS. Электросхемы BMW f01. Электросхема BMW x5 e53 4.4. Электросхема фар Мультиван 2015.

Электрическая схема фар. Реле ближнего света фар Нива 2121. Схема ближнего света фар Нива 2121. Реле включения ближнего света фар 2121 Нива. Реле на фары дальнего и ближнего света ВАЗ 21213.

Электрическая схема фар. Шевроле Лачетти электросхема фар. Схема электрооборудования Лачетти хэтчбек. Эл.схема ПТФ Шевроле Лачетти. Схема ближнего света Chevrolet Lacetti 2012.

Электрическая схема фар. Схема подрулевого переключателя УАЗ 469. Схема подключения подрулевых переключателей УАЗ 469. Реле дальнего света УАЗ 469. УАЗ 469 переключатель поворота схема.

Электрическая схема фар. Схема проводки ВАЗ 2106 Дальний свет. Схема проводки ближнего света ВАЗ 2106. ВАЗ 2106 Дальний свет схема. Схема проводки освещения ВАЗ 2106.

Электрическая схема фар. Подключение дополнительные фары ближнего света схемы. Схема включения дальнего света фар. Схема противотуманных фар КАМАЗ. Схема подключения дополнительных фар дальнего света.

Электрическая схема фар. Схема включения ближнего и дальнего света фар. Схема ближнего и дальнего света ВАЗ 2110. Схема включения ближнего света фар ВАЗ 2110. Реле включения ближнего света фар ВАЗ 2110.

Электрическая схема фар. Схема фонаря заднего хода Mazda 3 BL. Электрические схемы фонарей заднего хода Даф 95. Схема фонарей заднего хода Хонда Аккорд 9. Амкодор 422 электрическая схема фонарей заднего хода.

Электрическая схема фар

Электрическая схема фар. Схема подключения реле автомобильного на противотуманные фары. Схема подключения фар через реле на авто. Схема подключения подключения противотуманных фар. Схема подключения фар автомобиля через реле.

Электрическая схема фар. Переключатель света фар Киа спектра схема. Схема проводки Kia Spectra 2008. Электрическая схема противотуманных фар Киа Спортейдж 1. Электрическая схема включения фар Киа спектра 2007.

Электрическая схема фар. Схема подключения фар ближнего света на газели. Подключение дополнительные фары ближнего света схемы. Переключатель схема дальнего света и ближнего света. Газель реле Ближний свет фар.

Электрическая схема фар. Реле включения дальнего света фар Приора 1. Схема включения ближнего света фар Калина 2.

Электрическая схема фар. Распиновка задних фонарей Форд Мондео 4. Проводка фонаря заднего хода Mondeo 4. Форд Мондео 3 схема электрооборудования освещения. Распиновка фары Форд Мондео 3.

Электрическая схема фар. Prado 120 корректор фар схема. Схема фар Форд Мондео 1993. Автоматическая коррекция фар схема электрическая. Терракан электро схемы фар.

Электрическая схема фар. Схема ближнего света Ланос 1.5. Схема подключения фар на Лачетти хэтчбек. Схема фар на Lacetti. Распиновка фары Лачетти.

Электрическая схема фар. Электросхема Клио 2. Схема электрооборудования Renault Clio 2. Ретрофит фар электросхема. Рено Clio 3 электросхема.

Электрическая схема фар. Схема включения ближнего света Калина 1. Схема включения ближнего света фар Приора. Схема подключения ближнего света фар Калина 1.

Электрическая схема фар. Схема электрическая принципиальная ВАЗ 2107 карбюратор. ВАЗ 2107 схема электрооборудования. Схема электрооборудования ВАЗ 2107 инжектор. Схема проводки ВАЗ 21074 карбюратор.

Электрическая схема фар. Реле ближнего и дальнего света УАЗ 469. Реле дальнего света УАЗ 469. Реле света фар УАЗ 469. Реле фар УАЗ 469.

Электрическая схема фар. Калина 1118 схема ближнего света. Электросхема Приора 1 Ближний свет.

Электрическая схема фар. Хундай Портер н 1 схема противотуманных фар. Схема реле генератора Хендай Галлопер 1. Galloper Hyundai схема электрооборудования. Схема электропроводки ближнего фары Хундай Портер 1.

Электрическая схема фар. Схема включения фар Газель. Схема противотуманных фар Газель 3302. Схема подключения фар Газель 3302. Схема подключения ПТФ ГАЗ 3110.

Электрическая схема фар. Переключатель очистителя ветрового стекла ВАЗ 2121. Омыватель фар ВАЗ 21213. Электросхема омывателя ВАЗ 2107. Схема подключения дворников фар Нива 21213.

Электрическая схема фар. Реле переключения Дальний свет ВАЗ 2110. Схема подключения автомобильных фар Ближний-Дальний свет. Схема фар дальнего света на ВАЗ 2110. 581.3710А схема подключения.

Электрическая схема фар. Электрическая схема BMW e60. Электросхема BMW e53. Электросхема стеклоподъемников БМВ е39. BMW x5 e53 блок стеклоподъемников схема.

Электрическая схема фар. Электрическая схема Opel Astra h 2006. Схема фонарей Opel Astra h.

Электрическая схема фар. Схема включения фар 2106. ВАЗ 2106 Дальний свет схема. Схема подключения ближнего света фар ВАЗ 2106. Схема подключения фар ВАЗ 2106.

Электрическая схема фар. Схема включения противотуманных фар ВАЗ 2115. Схема включения задних ПТФ ВАЗ 2114. Схема задних противотуманных фар ВАЗ 2115. Схема ВАЗ 2115 электропроводки освещения салона.

Электрическая схема фар. Реле ближнего и дальнего света Волга 31029. Схема подключения ближнего света фар. Схема подключения фар ГАЗ 3110. Волга 3110 электросхема ближнего света фар.

Электрическая схема фар. Реле фар Нива 2121. Реле света фар Нива 2121. Схема ПТФ Нива 21213. Схема подключения задних противотуманных фонарей Нива 21214 инжектор.

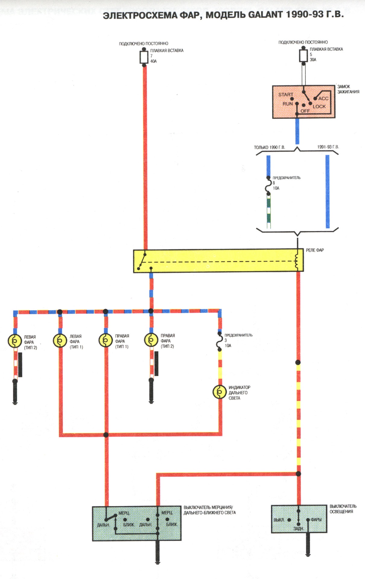
Электрическая схема фар. Схема фара Mitsubishi Galant 8. Электросхема Митсубиси Галант 8. Схема проводки фар Митсубиси Галант. Электросхема Митсубиси Галант включение фар.

Электрическая схема фар. E53 электросхема АБС. Электросхема фонаря BMW e90. Электросхема фары p4279. Внутренняя электросхема фары Приоры.

Электрическая схема фар. Шкаф УО шкаф УО ШУНО И-710 у2. Схема внешнего освещения Opel Astra f 1992. Схема наружного освещения Legacy 2007. Электросхема фар.

Электрическая схема фар. Схема ПТФ Opel. Схема электрооборудования Opel Vectra c. Электросхема противотуманных фар Опель Вектра б. Схема ближнего света Опель Вектра а.

Электрическая схема фар. Гольф 2 1.6 реле противотуманных фар. Seat Leon электросхемы. Реле задних противотуманных фар гольф 3.

Электрическая схема фар. Схема подключения фар ВАЗ 2107. Схема проводки фар ВАЗ 2107 карбюратор. Схема проводки габаритов ВАЗ 2107 инжектор. Схема ближнего света фар ВАЗ 2107.

Электрическая схема фар. Схема подключения противотуманных фар на Тойота. Схема противотуманных фар Тойота Эстима 2003.

Электрическая схема фар. Схема включения дальнего света фар. Схема подключения противотуманок УАЗ. Схема подключения ближнего света фар. Схема подключения диодных фар.

Электрическая схема фар

Электрическая схема фар. Схема подключения корректора фар. Электрическая схема корректора фар. Схема корректора фар Калина 2. Реле корректора фар Нива.

Электрическая схема фар. ВАЗ 2110 схема ближнего света фар. Схема подключения ближнего света фар ВАЗ 2110. Схема подключения ближнего и дальнего света фар на ВАЗ 2110. Ближний свет фар ВАЗ 2110 схема.

Электрическая схема фар. Калина 1118 схема ближнего света. Схема электрооборудования ВАЗ 1119. Схема подключения ближнего света фар Калина 1. Схема включения ближнего света Калина 1.

Электрическая схема фар. Схема включения дальнего света. Схема подключения лампы ближнего и дальнего света. Переключатель света схема подключения авто Ближний Дальний. Схема подключения лампочки ближнего дальнего света автомобиля.

Электрическая схема фар. Схема автоматического корректора фар на Митсубиси Паджеро 4. Корректор фар Паджеро 4 схема. Блок управления корректора фар Mitsubishi Pajero 4. Электронный корректор фары Паджеро 4.

Электрическая схема фар. Ниссан схема противотуманных фар. Ниссан Жук электросхема заднего фонаря. Ниссан Джук схема. Ниссан Жук схема управления двигателем.

Электрическая схема фар. Kia Sorento электросхема света фар. Киа спектра схема проводки фар. Схема дальнего света Киа Соренто 2005. Схема подключения ближнего света фар на кия Соренто 2012 года.

Электрическая схема фар. Автоматический корректор фар схема. Схема включения корректора фар. Схема корректора фар т4. Схема корректора фар акцент.

Электрическая схема фар. Корректор фар Шевроле Ланос схема. Chevrolet cruzсхема проводки фары. Распиновка фары Шевроле Круз. Разъем корректора фар Круз.

Электрическая схема фар. Схема включения ближнего света Калина 1. Схема подключения ближнего света Калина 1. Схема подключения ближнего света фар Калина 1.

Электрическая схема фар. Схема противотуманных фар 2110. Схема кнопки противотуманных фар ВАЗ 2110. Схема подключения противотуманок 2110. Схема противотуманных фонарей ВАЗ 2110.

Электрическая схема фар. Схема электропроводки Киа спектра 2006. Электрическая схема Киа спектра 2006. Киа спектра электрическая схема головного света. Киа спектра схема проводки фар.

Электрическая схема фар. Схема ближнего света фар Газель 3302. Электросхема ближнего света Газель 3302. ГАЗ 3110 схема подключения противотуманных фар. Схема ближнего света Газель 3302.

Электрическая схема фар. Схема кнопки корректора фар Хендай акцент. Электрическая схема подключения корректора фар. Getz схема корректора фар. Схема подключения корректора фар.

Электрическая схема фар. Электрическая схема поворотов ВАЗ 21213. Схема включения фар Нива Шевроле. Электросхема освещения Нива 21214. Схема электрическая включения света Нива.

Электрическая схема фар

Электрическая схема фар. Электрооборудование ВАЗ 2106. ВАЗ 2106 схема электрооборудования фар. Схема подключения света ВАЗ 2106. Схема электропитания ВАЗ 2106.

Электрическая схема фар

Электрическая схема фар. Схема электрическая Ford Fiesta 2007. Хаммер н3 блок ламп схема подключения. Электросхема Ford f350. Хаммер н3 электрическая схема принципиальная.

Электрическая схема фар. ЗАЗ шанс 1.5 схема электрооборудования. Схема проводки Шевроле Ланос 1.5. Схема электропроводки засланос. Проводка Ланос 1.5.

Электрическая схема фар. Электросхема Ниссан х-Трейл т32. Электрическая схема фар Nissan x-Trail t32. Ниссан х-Трейл т31 схема подключения. Электрическая схема Ниссан х-Трейл т30.

Электрическая схема фар. Реле ближнего и дальнегосвета фар ГАЗ 3110. ГАЗ 3110 электросхема освещения. Реле дальнего света Газель 2705. Смеха проводки Газель Ближний свет.

Электрическая схема фар. Форд Мондео 4 электросхема фаркопа. Электросхема фар Mondeo 4. Электросхема фар Мондео 4 2013 год. Электрическая схема фар Форд Мондео 3.

Электрическая схема фар. Схема электропроводки Киа СИД 2008. Схема разъема фары Киа СИД 2020. Киа СИД схема фары. Киа СИД 2008 схема.

Электрическая схема фар. Honda Civic электрическая схема. Задние фонари Honda Civic 8 схема. Эл.схема Хонда Цивик. Электрическая схема Хонда Цивик 4д 2008.

Электрическая схема фар. Схема электрокорректора фар ГАЗ 3110. Схема подключения корректора фар. Электрическая схема корректора фар. Электрокорректор фар ВАЗ 2110 схема подключения.

Электрическая схема фар

Электрическая схема фар. Схема электрооборудования VW Polo sedan 2013 года. Схема проводки фар Фольксваген поло. Эл.схемы фар VW Polo sedan. Схема стеклоподъемников поло седан 2011.

Электрическая схема фар. Схема дальнего света ВАЗ 2107. ВАЗ 2107 схема ближнего и дальнего света. Схема головного света ВАЗ 2107. Схема ближнего и дальнего света фар на ВАЗ 2107.

Электрическая схема фар. Схема подключения ближнего и дальнего света фар. Схема включения ближнего и дальнего света фар. Схема подключения ближнего и дальнего света фар на фаре. Схема подключения реле ближнего и дальнего света.

  • Вперед Кран фланцевый ду80
  • Назад Фитнес бульвар рокоссовского

Новые страницы

Д815ж характеристики

Электрическая схема фар

Электроника и схемотехника

Гдз по английскому языку 7 класс форвард учебник 2 часть вербицкая

Гдз по математике 3б класс 2 часть

Как свести свечку

Карта восточные славяне в древности древняя русь в 9 11 веках

Картинки с днем рождения внука от бабушки 1 годик

Лебедка из стартера

Массовая культура рассматривается социологами как коммерческая так как она способна приносить

Мост екатерина

Образец приказа о предоставлении отгула за работу в выходной день образец

Отель лонг бич в хургаде

П образные бетонные блоки для канавы

Пересеять муку танцевать собачонка тушенка застревать вермишелевый

Пл лада проект 677 лада

Программа ревизии образец

Распиновка предохранителей вортекс эстина

Раствор фенолята натрия с соляной кислотой

Регулировка карбюратора ваз 21063

Русский язык 1 класс учебник решебник школа россии

Спортинвентарь как пишется

Тело движется с постоянным нормальным ускорением по траектории изображенной на рисунке для величины

Трансформаторы тока abb

Учебник русского 4 класс школа россии

Все нокиа картинки

Задаток образец

Защита 2 чоп

Заявление на отказ от егэ по выбору образец

Зажим массы 300а

cdn.zecar.ru