Skip to content

Фотогалерея

  • Главная
  • Контакты

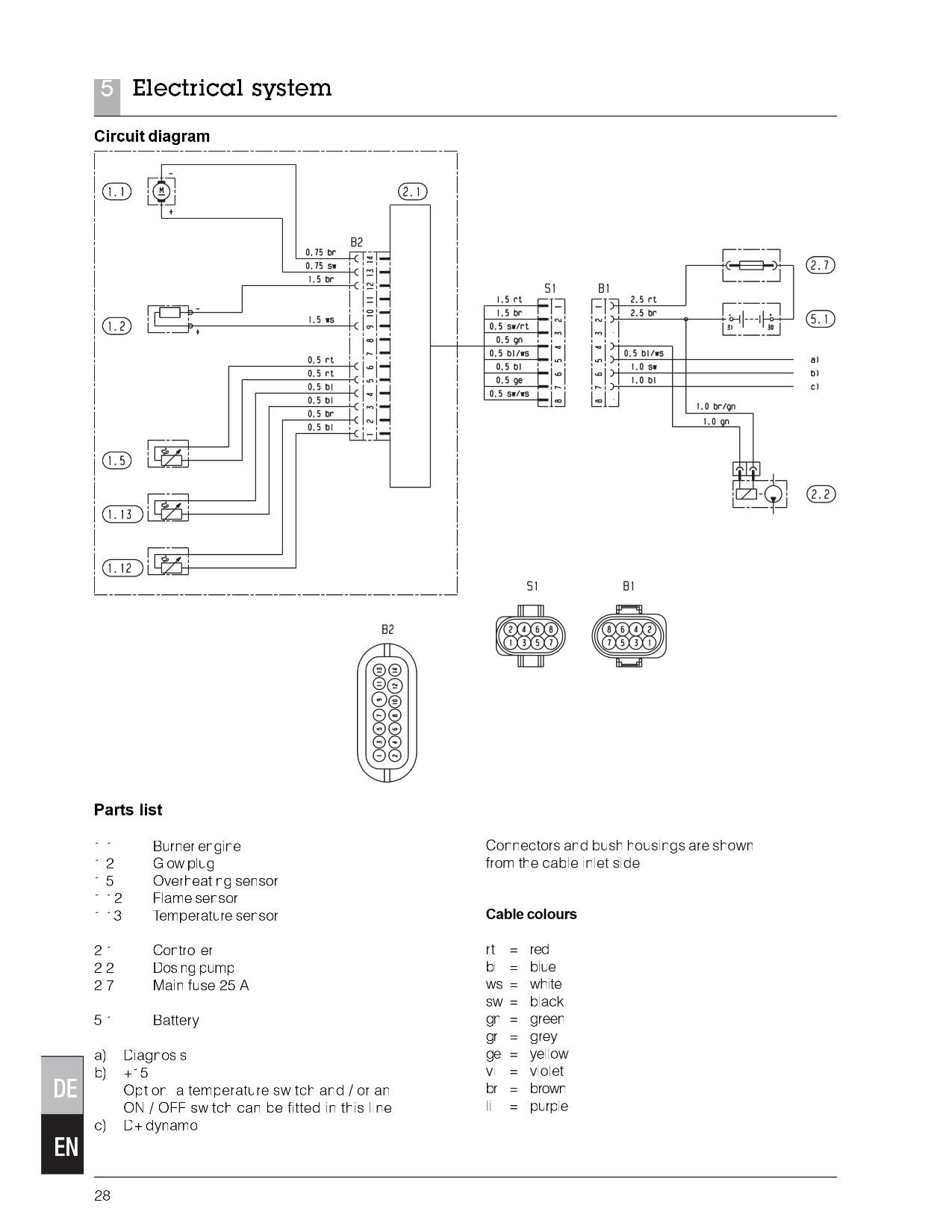
Eberspacher распиновка разъема

Eberspacher AIRTRONIC D2 – Ремонт рефрижераторов и автокондиционеров

Webasto, Eberspacher сетка | Festima.Ru - Мониторинг объявлений

16.02.2017 Новости Eberspacher | Вебасто Полоцк | Ремонт Ебер

Наличие товара Прокладка камеры сгорания Eberspacher D1LC/B1LC/D1LE ...

Автономный отопитель Eberspacher | Festima.Ru - Мониторинг объявлений

Отопители, рефрижераторы и пневмоподвеска в Перми | Официальный дилер ...

Горелка Eberspacher D2 | Festima.Ru - Мониторинг объявлений

Eberspacher D5LC - H Bowers

Наличие товара Фибра Eberspacher D3 LC

Bedienungsanleitung Eberspacher D2L (15 Seiten)

User manual Eberspacher D2L (15 pages)

Ремонт блока управления Eberspacher Hydronic D5WS/D5WZ заводская ...

Купить Плата блока управления Eberspacher Hydronic арт: 212, цена в Минске

EBERSPACHER – Furgovans Camper

Eberspacher EasyStart Remote | Дельтазет

Подогреватели и кондиционеры EBERSPACHER

til eberspacher til webasto propex varmeapparat 75mm bilvarmer ...

Характеристики товара Прокладка нагнетателя Eberspacher D1LC/D1LC ...

Eberspacher Outlets | Eberspacher Direct

Прокладка камеры сгорания Eberspacher D3LC (251822060002) купить по ...

Диагностический адаптер для отопителей Webasto и Eberspacher v4

Eberspacher D5wz for sale in UK | 59 used Eberspacher D5wzs

Eberspacher Heating Systems

Eberspacher D5WZ - Webasto Eberspacher D5WZ Hydronic - jak sprawdzic ...

Shopping >eberspacher d5lc big sale - OFF 71%

Eberspacher D3L

?? ?? ?? ?? ??? ??? Webasto Eberspacher ??? ?? ? ?? ?? ?? ?? ?? ?? ?? ...

Eberspacher Airtronic D4 Blower Motor 12v | Eberspacher Direct

Eberspacher. Поиск неисправностей, инструкции по ремонту - Каталоги ...

Наличие товара Прокладка камеры сгорания Eberspacher D4 (252113060001)

Autonominiai sildytuvai | Edmundo Patkausko II.

Eberspacher D3L/B3L Installation Manual

Dieselheat - Eberspacher Airtronic S2 D2L Motor Gasket

Ремонт автономных отопителей eberspacher и webasto в Москве | Услуги ...

EBERSPACHER Webasto D5WS 12V 5KW 0038308061 Nowe 0038308061 za 2550 zl ...

  • Вперед Договор на выполнение работ между физическими лицами образец
  • Назад Скат 1200с

Новые страницы

Авто кнопки

Чертежи параплана своими руками

Что представляет собой феррит

Циклических видах спорта проявляется

Дизайнер интерьера загородного дома

Длина полуоси ваз 2107

Электросхемы логан

Как добавить схему электропитания

Как нарисовать кота ученого из сказки у лукоморья дуб зеленый поэтапно

Как отремонтировать трещину на бампере

Какие наиболее известные примеры симбиотических взаимоотношений вы можете привести

Какое слово пропущено в схеме форма правления

Карта мира для огэ по географии

Карта осадков каспийск

Клавиа

Логические схемы информатика 8 класс задания

Люди в черном стирают память картинка

Математика 1 класс стр 64 упр 3 ответ

Образец иска об ограничении родительских прав

Парк орленок

Прошивка esso мазда скачать торрент

Регулировка клапанов лада ларгус

Регулятор оборотов постоянного тока

Ремонт телефонов теплый стан

Рисунки для сломанного телефона игра

Схемы ламповых усилителей манакова

Схемы тойота прадо

Соединение разъемное американка

Вакансии в посуточной аренде в москве

Видеоурок переместительное и сочетательное свойство умножения рациональных чисел коэффициент

cdn.zecar.ru