Skip to content

Фотогалерея

  • Главная
  • Контакты

Двигатель в масле

Какие присадки добавляют в моторное масло и зачем

Дэу нексия двигатель в масле причины - 95 фото

Двигатель в машине: Как работает двигатель?

Заливает маслом свечу в одном цилиндре: Причины появления масла на ...

Заглушка распредвала

Двигатель в сборе купить во Владивостоке по цене: 50 000₽ — частное ...

Как устроен двигатель автомобиля для начинающих

Вечный двигатель - презентация онлайн

Двигатель Ричарда Клема | Вечный двигатель на масле - YouTube

Как проверить дизельный двигатель при покупке авто

Купить Двигатель в сборе в Благовещенске по цене: 280 000₽ — частное ...

Чертежи конструкции четырехтактного дизельного двигателя для микроавтобуса

6 znaků označujících „smrt“ snímače vačkového hřídele - jak rozpoznat ...

Двигатель внутреннего сгорания TCD2013L06 2V Deutz

Запах горелого масла в салоне автомобиля: основные причины ...

Вечный двигатель(вечно движущийся поршень) в майнкрафт! - YouTube

Двигатель в масле: причина утечки смазки из двигателя

Почему двигатель ест масло и как это исправить

Как работает двигатель внутреннего сгорания (ДВС) - YouTube

Сколько масла нужно заливать в двигатель разных автомобилей

Когда двигатель «плачет»: устраняем течь масла через сальники

Двигатель В Разрезе Фото – Telegraph

Мирный вечный двигатель - в кажну хату - Альтернативная История

Капитализм - двигатель прогресса. - YouTube

Зависть, как двигатель прогресса - YouTube

Двигатель приоры схема - 90 фото

Двигатель в сборе двигатель ЯМЗ-238

Антифриз в масле: как определить проблему?

Что значит двигатель в стоке - Авто журнал "Гараж"

Двигатель приоры схема - 90 фото

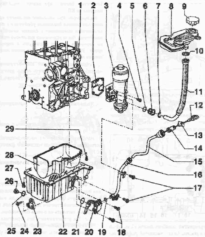
Система смазки двигателя — описание конструкции (Ауди А2, 1999-2005 ...

Какой ремень ГРМ поставить на АВТО? / Замена ремня ГРМ своими руками ...

Бесколлекторный двигатель схема управления - 86 фото

Турбовинтовой двигатель. | АВИАЦИЯ, ПОНЯТНАЯ ВСЕМ.

Мыли двигатель :) — DRIVE2

  • Вперед Дружащий прячущий
  • Назад Как снять реле поворотов

Новые страницы

At mc103xl

Бухта в черногории

D2092

Диспетчер картинки для презентации

Дивертор для смесителя vidima

Эскизы кельтских узоров

Фарфалле

Фары на ниву шевроле нового образца

Фарингит лечение у взрослых чем лечить

Федеральный стандарт спортивной подготовки по баскетболу

Гдз по математике 4 класс 2 часть упр 159

Изобразить схематически признаки насекомых

Как лечится опущение матки

Как проявляется спид у мужчин

Какие фрагменты библейской притчи о блудном сыне изображены на немецких картинах в доме смотрителя

Карта осадков богатые сабы

Купить спортивный велюров велюровый костюм

Московский ботанический сад

Образец дизайн проекта квартиры

Подкормим какое спряжение

Пропал звук на магнитоле jvc

Решетки на окна акция

Рулевой редуктор уаз устройство

Согласие на поставку товара по 44 фз образец

Солярис воронеж

Сотрясение мозга лечение

Тормозная схема газель

Установка бетонных лотков

Замена кузовных деталей

Заполнение конверта по россии образец

cdn.zecar.ru