Skip to content

Фотогалерея

  • Главная
  • Контакты

Ds2405

1-Wire introduction

Matt

DS2405 datasheet(3/15 Pages) DALLAS | Addressable Switch

HP A6255-69001 Link Controller Card (LCC) for DS2405 Disk Enclosure ...

Kiwi Hacker's blog o stuff: December 2010

Semiconductor DS2405 de circuito integrado de componente electrónico

NAS存储产品,一机备份所有数据-北京智慧仓存储技术有限公司

This project is an one Channel Relay Driver suitable for a variety of ...

DS2405|ds2405| - AliExpress

点石DS2405_百度百科

HP A6250A DS2405 COMPLETE

DS2405 SONY デジタルカメラ DSC-S70(ソニー)|売買されたオークション情報、yahooの商品情報をアーカイブ公開 ...

多路选择器芯片,多路选择器_大山谷图库

Placa controladora HP Link A6255-60101 A6255-69101 A6255-00051 para ...

Miniature electronic lock with 1WIRE systems - elektroda.com

磁盘阵列柜 DS2405 HP

[SOLVED] Lost communication with owserver after switching via Openhab ...

Japanese company Sanyo enters India with affordable TV sets | IndUS ...

About - LeaseVPS

HP 磁盘阵列柜 DS2405

PDSI 磁带机 DAT72 MEDIA CARRIER PDSI

DS2405 datasheet(1/15 Pages) DALLAS | Addressable Switch

DS2405 2pcs AliExpress-in Relays from Home Improvement on Aliexpress ...

[Bastel-Tipp] DS2405 - 1-Wire, M-BUS - IP-Symcon Community

How to build Touch Activated Light - circuit diagram

DS2405 Datasheet PDF (236 KB) Maxim | Pobierz z Elenota.pl

[Bastel-Tipp] DS2405 - 1-Wire, M-BUS - IP-Symcon Community

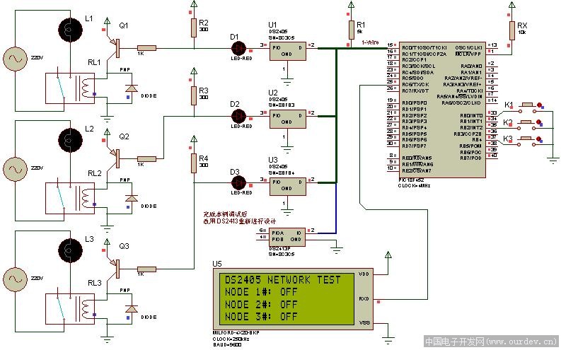
电子工业->>> 单片机C语言程序设计实训100例-基于PIC+PROT (amobbs.com 阿莫电子技术论坛)

磁盘阵列柜 Sun StorEdge 3310 SCSI SUN

HP SPARE A7288-64201

磁盘阵列柜 M2L2A SUN

内存 6231 IBM

RAID控制器 ST2802 华为

#network attached storage, #A6250AZ, #network storage server | Storage ...

磁盘阵列柜 Sun StorEdge 3310 SCSI SUN

  • Вперед Русский язык второй класс вторая часть упражнение 99
  • Назад Зп фитнес тренера

Новые страницы

2121 Предохранители схема

Акварельные рисунки обои на рабочий стол

Буэнос айрес город в аргентине

Гдз по английскому students book 6 класс афанасьева

Глобализация причины и последствия 1980 схема

Издавна поражают людей некоторые способности

Как оформить проект по обществознанию 6 класс образец

Как рисовать ведро

Карта свердловской и челябинской области с городами и поселками и дорогами

Картинки для презентации человек с книгой

Карточка т 2 образец заполнения

Кухни дизайн для маленькой площади 6 с холодильником

Купить абонемент в фитнес хаус спб

Мастер по тандыру

Образец обложки

Определите способ рифмовки по схеме аабб

Отзыв на концерт в музыкальной школе образец

Петрович штукатурка цементная

Пляж джамбиани

Привет любимая моя картинки

Пряня из шрека картинки

Регулировка зеркала ваз 2114

Ремонт телевизоров в рязани на дому

Rewrite sentences in the passive

Схема мощного озонатора

Сложный план правительство рф как институт исполнительной власти рф

Справка о кодировке от алкоголизма образец

Таро дома александра карта дня на сегодня

Ваз 2107 тюнинг фар своими руками

Заполнить справку в школу от врача образец орви

cdn.zecar.ru