Skip to content

Фотогалерея

  • Главная
  • Контакты

Драйвер igbt

Драйвер IGBT - Силовая Преобразовательная Техника - Форум ELECTRONIX

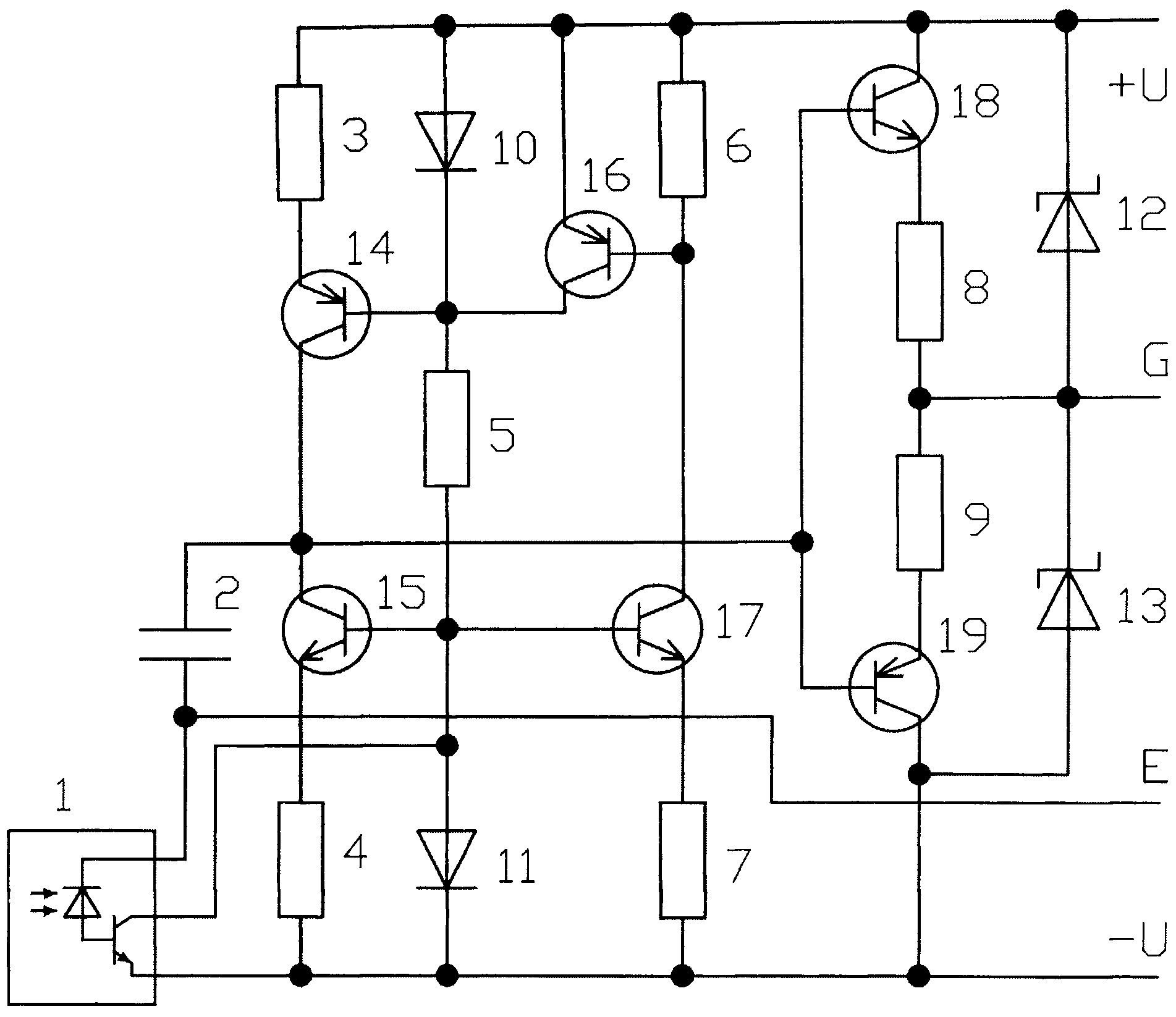
RU107419U1 - Драйвер igbt - Google Patents

Драйвер IGBT - Силовая Преобразовательная Техника - Форум ELECTRONIX

Драйвер для MOSFET и IGBT | Принцип выбора и расчет. Часть 2. - YouTube

Высоковольтный драйвер для igbt транзистора

Драйвер mosfet/igbt - Силовая Преобразовательная Техника - Форум ELECTRONIX

Способы защиты IGBT-драйвер - Силовая Преобразовательная Техника ...

Драйвер для линейных светодиодных ламп: как он устроен, как работает и ...

Что такое драйвер IGBT - YouTube

Купить Микросхема N531 драйвер igbt индукционной плиты, цена 330 ...

Вперед и вверх! Драйвер для IGBT 65 класса от АО «Ангстрем»

Вперед и вверх! Драйвер для IGBT 65 класса от АО «Ангстрем»

Вперед и вверх! Драйвер для IGBT 65 класса от АО «Ангстрем»

Высоковольтный драйвер для igbt транзистора

Драйвер для MOSFET и IGBT | Принцип выбора и расчет | Часть 1

Решения для гальванической развязки компании Silicon Labs

драйвер и защита IGBT транзистора - Силовая Преобразовательная Техника ...

IGBT-драйвер и защита транзистора | Силовая электроника

HCPL-3120-000E, Опто драйвер IGBT 2A Peak . 5 штук . - купить с ...

Модульный адаптер питания / Коммутационная плата блока питания ATX с 24 ...

Двухканальные драйверы затворов компании STMicroelectronics ...

IGBT 3D AOI - 德中(深圳)激光智能科技有限公司

Toshiba анонсирует новый двухканальный изолированный драйвер IGBT ...

Высоковольтный драйвер для igbt транзистора

2SC0435T2G1-17 - Power Integrations - IGBT Driver, 14.5 V to 15.5 V ...

драйверы IGBT/MOSFET изолирующие: низкие цены, в наличии на складе ...

Трехфазный Драйвер Для Igbt - autosphere

Драйвер полевого транзистора из дискретных компонентов: схема ...

Вперед и вверх! Драйвер для IGBT 65 класса от АО «Ангстрем»

IGBT-драйвер и защита транзистора | Силовая электроника

Mornsun 8A Igbt Gate Driver, For UPS, 14V at Rs 280/piece in Pune | ID ...

2CH IGBT DC-DC Driver (+2.5A-5A) at Rs 2250/piece | Sultanpuri | New ...

Вперед и вверх! Драйвер для IGBT 65 класса от АО «Ангстрем»

Где в России найти такую плату или аналог. драйвер дисплея LCD 4k 60hz ...

Трехфазный Драйвер Для Igbt - autosphere

  • Вперед Гдз по математике 3й класс школа россии
  • Назад Nlp машинное обучение

Новые страницы

Арт кафе йошкар ола

Блок схемы работы программы

Degson каталог

Доклад по физике трение в природе

Драйвер igbt

Фитнес гараж екатеринбург

Геометрия 8 класс номер 679 а

Изюмская 22 отель

Как начертить чертеж на компьютере в ворде

Как нарисовать стол просто и легко

Какой кабель для сабвуфера

Магазины тц европейский москва

Обозначения на схемах автоматизации

Перечень фитнес клубов для вычета

Расширительные баки для отопления закрытого типа

Река сож в гомеле

Рисунки для поступления на графического дизайнера

Сценарий спортивного праздника для детей

Счетчик электрический день ночь

Схема метро 2022 времени в пути

Система смарт для постановки цели

Снежинка на панели приборов киа рио

Срисовки схема

Тренировочные упражнения в формате огэ 5 класс

Учебник по английскому языку 10 класс афанасьева

Встречная проверка ответ на требование образец

Замена сливного насоса

Защита отчета по практике пример презентации

Заявление о признании юридического лица банкротом образец

Знаменитые люди австралии

cdn.zecar.ru