Skip to content

Фотогалерея

  • Главная
  • Контакты

Диагностика неисправностей nissan

Диагностика неисправностей — Электросхема на Nissan Note ...

Диагностика неисправностей — электросхема на Nissan Note. Управление ...

Диагностика неисправностей — Электросхема Nissan Note, Управление ...

Диагностика неисправностей — разводка вакуумных шлангов Nissan Note ...

Диагностика неисправностей — Электросхема на Nissan Note. Управление ...

Диагностика неисправностей — электросхема Nissan Note

Диагностика неисправностей — расположение компонентов на Nissan Note ...

Диагностика неисправностей — расположение компонентов на Nissan Note ...

Диагностика неисправностей — расположение компонентов системы ...

Диагностика неисправностей — разводка вакуумных шлангов Nissan Note

Диагностика неисправностей — электросхема на Nissan Note. Тормозная система

Система рулевого управления — диагностика неисправностей — расположение ...

Диагностика неисправностей электрических стеклоподъемников (Ниссан ...

Диагностика автомобиля Nissan в Санкт-Петербурге | Автоцентр Крас Сервис

Диагностика неисправностей — расположение компонентов на Nissan Note ...

Диагностика неисправностей аудиосистемы (Ниссан Серена 2 C24, 1999-2005 ...

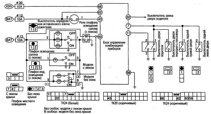
Диагностика неисправностей системы синхронизации ключа и освещения ...

Диагностика неисправностей системы синхронизации ключа и освещения ...

Диагностика неисправностей передних очистителей (Ниссан Серена 2 C24 ...

Диагностика неисправностей аудиосистемы (Ниссан Серена 2 C24, 1999-2005 ...

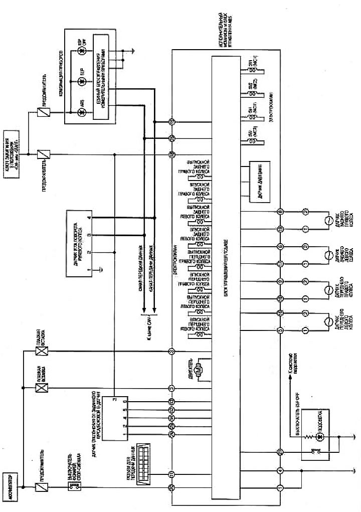
Система управления тормозами [ESP/TCS/ABS] — диагностика неисправностей ...

Система управления тормозами [ESP/TCS/ABS] — диагностика неисправностей ...

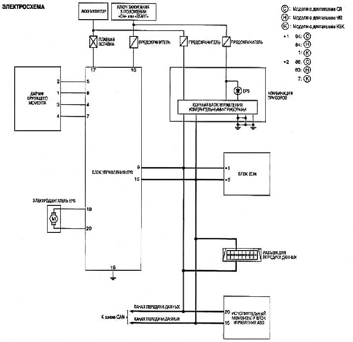
Система рулевого управления — диагностика неисправностей — электросхема ...

Система запуска — диагностика неисправностей (Ниссан Ноут 1, Note E11 ...

ARIYA

неисправностей.принципиальная схема системы - Nissan Qashqai

*Система зарядки. Диагностика неисправностей* — Неофициальный сайт Nissan

How Long Do Nissans Last? What To Know About Lifespan - CoPilot

Nissan Gtr Skyline, Hot Body Women, Bikins, Gurl, Kos, Asian Beauty ...

Возможные причины неисправностей (Ниссан Серена 2 C24, 1999-2005 ...

NISSAN’S RUSSIAN EVOLUTION

รูปภาพรถยนต์ Nissan Navara 2021 Sภายนอก อัลบั้มรถใหม่รูปสวย| AufoFun

ipdm e/r (микропроцессорный распределительный блок питания в моторном ...

Самодиагностика неисправностей и расшифровка кодов ошибок nissan ...

2021 Nissan Grille (Front) - 62070-1FA0A - Genuine Nissan Part

  • Вперед Разряды в спортивной гимнастике
  • Назад Г выборг достопримечательности

Новые страницы

Альтернативная карта европы

Антипровисная система на пластиковые окна установка

Чистописание в 3 классе по русскому языку образцы

Что такое призвание тезис

Диагностика неисправностей nissan

Джили мк киров

Эскиз тату джейсона броди

Фитнес хаус ульяновск купить абонемент

Где по русскому языку 3 класс рабочая тетрадь канакина

Гдз по алгебре номер 975

Глокая куздра кудрячит бокренка

Горнозаводск спортивное ориентирование 2023 декабрь

Хиппи фольксваген

Инверторное зарядное устройство для автомобильного аккумулятора схема

Как отрегулировать клапана на ваз 2121

Как подтянуть ручник на акценте тагаз

Карта метро москвы стрешнево какая ветка

Кс 6 а образец

Накрест лежащие равны или нет

Остров сулавеси индонезия

Регулировка фар в астане

Rz 15la66

Сечение провода на стартер ваз

Схема размещения нто уфа

Схема строения ствола хвойного дерева

Сколько слогов в слове схема

Соус молочный технологическая карта на 1 порцию

Step up очиститель кондиционера инструкция по применению

Топ 10 рп проектов на андроид

Ускорительный насос карбюратора ваз 2107

cdn.zecar.ru