Skip to content

Фотогалерея

  • Главная
  • Контакты

Cm6800g схема блока питания

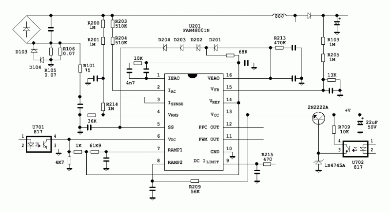
Cm6800G схема блока питания: Cm6800tx схема блока питания — ПК портал ...

Микросхема cm6800g схема включения

Cm6800G схема блока питания: Cm6800tx схема блока питания — ПК портал ...

Cm6800g схема включения

Схема блока питания fsp

микросхема CM6800G (схема включения) новые наличие на складе ...

Зарядное устройство из любого БП компьютера — Lada 21099, 1,5 л, 2000 ...

Cm6800G схема блока питания: Cm6800tx схема блока питания — ПК портал ...

CM6800G SOP-16 INTEGRATED CIRCUIT - Ulutaş Elektronik

Описание схемы блока питания с плавной сменой полярности | ASUTPP | Дзен

Cm6800G схема блока питания: Cm6800tx схема блока питания — ПК портал ...

Ремонт блока питания Xbox One X | Пикабу

CM6800G datasheet(15/18 Pages) CHAMP | LOW START-UP CURRENT PFC/PWM ...

Cm6800ux схема блока питания

46PFL7007T/12 (шасси QFU1.1E AA) - ищу схему БП

Cm6800G схема блока питания: Cm6800tx схема блока питания — ПК портал ...

Cm6800G схема блока питания: Cm6800tx схема блока питания — ПК портал ...

Поездка за "Бегемотом" и сопутствующие этому свершения... • Stereo.ru

Ремонт импульсного блока питания, для новичков(38)! | Лайфхаки по ...

Cm6800G схема блока питания: Cm6800tx схема блока питания — ПК портал ...

CM6800G Original supply, US $ 0.82-1.08 , Logic ICs, [CMC] Champion ...

Кабель модульного блока питания с 8 контактами на 8 контактов (6 + 2 ...

RetroPC.org - Плата Блока Питания номер 1 от ДВК 3М (Диалоговый ...

Блок питания FSP ATX 350 Ватт — купить в Красноярске. Состояние: Б/у ...

Схемотехника и ремонт блока питания телевизора (проверка на исправность)

Лабораторный блок питания 0-27 Вольт 0-10 Ампер своими руками

Схема компьютерного блока питания

【十个包邮】CM6800G CM6800TX CM6800UX液晶电源管理芯片_虎窝淘

Схема Импульсного Блока Питания 12В Лучшая Фото Подборка

Схема блока управления

Cm6800g схема включения микросхема

Кабель питания блока питания ATX от 24P до 6P, мини-разъем 6P для ...

Lp 340 блок питания схема

Схема блока питания тв

Блок питания для лампового усилителя | Шарапов | Дзен

  • Вперед Работа за наличные в москве ежедневной оплатой
  • Назад Санаторий в сургуте

Новые страницы

302Hs31210

561Тм3

Broadsheet newspaper перевод

Черный телескоп рыбка

Еиор математика 5 класс

Every monday sally drive

Гдз по английскому 7 класс страница 46

Гдз по математике второй класс вторая часть страница 68 номер 30

Hollow knight венец халлоунеста карта

Хомут червячный

Карта дождей калуга онлайн в реальном

Картинки завтрак обед полдник ужин для детей

Обшивка трубы дымохода

Отель континент абхазия

Отпечаток лапы кота рисунок

Парк семилуки

Перспективный план тренировки

Петерсон математика 4 класс 1 часть

Подключение сабвуфера к штатной магнитоле приора

Подтраивает двигатель на калине

Предохранители на хендай акцент схема

Регулировка рулевой рейки рено сандеро

Ремонт квартир спб

Схема маршрутов трамваев улан удэ

Синехия у девочек лечение

Технология спорта москва

Упражнение 164 русский язык 2 класс

Урфу дизайн учебный план

Впр тренировочные по математике

Wired mat

cdn.zecar.ru