Skip to content

Фотогалерея

  • Главная
  • Контакты

Cg8010dx16

PWM cg8010dx16 Chip - Identify | PDF

PC SMPS PWM chip CG8010DX16 under Repository-circuits -39958- : Next.gr

Микросхема cm6800g схема включения

Cg8010Dx16: Компьютерные блоки питания — Мир Антенн — Спутниковое ...

‫مشخصات، دیتاشیت، قیمت و خرید cg8010dx16‬

Est7502b схема переделки блока питания

CG8010DX16 | PDF | Industrias | Arquitectura de Computadores

Cg8010Dx16: Компьютерные блоки питания — Мир Антенн — Спутниковое ...

schematics for desktop atx 800 watt psu - Wiring Diagram

(5 peças) cg8010dx16 pwm dip 16|Disjuntores| - AliExpress

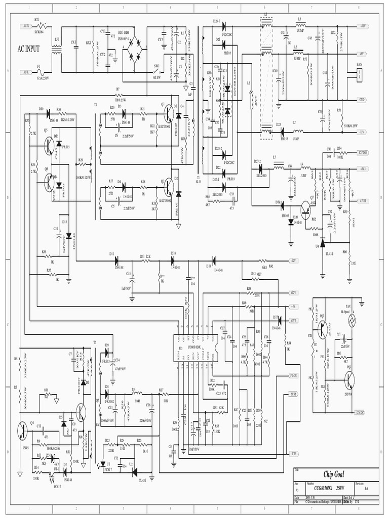
Chip Goal CG8010DX16 Schematics

Cg8010Dx16: Компьютерные блоки питания — Мир Антенн — Спутниковое ...

Chip Goal CG8010DX16 Schematics

PWM控制芯片CG8010DX16 - 家电维修资料网

Freeshipping CG8010DX16 CG8010DX16|freeshipping| - AliExpress

【凯拓达电子】 CG8010DX16 DIP-16开关电源PWM芯片_虎窝淘

How To Use Pulse Width Modulation On The Arduino Circuit

Cg8010Dx16: Компьютерные блоки питания — Мир Антенн — Спутниковое ...

ขอคำแนะนำ PUS ชาร์จแบตเตอร์รี่ แบบปรับค่าได้ ถึง 14-15Vdc - Pantip

AT and ATX PC computer supplies schematics

микросхема Sg6105dz блок питания для компьютера

микросхема Sg6105dz блок питания для компьютера

AT and ATX PC computer supplies schematics

由引脚间漏电引起的台式机ATX电源无主电压输出的故障维修 - 家电维修资料网

Desktop Smps Circuit Diagram Pdf

Обзор и тестирование блока питания DTS ATX-500A мощностью 500 Вт ...

atx 450w smps circuit diagram - Circuit Diagram

Cg8010dx16 в блоке питания компьютера

Cg8010Dx16: Компьютерные блоки питания — Мир Антенн — Спутниковое ...

Cg8010Dx16: Компьютерные блоки питания — Мир Антенн — Спутниковое ...

Pc Power Supply Schematic Diagram Pdf - Wiring Diagram

Intex 450w Smps Circuit Diagram Pdf - Circuit Diagram

Cg8010Dx16: Компьютерные блоки питания — Мир Антенн — Спутниковое ...

Cg8010Dx16: Компьютерные блоки питания — Мир Антенн — Спутниковое ...

Cg8010Dx16: Компьютерные блоки питания — Мир Антенн — Спутниковое ...

  • Вперед Фрекен бок кафе
  • Назад Программа для радиосхем

Новые страницы

6 Fm 12

Английский язык 4 класс стр 38

Болят ноги после тренировки на следующий день

Брови после перманентного макияжа на 7 день

Cg8010dx16

Электронный трансформатор на полевых транзисторах

Фитнес тверская расписание

Фонетический разбор слова 2 класс образец

Гдз по рб по обществу 6 класс боголюбова

Город эдирне

Хендай солярис замена топливного фильтра

Кафе вареничная

Как нарисовать хелло китти карандашом легко и красиво

Карта россии тюменская область

Неисправность клапанов ваз 2107

Ниссан марч распиновка разъема кнопок стеклоподъемников к12

Паспорт системы отопления образец

Песня любил рисовать не любил одноклассников

Плохо дует вентилятор печки

Покажи звуковую схему

Предохранители москвич 2140

Процесс получения искусственным путем потомков идентичных прототипу

Программа тренировок для похудения для мужчин

Резистор сп4 1

Схема 2 связь людей

Схемы апл

Тула улицы с односторонним движением карта

Услуги земельного юриста

Врожденный астигматизм лечение

Замена поршней на приоре

cdn.zecar.ru