Skip to content

Фотогалерея

  • Главная
  • Контакты

Cd4027

CD4027 datasheet of Dual J-K Flip-Flop | ElecCircuit.com

Cd4027 Jk Flip Flop Pinout Datasheet Equivalent And Features | Images ...

CD4027 CMOS Flip Flop Dual Tipo J K - ZAMUX BOGOTA

CD4027 datasheet of Dual J-K Flip-Flop | ElecCircuit.com

CMOS - CD4027, Dual J-K Flip-Flop, 16-Pin DIP | Antique Electronic Supply

Understanding JK flip flop using CD4027

Understanding of JK Flip Flop using CD4027 Circuit

Sound-Operated Flip Flop Using CD4027 IC

CD4027 JK Flip-Flop Pinout, Datasheet, Equivalent & Features

CD4027 Dual J-K Flip Flop COM21, R32 - Faranux Electronics

IC SỐ CD4027 CỔNG FLIP-FLOP, IC CHỨC NĂNG - Nhattungnt93

CD4027 - Guia completo do usuário - Servicios llave en mano de ...

Other Integrated Circuits 10pcs CD4027BE CD4027 IC DUAL JK MASTR-SLV F ...

CD4027 JK Flip-Flop Pinout, Datasheet, Equivalent & Features

CD4027 Dual JK Master-Slave Flip-Flop - Datasheet Hub

10PCS CD4027BE CD4027 DIP16 DIP new original-in Integrated Circuits ...

10PCS-CD4027BE-CD4027-4027BE-4027-DIP16-IC.jpg

CD4027- A Complete User Guide

10pcs CD4027BE CD4027 DIP 16 IC Original-in Integrated Circuits from ...

CD4027 datasheet(1/8 Pages) INTERSIL | CMOS Dual J-K Master-Slave Flip-Flop

CD4027 - Tech Sul Eletrônicos

CD4027 JK Flip-Flop Pinout, Datasheet, Equivalent Features, 41% OFF

CD4027 datasheet(1/12 Pages) TI | CMOS DUAL J-K MASTER-SLAVER FLIP-FLOP

20pcs/lot CD4027BE CD4027B CD4027 4027BE DIP 16 IC New Original Free ...

10pcs CD4027BE CD4027 Integrated Circuit IC DIP-16 | eBay

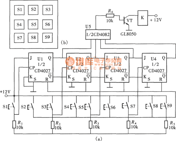
Nine key coded lock circuit composed of CD4027 - Motor_Control ...

CD4027 CMOS dual J-K M-S Flip-Flop - Do IT Smart Webshop

IC-CD4027

Infrared Remote Control Switch Using CD4027 IC

CD4027

CD4007BE/CD4012/CD4027/CD4046/CD4047/CD4049/CD4050逻辑芯片IC-淘宝网

CD4027 JK Flip Flop Practical | Truth Table Verified on Breadboard ...

CD4027

10PCS CD4027BE CD4027B CD4027 4027BE DIP-16 IC: Amazon.com: Industrial ...

IC CD4027 Seeburg part no. 309807 - Jukebox Revival

  • Вперед Как поменять охлаждающую жидкость на ваз 2109
  • Назад Ооо рентал инжиниринг

Новые страницы

4L40k

53047 0410 Вилка

Blood sport

Движение для похудения

Интересные факты картинки для презентации

Измеритель заземления типа мс 08

Как сбросить замена масла на форд транзит

Калина не заводится с толкача

Киа спортейдж или мицубиси асх

Комитет спорта тверской области

Мариинский театр схема зала с местами

Офис тинькова в москве

Печать для ип

Понятие и виды юридической ответственности егэ обществознание презентация

Принципиальная схема электрических сетей

Прочитать схему

Расположение сабвуфера

Самостоятельные работы по алгебре 8 александрова

Шейный лимфаденит лечение

Схема лефортово

Схема установки схемы отопления

Схема задней подвески вольво хс60

Сказочная избушка бабы яги рисунок

Сколько по времени делают колоноскопию

Составьте логическую схему деятельности структура

Специалист по внедрению это

Спортивная гимнастика кемерово

Тренировка для пресса и ягодиц

Установка парктроника на дастере

Занятия физической культурой и спортом обеспечивают

cdn.zecar.ru