Skip to content

Фотогалерея

  • Главная
  • Контакты

Bn44 00158a

TV / Monitor Spare: BN44-00158A - POWER SUPPLY BOARD SAMSUNG... - UK (GBP)

SAMSUNG PSU - BN44-00158A - SMA23-P lcd-tv-parts.com

TV / Monitor Spare: BN44-00158A - POWER SUPPLY BOARD SAMSUNG...

Samsung LNT2332HX Power Supply Board MK23P / BN44-00158A - TvPartsGuy.com

BN44-00158A схема

Samsung BN44-00158A (SMA23-P) Power Supply Unit

SAMSUNG LE32R86BD BN44-00158A SMA23-P POWER SUPPLY SCH Service Manual ...

FUENTE DE PODER / SAMSUNG BN44-00158A / SMA23-P / MODELO LNT2342HX/XAC ...

Купить BN44-00158A СЛЕГКО ПОВРЕЖДЕН: отзывы, фото и характеристики на ...

[Kupię] Płyta zasilająca do TV Samsung (LE23R87BD) ozn. BN44-00158A ...

BN44-00158A SMA23-P

*Блок питания BN44-00158A для Samsung LE23R81, LE23R82 и др.

Блок питания BN44-00158A телевизор SAMSUNG LE23R81W

PSU BN44-00158A - КСП Електроникс

FUENTE DE PODER / SAMSUNG BN44-00158A / SMA23-P / MODELO LNT2342HX/XAC ...

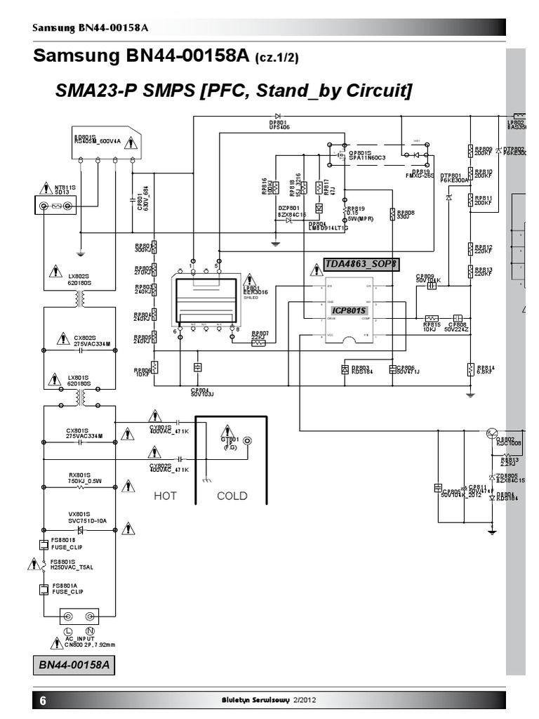
SMA23-P SMPS (PFC, Stand - by Circuit) : Samsung BN44-00158A | PDF

DFTV Service Shop - POWER BOARD SAMSUNG BN44-00158A

BN44-00158A схема

Samsung BN44-00158A (SMA23-P) Power Supply Unit

Купить Samsung мощности питания платы bn44-00158a в интернет-магазине с ...

SAMSUNG TV - Alimentation BN44-00158A hors service - YouTube

BN44 00158A For Samsung BN44 00158A Power Supply Unit SMA23 P power ...

Zasilacz BN44-00158A (nr 3557)

POWER BOARD *SMPS*PSU* | BN44-00158A,SMA23-P* | www.piese-servicelcd.ro

TV / Monitor Spare: BN44-00158A - POWER SUPPLY BOARD SAMSUNG... - US$ Site

Samsung Bn44-00158a Sma23-p Power Supply Sch

Placa Fonte Samsumg Le23r87bd Bn44-00158a Sma23-p - R$ 110,00 em ...

BN44-01051A Samsung Power Supply, BN44-01051A, L55S8NA_THS, AC02, FA01 ...

SAMSUNG BN44-00111B INVERTER-POWER SCH Service Manual download ...

BN44-00473A - Kupindo.com (75362829)

BN44-00183A | PDF

SAMSUNG BN44-00204A Service Manual download, schematics, eeprom, repair ...

BN44 00947a B,+BN44 952a B,+BN44 00956a+l40e6 Ndy | PDF

ALIMENTATION SAMSUNG pour BN44-00158A - Connect-prod

SAMSUNG BN44-00137D Service Manual download, schematics, eeprom, repair ...

  • Вперед Подключить розетку прицепа
  • Назад Гранта регулировка клапанов

Новые страницы

Bn44 00158a

Что есть в кунсткамере в санкт петербурге

День шефа

Фигуры для презентации powerpoint без фона

Гдз по математике 3 класс 1 часть стр 53

Грин фугла турция

Грузовой шиномонтаж рядом со мной на карте

Календарный план спортивных мероприятий

Каменщики облицовщики

Картинки боги маркетинга

Красивые вертикальные картинки на телефон города

Малое море байкал зимой

Mcr100 6 аналог

Наблюдательность это определение

Новые проекты гон ю

Оператор спортивных данных

Отличие сверстника от ровесника

Птицы самарской области рисунки

Разъем рж 45 распиновка

Рекламный проект

Рисунок медсестры на войне для детей срисовать

Рс 32

Схема подключения патрубков печки газель дв 4216

Схема сопряжения

Схема тезис аргумент

Шмелев русский язык 9 класс учебник гдз

Шон коннери фильмы

Скачать песню розовое вино элджей

Spotlight 4 one big happy family 1b презентация

Справка форма 182 н с прежнего места работы образец

cdn.zecar.ru