Skip to content

Фотогалерея

  • Главная
  • Контакты

Аудио фильтр

Аудио фильтр в автомобиль | Festima.Ru - Мониторинг объявлений

Модуль платы фильтра питания Фильтр электромагнитных помех Очистка сети ...

Аудио фильтр, гаситель помех купить в Старом Осколе | Электроника | Авито

Сетевой фильтр для аудио - YouTube

Обновленный AC8.8 аудио выделенный мощность фильтр очиститель лихорадка ...

Аудио-фильтр ВЧ\\НЧ

Недорогой аудио фильтр подавляет шумы и фон

Стерео аудио устранение гул RCA аудио изолятор гудка Hi-Fi аудио ...

Аудио усилитель для сабвуфера 100w, TPA3116D2, фильтр НЧ, D класс ...

2 Шт. Автомобильный Делитель Аудио Hifi Печатная Плата ВЧ Фильтр ...

Стерео аудио устранение гул RCA аудио изолятор гудка Hi-Fi аудио ...

Фильтр-кондиционер сетевой аудио купить в Москве | Электроника | Авито

Аудио фильтр для авто своими руками - auto-instructors.ru - портал для ...

Купить Япония elna аудио 10000uf 63v конденсатор использования на ...

Иконка Аудио Фильтр - Иконки Symbol Black - Lokas Software

Высококлассный PW1 4000 Вт 20А Расширенный фильтр для очистки Аудио ...

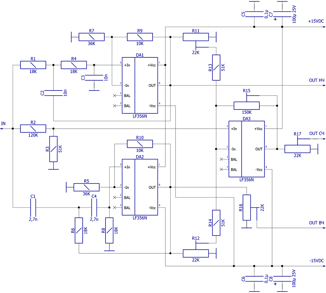
Активный разделительный фильтр НЧ-ВЧ-СЧ Бесселя второго порядка для ...

Высококлассный PW1 4000 Вт 20А Расширенный фильтр для очистки Аудио ...

Системы домашних кинотеатров MuxBOXS из Китая купить на русском языке в ...

AIYIMA 2 шт. 80 Вт 2-полосный аудио динамик делитель частоты тройной ...

Купить Япония elna аудио 10000uf 63v конденсатор использования на ...

Купить Япония elna аудио 10000uf 63v конденсатор использования на ...

Купить Япония elna аудио 10000uf 63v конденсатор использования на ...

Купить Япония elna аудио 10000uf 63v конденсатор использования на ...

2-полосный делитель частоты звука, наборы для самостоятельной сборки ...

2-полосный делитель частоты звука, наборы для самостоятельной сборки ...

AIYIMA 2 шт. 80 Вт 2-полосный аудио динамик делитель частоты тройной ...

HQ Наушники Аудио, Гермес, электронное устройство, аудио оборудование ...

2-полосный делитель частоты звука, наборы для самостоятельной сборки ...

НЧ-Разделитель 200 Вт Пластиковый Аудиоделитель НЧ-Аудио Кроссовер НЧ ...

Форум любителей катушечных магнитофонов, аналоговой видео и аудио ...

Форум любителей катушечных магнитофонов, аналоговой видео и аудио ...

Аудио звуковой фильтр My Gadget AUX-S, стерео трансформатор для ...

Форум любителей катушечных магнитофонов, аналоговой видео и аудио ...

Форум любителей катушечных магнитофонов, аналоговой видео и аудио ...

  • Вперед Договор с продавцом кассиром ип образец
  • Назад Приложение 9 к методическим рекомендациям п 29 образец заполнения

Новые страницы

499 Упр

Алгебра 966

Физические качества в спортивных играх

Ge733kr

Головная боль кластерная

Итоги тренировки

Как правильно подключить автомагнитолу пионер

Ключ золотой картинка

Когда прошли первые всемирные студенческие спортивные игры

Лампа дрл 400 световой поток

Математика рабочая тетрадь 2 класс 2 часть страница 79

Монтаж ограждений из нержавеющей стали

Моя тренировка

Можно поменять подоконник без замены окна

Нива шевроле подключение высоковольтных проводов

Образец доверенности заверенной работодателем на представление интересов физического лица

Один день ивана денисовича жанр

Погода в барнауле онлайн карта

Поперечный план дороги с указанием основных параметров

Презентация работа с деформированным текстом 2 класс школа россии

Программирование пандора 3000

Саб в полку

Скины майнкрафт крутые картинки

События кровавого воскресенья восстание на броненосце потемкин декабрьское вооруженное восстание

Сокос отель спа

Сопротивления по цветам

Сорбенты препараты для очищения

Учебник по русскому языку 3 класс соловейчик ответы

Закладная из фанеры под гипсокартон

Затяжка болтов клапанной крышки шевроле лачетти

cdn.zecar.ru