Skip to content

Фотогалерея

  • Главная
  • Контакты

Asm1117 datasheet

AMS1117 PDF - 800mA Regulator - AMS - DatasheetGO

SA-62SM Datasheet-Page 1 – Vision Products

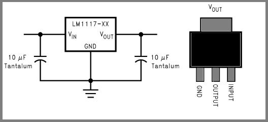
AMS1117 PDF - Voltage Regulator - AMS

Ames 3000ss Wiring Diagram

AMS1117 LDO Regulator Pinout, Datasheet, Features - The Engineering ...

(PDF) xp-datasheet-5982-7811EN.pdf - DOKUMEN.TIPS

ALL Datasheet Updates for Tyranids!! Inc. Norn Emissary, Assimilator ...

Ams Ldo Regulator Pinout Datasheet Features Equivalents Sexiz Pix ...

AMS1117 LDO Regulator Pinout, Datasheet, Features, 54% OFF

Spannungsregler AMS1117-3.3V

Ams1117 adj datasheet

Asm1117 datasheet. AMS1117: Анализ линейного регулятора напряжения с ...

Asm1117 datasheet. AMS1117: Анализ линейного регулятора напряжения с ...

Power Ic Ams1117-5.0 Asm1117 Sot-223 1a Low Dropout Voltage Regulator ...

AMS1117-5V - SMD SOT-23 Package - Voltage Regulator IC buy online at ...

TÌM HIỂU IC AMS1117

cheap voltage regulator test AMS1117-5 are they any good?? - YouTube

Meilleurs prix 5pcs AMS1117-5.0 5.0 V Step-down Linear Voltage ...

Ams1117 1A LDO Voltage Regulator - EasyEDA

AMS1117 Voltage Regulator: Feature, Pinout, Datasheet [Video]

AMS1117 Pinout | Electronic circuit projects, Electronics circuit ...

AMS1117-3.3V Voltage Regulator SOT-223 Professional Supplier

AMS1117-3.3V IC Ổn Áp 3.3V 1A SOT-223 Điện áp vào max: 15VDC, điện áp ...

硬件开发笔记(九): 硬件开发基本流程,制作一个USB转RS232的模块(八):创建asm1117-3.3V封装库并关联原理图元器件 - 知乎

ESP8266 - подключение и обновление прошивки – esp8266 | Схемотехника ...

硬件开发笔记(十): 硬件开发基本流程,制作一个USB转RS232的模块(九):创建CH340G/MAX232封装库sop-16并关联原理图元 ...

基于stm32单片机的按键智能电子密码锁设计(源码+仿真+原理图+PCB+参考论文) - 知乎

Контент koob - Форум по радиоэлектронике

Lm317 стабилизатор напряжения как проверить работоспособность 80 фото

IC AMS1117 là gì? Sơ đồ chân, thông số kỹ thuật và những ứng dụng ...

基于stm32单片机的光照检测智能台灯照明灯Proteus仿真(仿真+源码+全套资料)_日光灯电路proteus仿真-CSDN博客

Module Nguồn AMS1117 3V3-5V | Tiki

Ci Ams1117 Regulador De Tensão 5 X 5,0v + 5 X 3,3v = 10 Pçs - R$ 15,99 ...

LM1117 ASM1117 5V SOT-223 - F10H9 | Linh Kiện Việt Nam

how to use AMS1117 - YouTube

  • Вперед Разрешение на спортивное оружие
  • Назад Конструкция карбюратора

Новые страницы

3 Класс математика рабочая тетрадь 2 часть страница

841 Алгебра

Акт о хищении денежных средств сотрудником образец

Алгебра седьмой класс номер 357

Алюминий и железная окалина

Арабские духи каир

Asm1117 datasheet

Автосервис юрга

Бонусная карта татнефть для физических лиц как получить

Фабрика отдыха барнаул

Фитнес часы mi band 5

H схема подключения

Интерьерные решения для комнаты

Квартира на час в старом осколе

Лифан курган

План эвакуации при пожаре из квартиры

Распиновка кт315

Рассмотрение заявления по вновь открывшимся обстоятельствам

Регулировка сдвижной двери мерседес спринтер классик

Русские поэты схема

Схема проводки шеви нива

Штукатурка минск

Сколько стоит замена аккумулятора на айфон 7

Спортивный патриотизм

Статград егэ обществознание 2023 тренировочные

Теплоход с тремястами восьмьюдесятью восьмью экскурсантами

Троллейбус 5 могилев карта

Учебник по математике 3 класс 2 часть стр 107

Упражнение 470

Вольво в мурманске

cdn.zecar.ru