Skip to content

Фотогалерея

  • Главная
  • Контакты

Ana608

Ana608 PDF | PDF

ANA608 Mt.Fuji - YouTube

1:1000 B747-400 ANA JA8958 with runway NH10040 ANA Airplane model | eBay

ANA608-6 Datasheet (PDF), Stock and Price, ANA Controller, Distributor

ANA618 datasheet, controller equivalent, Gleescape

ANA618 datasheet, controller equivalent, Gleescape

5pcs New Original ANA608 608 TO92-4 | eBay

50pcs ANA608 original ANA608 to-94 ANA | eBay

Hot Sell 10PCS NEW ANA608 ANA6O8 ANA 608 TO-94 Power Control Chip | eBay

5PCS ANA608 TO92-4 IC | eBay

ANA608 DATASHEET PDF

ana608 | OLYMPUS DIGITAL CAMERA | Ana | Flickr

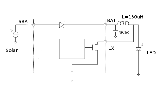
DC-DC converters for Solar powered LED Lights.

100% original authentic ANA608 ANA6O8 ANA 608 TO 94 AliExpress Standard ...

SBD5 Dauntless Italerie 1/48 color schema - Props - ARC Discussion Forums

Chinese Gadets (energy harvesting)

Intermediate Blue ANA608 / FS 35164 (a.1942) WWII U.S.Navy

SCA003 USN Int. Sea Blue ANA608 – ScaleColors

ANA618 Datasheet PDF - Solar lawn Controller

New O ANA ANA608 608 TO92-4 £0.99 remorques-accessoires.com

HomeMade DIY HowTo Make: ANA608 Solar Charge and LED Controller

Tri colour USN corsair colours? - Aircraft WWII - Britmodeller.com

GrumpyBadger's Airgroup Wing / Works in Progress / Forums - Axis and ...

Ana608 Ic To-94 Solar Lawn Lamp Driver Ic Original New Integrated ...

Ana608 Ic To-94 Solar Lawn Lamp Driver Ic Original New Integrated ...

ANA608 キャプテンアナウンス - YouTube

Simple Solar Circuits : 11 Steps (with Pictures) - Instructables

The Ship Model Forum • View topic - Colourcoats box sets

Intermediate Blue (ANA608 WWII US Navy) (30ml Bottle)

【機窓】ANA608 KMI テイクオフ - YouTube

[機窓展望] ANA608便 宮崎→羽田 767-300ER JA609A - YouTube

Where can I but a JD1803 chip? - Instructables

羽田雨天着陸(宮崎発)全日空ANA608便 エアバスA321 HANEDA Airport - YouTube

2024.4.13 羽田空港 ANA608 KMI→HND B787-8(JA818A)着陸 - YouTube

2023.2.5 宮崎空港 ANA608 東京/羽田行き B767-300ER (76E)ウイングレット付き(国際線機材)プッシュバックから ...

  • Вперед Как уплотнить капот чери тигго
  • Назад Франц кафка превращение

Новые страницы

Алупка южнобережный санаторий отзывы

Ana608

Английский 7 класс форвард 2 часть

Балуем своих личный кабинет улан удэ карта николаевский

Bta 16 600v

Этуаль официальный сайт каталог и цены

Гдз по математике 5 класс виленкин 2 часть номер 445

Гдз по русскому языку 3 класс стр 129

Исследовать функцию и построить схематически график

Картинка свинки пеппы с родителями возле дома

Кашу маслом не испортишь

Контекстная интернет реклама это

Контурная карта латинской америки для печати

Куршская коса калининград карта

Лада калина в орске

Математический диктант 1 класс 4 четверть презентация

Микрофон фото картинки

Никитина оксана

Приказ по основной деятельности образец

Проект почему важно знать устаревшую лексику русского языка проект 7

Распиновка магнитолы виста

Рассмотрение заявления об отмене судебного приказа

Сервера днс яндекс

Схема подключения проводов по цвету

Схема щита в квартире

Схемы подключения приборов учета

The british museum с артиклем или без

Упр 567 6 класс ладыженская

Установка дверей в лыткарино

Всего в чемпионате участвуют 26 спортсменов

cdn.zecar.ru