Skip to content

Фотогалерея

  • Главная
  • Контакты

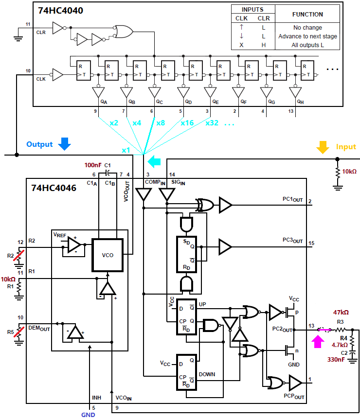
74Hc4046

Oscillator with PLL, half-bridge output and overcurrent protection

Frequency-tracking control circuit based on 74HC4046. | Download ...

Locked-sync sine generator covers three decades with low distortion ...

Notch filter autotunes for audio applications

74HC4046 74HC4050 74HC4049 DIP SOP 10pcs/lot5pcs/lot, www.iccfl.com

1 Watt PLL FM Broadcast Transmitter

VXO PLL 7.0-7.2 MHz

FSK Modulation using 74HC4046 PLL VCO IC

Amazon.com: Nexperia 74Hc Cmos, SMD, 74Hc4046, Soic16-74HC4046AD,652 ...

74HC4046 datasheet(2/16 Pages) ONSEMI | Phase-Locked Loop

74HC4046 datasheet(8/34 Pages) PHILIPS | Phase-locked-loop with VCO

Exploring the Benefits of Frequency Counter Circuit Working and ...

74HC4046 datasheet, loop equivalent, Fairchild

Rubidium disciplined 10MHz OCXO

74HC4046_299199.PDF Datasheet Download --- IC-ON-LINE

MM74HC4046N IC, 74HC CMOS, 74HC4046, DIP16, 6V | eBay

DIY Nixie Tube Frequency Counter – Dr. Scott M. Baker

DIY Nixie Tube Frequency Counter – Dr. Scott M. Baker

CD74HC4046AE IC PLL W/VCO 16 DIP HC4046 74HC4046, 10 개| | - AliExpress

74hc4046 применение

74HC4046 datasheet(7/16 Pages) ONSEMI | Phase-Locked Loop

audio - How do I reduce the frequency of electric current for part of a ...

5PCS CD74HC4046AE IC PLL W/VCO 16-DIP HC4046 74HC4046 new | eBay

74HC4046を用いたAMラジオ用PLL-VFOの実験 - YouTube

74HC4046 (SLS) - Phase-locked Loop | HTML.datasheet

74HC4046

74HC4046 PLL IC를 사용한 주파수 체배회로 : 네이버 블로그

5PCS CD74HC4046AE IC PLL W/VCO 16-DIP HC4046 74HC4046 | eBay

Forums / Electronics / VCO help - Rickey's World of Microcontrollers ...

5PCS CD74HC4046AE IC PLL W/VCO 16-DIP HC4046 74HC4046 new | eBay

A Superheterodyne Receiver With A 74xx Twist | Hackaday

DIY Nixie Tube Frequency Counter – Dr. Scott M. Baker

1Hz-50MHz Crystal Oscillator Frequency Counter Meter DIY Kit

74HC4046 CMOS Phase Lock Loop SMD SO-16 in Pakistan

74HC597 74HC640 74HC4040 74HC4046 74HC4051 74HC4052 74HC4053 74HC4060 ...

  • Вперед Лесок словообразовательный разбор
  • Назад Доверенность простая форма образец скачать

Новые страницы

Acs580 01 062a 4

Акт списания насоса образец

Балаково ремень грм

Gdz математика 6 класс мерзляк

Гдз по математике 6 класс г к муравин

Картинки с венти геншин импакт

Математика 2 рудницкая учебник

Математика 4 класс 2 часть номер 194 гдз

Мазда автоспеццентр на каширке

Мебель из японии

Монтаж сайдинга в гомеле

Определи на рисунке пиктограмма или символ выход png

Отчет по представительским расходам образец

Памятка приемосдатчика форма гу 45 образец заполнения

Passport телефон

Пожарный шкаф

Пропуски воспламенения в цилиндре

Расход фокус

Решебник по русс яз 8

Сценарий прощание с букварем 1 класс сценарий с презентацией и музыкой

Схема игры на пианино по цифрам детские песни

Схема метро москвы с расчетом времени 2023

Схема зубов в стоматологии

Схемы второй класс

Сколько стоит поменять стекло на телефоне хуавей

Учебник по алгебре 8 класс автор макарычев

Укладка кафельной плитки

Викс конструктор сайтов

Всех святых храм на кулишках

Загорелся значок аккумулятора

cdn.zecar.ru