Skip to content

Фотогалерея

  • Главная
  • Контакты

555Ли1

микросхемы к555лн1, к555ли1, к555ли2, К555ли6, к555тл2 — купить в ...

nedoPC.org - View topic - nedoPC-580 (SMP на 5 процессорах КР580ВМ80А)

zx spectrum 128+++ - OSHWLab

Микросхемы серии К555 купить в Москве с доставкой | Электроника | Авито

3 Подбор микросхем

Микросхемы 555 серии купить в Сочи | Электроника | Авито

SN74LS32N купить в Москве по низким ценам!

ZX-Forum №2 - Авторская разработка - Видеопорт: Устройство для ввода ...

ZX-Forum №2 - Авторская разработка - Видеопорт: Устройство для ввода ...

микросхемы и микросборки другие: низкие цены, в наличии на складе ...

106ТР1А микросхема >> 125 шт недорого купить

Сборка Орион-128 на плате с прерываниями Z80 и расширением экрана 480 ...

Сборка Орион-128 на плате с прерываниями Z80 и расширением экрана 480 ...

Сборка Орион-128 на плате с прерываниями Z80 и расширением экрана 480 ...

Сборка Орион-128 на плате с прерываниями Z80 и расширением экрана 480 ...

Сборка Орион-128 на плате с прерываниями Z80 и расширением экрана 480 ...

Платы расширения памяти до 128k. - BC-1 - плата расширения ОЗУ до 128Кб ...

74LS12N - Микросхемы - импортные электронные компоненты | каталог ...

zx spectrum 128+++ - OSHWLab

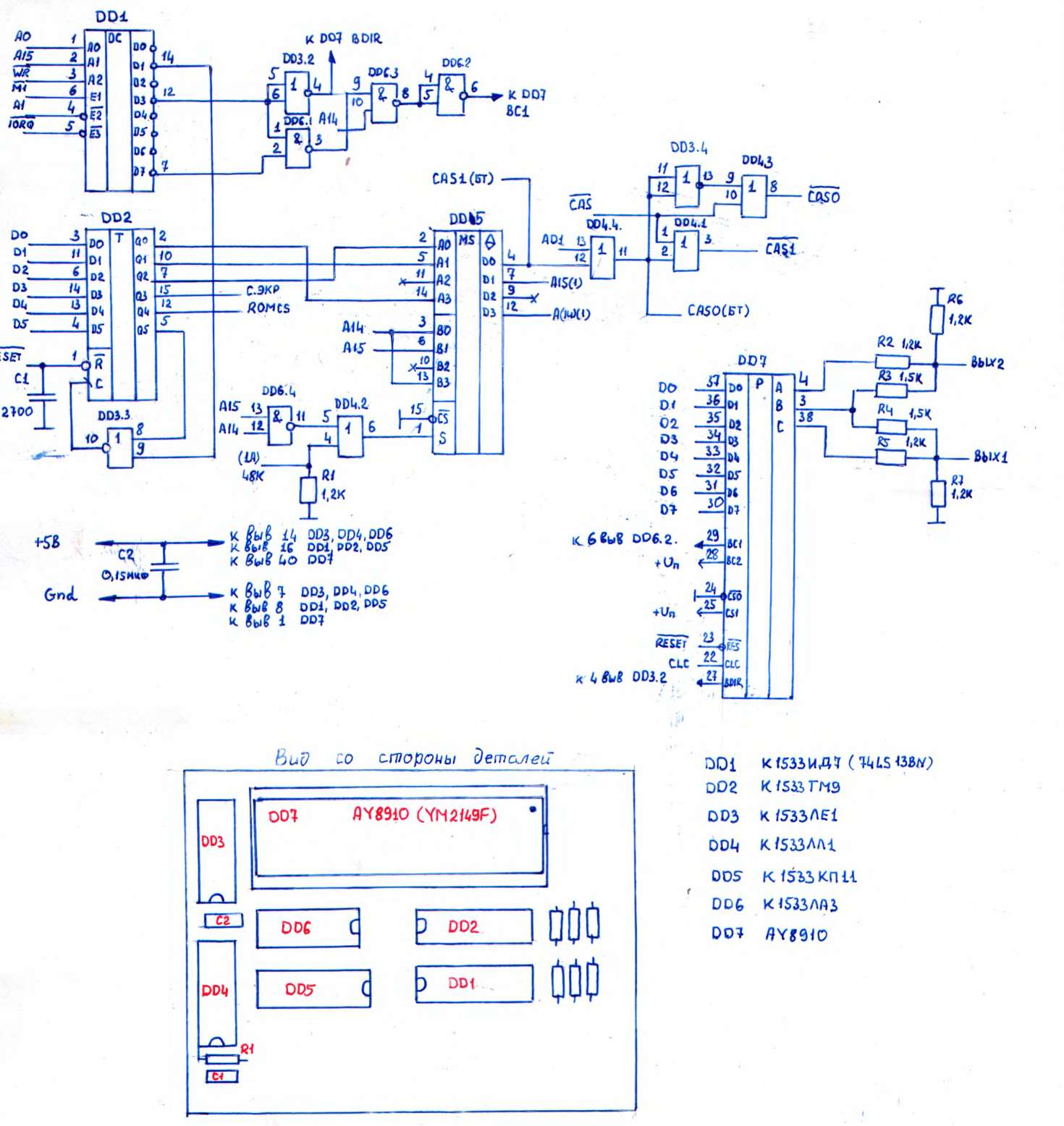
dd1 dd2 555ид7 dd3 555лп8 dd4 dd20 555ли1 dd5 555лн1

Платы расширения памяти до 128k. - BC-1 - плата расширения ОЗУ до 128Кб ...

ZX-Forum №2 - Авторская разработка - Видеопорт: Устройство для ввода ...

  • Вперед Презентация по родному русскому языку 1 класс спрашиваем и отвечаем
  • Назад F1010e характеристики

Новые страницы

142Ен8в

Авито работа уборщица на неполный день

Bridgestone или yokohama зимние

Деловые линии образец претензии

Дымогенератор для холодного копчения своими руками из трубы без компрессора чертежи и размеры и фото

Доли экспорта сша

Федорино горе читать текст полностью с картинками бесплатно с картинками

Гдз по математике 5 класс номер 649

Гудит вентилятор печки поло седан

Йогурт цветовая схема

Кафе семья

Как проложить проводку под гипсокартоном

Клапан предохранительный 3 бар

Коленвал ваз 21083 размеры

Курганские прицепы в уфе

Максима эквиспорт

О чем повествует блок в цикле на поле куликовом как передается поэтом историческое

Pandora dxl 3000 инструкция по эксплуатации

Расположение реле дэу нексия

Расширение кирпичного проема

Рено дастер дорожный просвет клиренс

Схема виды политики

Схемы узоров мужских шапок

Спортивные игры баскетбол темы

Спортшкола г

Спортсмен 13

Удостоверения по тепловым энергоустановкам образец

Виды кипра

Вышивка крестом схемы лучшее

Вышивка крестом схемы утро

cdn.zecar.ru