Skip to content

Фотогалерея

  • Главная
  • Контакты

51117 Datasheet

TPS51117 datasheet

OR2C06A-7PS208 datasheet(4/192 Pages) ETC | Field-Programmable Gate Arrays

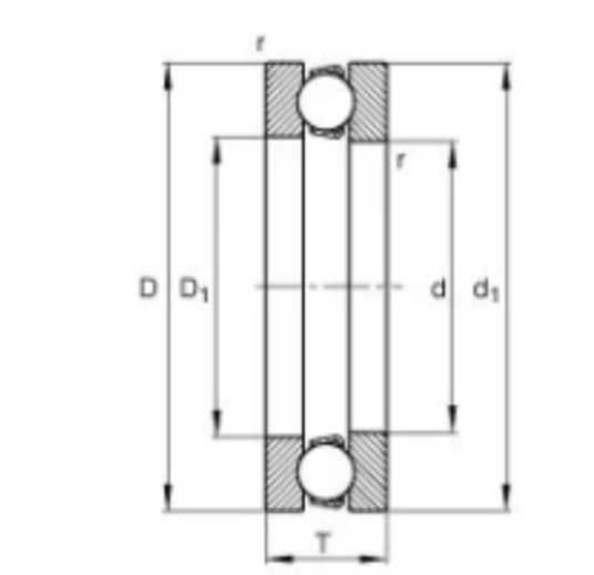
51117 Thrust Ball Bearing for High Speed Instrument - China Auto Spare ...

A-51117 ゴムの木(ポット付) | アン・デコ-ルオンラインショップ(アーティフィシャルフラワーメーカー株式会社アスカ商会のオンラインショップ)

51117-12: Измерители напряжения постоянного тока на основе мезонинных ...

OEM Genuine HOMELITE A-51117, 51117 race nut clutch drum DM20 Multi use ...

Maxim 51117 Gateway 1-lt 7" LED Outdoor Wall Lantern | 51117BK/PHC ...

NSK 51117轴承_百度百科

ROLLWAY 51117 THRUST BALL BEARING – Platinum International

日本进口NSK轴承 51106 51107 51108 51109 51116 51117 M P5 P4_虎窝淘

62326aab015f454e6a8f326e_Group 51117 - London Sport

Jual TPS 51117 (17-010) | Shopee Indonesia

日本进口NSK推力球压力轴承51113 51114 51115 51116 51117 51118_虎窝淘

Раковина накладная Gid ceramic N9062 51117 белый — купить в Москве по ...

济南凯孚瑞NTN 51115 51116 51117 51118 51120机床水泵阀门用推力球轴承

进口SKF平面推力轴承51114 51115 51116 51117 51118 51120 51122_虎窝淘

ROLAMENTO 51117 NACHI - Rolauto Rolamentos

1 Piece SGS Kyocera Carbide Tool Precision Drill Bit 51117 | eBay

بلبرینگ کف گرد BEARING 51117 KG – باراد صنعت

ŁOŻYSKO 51117 85x110x19 KG Rol-Parts

# 51117 - Litchfield — Dowds Design Collection

Подшипник универсальный 6гпз 8117 - 2 - купить по выгодной цене в ...

Yahoo!オークション - スラストベアリング NSK 51117 506 2個1セット ...

China SKF 51117 manufacturers, SKF 51117 suppliers, SKF 51117 ...

ลูกปืน Newfar 51117 ฝาเหล็กปิด 2 ข้าง ความแม่นยำ P0 (Abec 1) ลดราคา ...

China SKF 51117 manufacturers, SKF 51117 suppliers, SKF 51117 ...

Datasheet 593797 (17-46880) en | Download Free PDF | Manual ...

51117-CX/MGK Підшипник 85x110x19 CX/MGK 51117. Ціна, запчастини ...

MA42217 Datasheet - Low Noise Bipolar Transistors

85x110x19 Mm Thrust Ball Bearings 51117 Axial 51117m 8117 8117h Plane ...

Подшипник 51117 купить в Санкт-Петербурге - цена и характеристика

2N6371 Datasheet PDF - Seme LAB

CX1117 DataSheet | ETC

11.5 NPT INSERT, ALTIN COATED | Thread Mills, Spline Mills, Broach tooling

瑞典SKF进口推力球轴承51116 8116 51117 8117 51118 8118正品_虎窝淘

  • Вперед Авто навал китай цена
  • Назад Промывка системы охлаждения

Новые страницы

51117 Datasheet

Адриана лима грудь

Аквастронг краска для пола время высыхания

Авито монтаж металлоконструкций работа

Что такое raf

Форум по ремонту газовых колонок

Гарвардский университет

Газелькин телефон санкт петербург

Гдз по русскому языку 1 класс страница 72 упражнение 19

Гдз русский 6 класс ладыженская 1

Гостиница карелия спб

Характеристика с места работы для усыновления ребенка образец

Идеи тюнинга ваз 2107

Jw1779 datasheet

Как делают металлические трубы

Как заполнять бракеражный журнал готовой продукции образец заполнения

Какой будет 4 мост в новосибирске

Карта пробок жигулевск

Лицензия такси санкт петербург

Лилиана лунгина подстрочник

M101nwt2

Математика третий класс страница 31

Плашечный зажим cd35

С днем рождения тетя тоня картинки

Схема анализа посещенного урока по фгос образец

Схема прикуривателя на ваз 2107

Современное спортивное сооружение

Текст рассуждения нацелен на то чтобы убедить объяснить доказать для рассуждения характерно

Тренировка деления 4 класс

Все достопримечательности в санкт петербурге

cdn.zecar.ru