Skip to content

Фотогалерея

  • Главная
  • Контакты

2Sc2873

2SC2873 datasheet(1/4 Pages) TOSHIBA | TRANSISTOR (POWER AMPLIFIER ...

Semiconductor: 2SC2873 (2SC 2873) - TRANSISTOR SILICON NPN / 50V / 2A ...

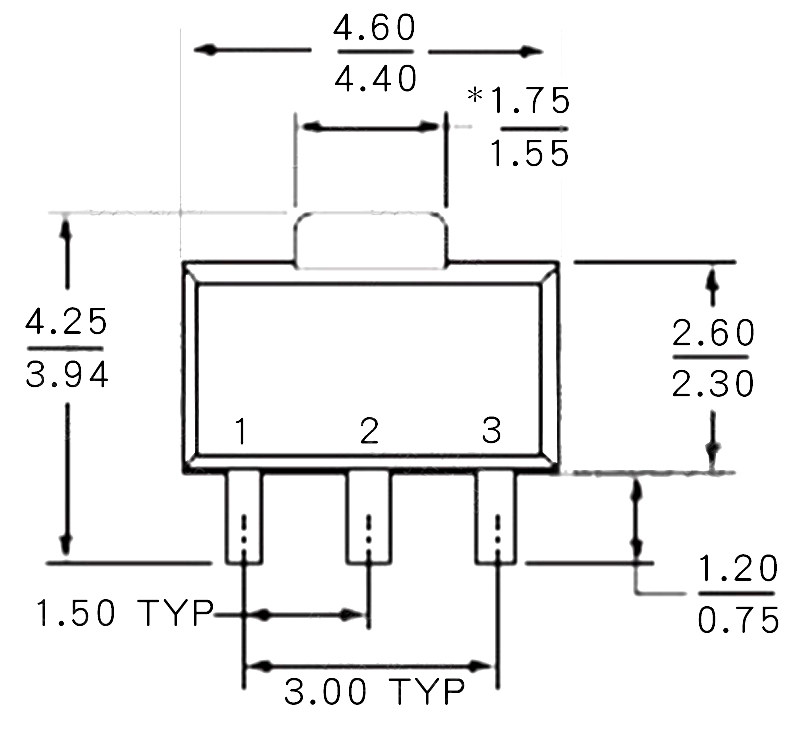
Toshiba 2SC2873-Y(F) NPN Bipolar Transistor, 2 A, 50 V, 4-Pin SC-62 | RS

2SC5868 DataSheet | Rohm

2SC2873 datasheet(2/4 Pages) TOSHIBA | TRANSISTOR (POWER AMPLIFIER ...

10 con 2SC2873 C2873 mã SMD MY SOT-89 transistor thuận NPN cao tần 2A ...

2SC2873-Y - (MY) SOT-89 50V 2A 0.5W NPN TRANSISTOR - Ulutaş Elektronik

2SC2873 SMD (MY) – C.B.Electronics

2SC2873-Y-TP MCC(Micro Commercial Components) | C7463929 - LCSC Electronics

三极管2SC2873-Y

2SC2873-HF_15 datasheet(1/2 Pages) KEXIN | NPN Transistors

Hot Sell 10PCS NEW 2SC2873-Y 2SC2873 C2873 MY 2A/50V SOT89 NPN ...

2SC2873-O NPN三极管 50V 2A 120MHz 70~140 500mV/0.5V SOT-89/PW-Mini marking ...

2SC2873 datasheet(3/4 Pages) TOSHIBA | TRANSISTOR (POWER AMPLIFIER ...

New 2SC2873 Y SOT89 3 Silkscreen MY Patch NPN Power Transistor 2A 50V ...

供应三极管东芝 2SC2873 MY_电子元器件_维库仪器仪表网

2SC2873

20pcs 2SC2873 C2873 Marking MY SOT-89 2SC2873-Y SOT89 NPN 50V 2A SMD ...

2SC2873-Y(TE12L,ZC 微控制器 处理器 晶体管-阿里巴巴

2SC2873 - si-n 50v 2a 0.5w 120mhz

Semiconductor: 2SC2873 (2SC 2873) - TRANSISTOR SILICON NPN / 50V / 2A ...

2SC2873-Y-Yangjiang RUIXIAO Enterprise Co, . Ltd

东芝三极管2SA1213 三极管2SC2873 功率管 东芝晶体管 原装_电子元器件_维库仪器仪表网

20PCS 2SB772 B772 SOT-89 2SD882 D882 2SA1013 2SB1132 2SB1188 2SB1386 ...

BAS16 - 晶贝电子

Smd Transistor in China, Smd Transistor Manufacturers & Suppliers in China

现货全新 2SA1213-Y/丝印NY 2SC2873-Y/打字MY SOT-89贴片三极管_虎窝淘

贴片三极管2SA1213/2SB772/2SC2873/2SD882/2SD1664印NY/MY/DA/RH-阿里巴巴

2SC2873 / 디바이스마트

ストアホーム 商品 フィードバック

贴片三极管2SA1213/2SB772/2SC2873/2SD882/2SD1664印NY/MY/DA/RH-阿里巴巴

供应2SC2873 SOT89 丝印MY 晶体管 2SC2873-Y 贴片三极管 原装ic

20PCS 2SB772 B772 SOT 89 2SD882 D882 2SA1013 2SB1132 2SB1188 2SB1386 ...

现货全新 2SA1213-Y/丝印NY 2SC2873-Y/打字MY SOT-89贴片三极管_虎窝淘

Tr My Smd 2sc2873 Y Sot89 Codigo Smd My Aw Be Bg Bm | MercadoLivre

  • Вперед Карта усыпальниц в инадзуме
  • Назад Смотреть ответы по русскому языку 7 класс ладыженская

Новые страницы

Актрапид нм рецепт

Армия омана

Ас 600

Чесотка при беременности лечение

Что такое изомерия и изомеры

Что волновало васю и его

Детский сад виды спорта

Электрическая диссоциация koh

Гдз по английскому языку 8 класс виргина учебник

Гдз по математике 2 класс 2019

Геннадий добров картины инвалиды войны с описанием

Индикатор принципиальная схема

Краткая запись в виде схемы

Кубок россии спортивное ориентирование

Найти работу сварщиком накс

Нет тормозов на ваз 2109

Основные функции районирования схема

Плавный пуск усилителя

Полис каско что это такое

Распиновка юсб разъема

Схемы лечения антибиотиками

Шершень фото крупным планом с жалом размер

Штукатурка мрамор

Свч генератор

Тренировки для похудения для начинающие девушки

Трубы сшитый полиэтилен

Вызвать девушку на час

Замена дисплея redmi 9c

Замок зажигания уаз 469 схема подключения проводов

Жалюзи на окна горизонтальные тканевые день ночь

cdn.zecar.ru