Skip to content

Фотогалерея

  • Главная
  • Контакты

1М63 электросхемы

1м63 электросхемы

1м63 электросхемы

1м63 электросхемы. 165 Токарный станок электросхема. Станок дип 500 схема электрическая принципиальная. Токарный станок 1м65 схема электрическая. Станок дип 300 схема электрическая принципиальная.

1м63 электросхемы

1м63 электросхемы

1м63 электросхемы. 165 Токарный станок электросхема. Электрическая схема станка 1м63дф101. Схема электрическая станка 1м65. Токарный станок 1м63ф101 электрическая схема.

1м63 электросхемы. 1к62 токарный станок электросхема. Электросхема токарного станка 1м61. Электросхема токарного станка дип 300. Станок дип 500 схема электрическая принципиальная.

1м63 электросхемы. Схема электрическая ИТ-1м. Электро схема токарного станка ит1м. Эл.схема токарного станка ИТ-1м. Токарный станок ИТ-1м схема электрическая.

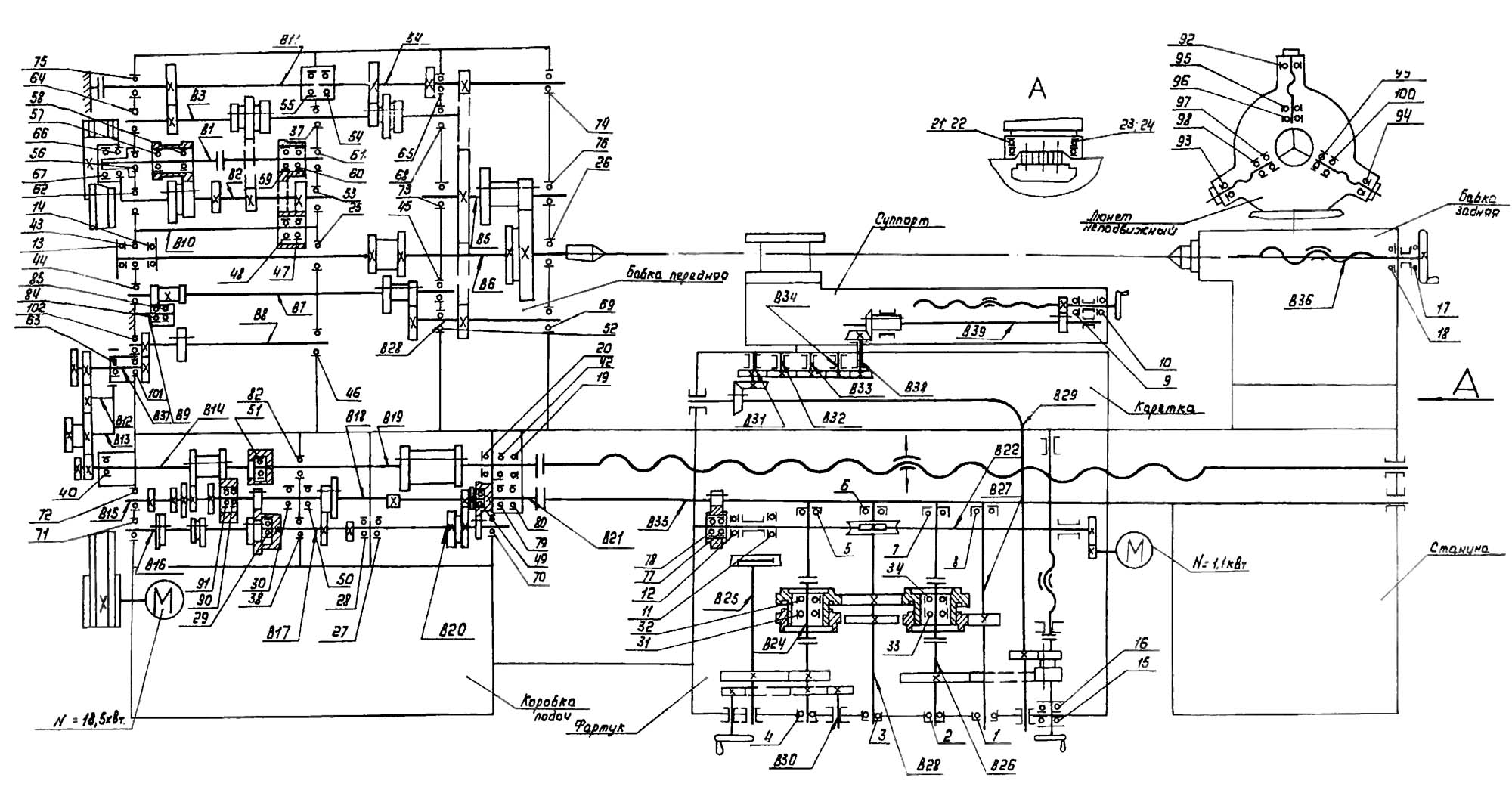
1м63 электросхемы. Токарный станок 1м63 схема электрическая. Электрическая схема токарного станка 1 м 63 м. Эл схема 1м63 токарный станок Тбилиси. Электрическая схема станка 1м63дф101.

1м63 электросхемы. Токарный станок 1м63бф101 схема электрическая. Кинематическая схема токарного станка 1м63. Схема токарного станка дип 300. Электрическая схема станок 1м63ф101.

1м63 электросхемы. Принципиальная схема токарно револьверного станка 1п365. Токарно-револьверный станок 1п365 электрическая схема. Принципиальная электрическая схема токарно револьверного станка. Электрическая схема токарно револьверного станка модели 1п365.

1м63 электросхемы. Схема электрическая принципиальная токарно-винторезного станка мк6056.

1м63 электросхемы

1м63 электросхемы. Электросхема токарного станка дип 300. Станок дип 500 схема электрическая принципиальная. Токарный станок дип 300 схема электрооборудования. Станок дип 300 схема электрическая принципиальная.

1м63 электросхемы. Токарный станок 1а616 электрическая схема. Электросхема станка 1а616. Принципиальная электрическая схема токарного станка 1а616. Станок 1а616 схема.

1м63 электросхемы. Электро схема токарный станок 1м63 Тбилиси. Станок дип 300 схема электрическая принципиальная. Станок дип 500 схема электрическая принципиальная. Токарный станок 163 схема электрическая.

1м63 электросхемы. Электрическая схема станка 16к20. Электрическая схема токарного станка 16к20. Эл схема токарного станка 16к20. Электросхема токарного станка 16к20.

1м63 электросхемы. Электро схема токарный станок 1м63 Тбилиси. Электросхема токарного станка 1м63бф101. Электрическая схема токарного станка 1 м 63 м. Токарный станок 1м63бф101 схема электрическая.

1м63 электросхемы. Эл схема токарного станка 1м63. Токарный станок 1м63 схема электрическая. Электрическая схема токарного станка 1 м 63 м. Станок дип 300 схема электрическая принципиальная.

1м63 электросхемы. Электрическая схема токарного станка 1и611п. Эл.схема станка ИЖ 250. ИЖ 250 схема электрическая. Электрическая схема токарного станка ИЖ 1и611п.

1м63 электросхемы. Кинематическая схема станка 1м63н. Кинематическая схема станка гс526у. Кинематическая схема токарно-винторезного станка 1м63. Кинематическая схема станка 1м63 Тбилиси.

1м63 электросхемы. Кинематическая схема токарный станок 1а660. Токарный станок 16к40 схема электрическая принципиальная.

1м63 электросхемы. Токарно-винторезный станок 1м63 общий вид. Токарно-винторезный станок 1м63 схема. Чертежи токарно винторезного станка 1м63н.. Органы управления токарный станок 1м63.

1м63 электросхемы. Кинематическая схема станка 1м65. Кинематика станка дип 300. Станок токарный 1м65 кинематическая схема. Дип 300 кинематическая схема.

1м63 электросхемы. Принципиальная электрическая схема токарного станка 16к20. Принципиальная электрическая схема токарно-винторезного станка 16к20. Принципиальная электросхема токарного станка 16к20. Электросхема токарного станка 16к20.

1м63 электросхемы. Кинематика станка дип 300. Дип 300 кинематическая схема. Кинематическая схема токарного станка 1м63. Схема токарного станка дип 300.

1м63 электросхемы. Станок дип 300 схема электрическая принципиальная. Органы управления станка дип 300. Схема токарного станка дип 300. Токарно-винторезный станок дип 300 схема.

1м63 электросхемы. Электрическая схема токарного станка 1 м 63 м. Токарный станок 1м63 схема электрическая. Токарный станок 1м63 схема электрическая трансформатор. Токарно-винторезный станок 1м63 схема электрическая.

1м63 электросхемы. Токарный станок модель 163 электросхема. Электрическая схема станка 3г833. 165 Токарный станок электросхема. Станок дип 500 схема электрическая принципиальная.

1м63 электросхемы. Эл схема токарного станка 1м63. Токарный станок 1м63 схема электрическая. Станок 1м63 схема электрическая принципиальная. Электрическая схема токарного станка 1 м 63 м.

1м63 электросхемы

1м63 электросхемы. ТВ-320 токарный станок схема электрическая. Схема электрическая принципиальная токарно-винторезного станка 16к25. Токарно винторезный станок 1и611п схема. Принципиальная электрическая схема токарного станка модели 16к20.

1м63 электросхемы. 1к62 токарный станок электросхема. Принципиальная схема токарного станка 1к62. Токарно-винторезный станок 1к62 схема. Принципиальная электрическая схема станка 1к62.

1м63 электросхемы. Станок дип 500 схема электрическая принципиальная. 1м63 токарный станок электросхема. Станок токарно-винторезный м-163 электрическая схема. Токарный станок 6056 электрическая схема.

1м63 электросхемы. Электросхема токарного станка ИЖ 1и611п. Токарный станок 1 ИБ 611 П электро схема. ИЖ 611 токарный станок электросхема. Станок 1и611п схема электрическая.

1м63 электросхемы. Эл схема 16к20. Электрическая схема токарно-винторезного станка 1к62. Электрическая схема токарного станка 16к20. Принципиальная электрическая схема токарно винторезного станка.

1м63 электросхемы. Эл схема 1м63 токарный станок Тбилиси. Электросхема токарного станка дип 300. Токарный станок 1м63 схема электрическая. Электрическая схема станка дип 300.

1м63 электросхемы

1м63 электросхемы. Станок дип 500 схема электрическая принципиальная. Дип 500 токарный станок электросхема. Схема токарного станка дип 500. Дип 500 токарный станок схема электрическая.

1м63 электросхемы. Кинематическая схема станка 1е365бп. Кинематическая схема станка 1м63н. Токарно револьверный станок 1п365 кинематика. Схема кинематического станка 1г340.

1м63 электросхемы

1м63 электросхемы. Кинематическая схема станка 1м65. Кинематическая схема станка 1м63 Тбилиси. Станок токарный дип 500 кинематическая схема. Кинематическая схема станка 16к20.

1м63 электросхемы. Кинематическая схема станка 1м63. Кинематика токарного станка 1м63. Токарный станок 1м63 схема электрическая. Токарный станок 1м63 кинематическая схема фартука.

1м63 электросхемы. Электросхема токарного станка дип 300. 163 Токарный станок электросхема. Кинематическая схема токарный станок 1а660. Кинематическая схема станка 1а625.

1м63 электросхемы. Кинематика токарного станка 1 к 62. Кинематическая схема станка 1м63 Тбилиси. Схема токарного станка 1к62. Кинематическая схема 1к62.

1м63 электросхемы. Схема электрооборудования станка 1к62. Принципиальная электрическая схема станка 1к62. Токарно-винторезный станок 1к62 схема. Электрическая схема токарного станка 1к62.

1м63 электросхемы. Электросхема токарного станка 1м61. Токарный станок 1м61 схема электрическая. Электросхема токарного станка 1м983. Электросхема токаргого станка 1м 63.

1м63 электросхемы. Токарный станок 165 электрическая схема. Токарный станок к65 схема электрическая. Токарный станок 1м63бф101 схема электрическая. 1м63дф101 электросхема токарный станок.

1м63 электросхемы. Эл схема токарного станка 1м63 101 Тбилиси. Электро схема токарный станок 1м63 Тбилиси. Кинематическая схема станка модели 1м63. Кинематика токарного станка 1м63.

1м63 электросхемы. Электрическая схема токарного станка 1 м 63 м. Токарный станок 1м63 схема электрическая. Токарно-винторезный станок 1м63 схема электрическая. Токарный станок 1м163 Эл схема.

1м63 электросхемы. Токарно-винторезный станок 163 электросхема. 163 Токарный станок электросхема. Станок токарно-винторезный 163 электрическая схема. 1м63дф101 электросхема токарный станок.

1м63 электросхемы. Токарный станок 1а616 электрическая схема. Принципиальная электрическая схема токарного станка 1а616. Станок 1а616 схема. Монтажная электросхема станка 1а616.

1м63 электросхемы. Электросхема станка 1и611п. 1п611 токарный станок схема. Электрическая схема токарного станка 1и611п. Монтажная схема электрооборудования станка.

1м63 электросхемы. Токарный станок 6056 электрическая схема. Токарный станок мк6056 схема электрическая принципиальная. Электрическая схема токарного станка мк6046. Схема электрическая принципиальная токарно-винторезного станка мк6056.

1м63 электросхемы. Кинематическая схема станка 1а625. Кинематическая схема станка 1м63н. Токарно-винторезный станок 1к62 схема. Кинематическая схема токарно-винторезного станка 1к62.

1м63 электросхемы. Токарный станок 1м61п принципиальная схема. Токарный станок 1м61 схема электрическая. Электросхема токарного станка 1в61. 1м63 токарный станок электросхема.

  • Вперед Штапель ткань
  • Назад Спортивная гимнастика набор

Новые страницы

1М63 электросхемы

Акт материального ущерба образец

Байпас что это в двигателе

Что будет если покурить ногти

Девушка лысого из браззерс

Дольче габбана спортивные

Фига дуля картинки

Фитнес клуб островцы

Гибкий камень на сетке

Hyundai gds ve

Как нарисовать родину мать ребенку поэтапно

Как разблокировать автомагнитолу blaupunkt

Картинки божья коровка для вырезания

Картинки пиксель папирус

Классификация угроз

Колея ваз

Комплекс ору в парах 10 упражнений с картинками

Korean street food

Ноутбук бьет током при прикосновении

Обработка квартиры от тараканов в москве

Образец договора на бухгалтерские услуги с самозанятым

Образец счета на предоплату 50 процентов за услуги

Ответ банку по 115 фз образец

Разбираем катушку зажигания

Рестораны краснодара с живой музыкой

Рисунок телеграммы для детей

Схема питания в пустыне

Схема задней подвески гольф 6

Взломщик вай фай

Желтуха новорожденных лечение

cdn.zecar.ru