Skip to content

Фотогалерея

  • Главная
  • Контакты

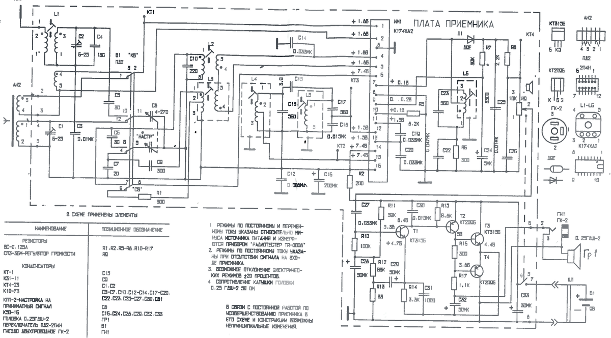
174Ха2

Simple Receiver On Chip К174ха2 (160,80 Or 40 Meters) - Radio - AliExpress

К 174ХА2, Tube К174ХА2; Röhre К 174ХА2 ID61658, IC - Integra ...

Приемник на К174ХА2 - YouTube

Радиотракт на к174ха2 - YouTube

Радиоприемник на 174ха2 на 80 метров. - YouTube

"Декоративные буквы рисунок"

"Декоративные буквы рисунок"

Старые приемники на 174ХА2. | Старый радио любитель | Дзен

Состав радиосредств

cwmachine.blogspot.com: Очень простой способ переделки КВ приёмника для ...

cwmachine.blogspot.com: Очень простой способ переделки КВ приёмника для ...

Помогите С Микросхемой - КВ и УКВ радиосвязь - Форум по радиоэлектронике

Куплю мікросхеми 136ЛР1 new в Сумах - Биржа оборудования ProСтанки

Подскажите что за деталь применяеться в схеме - Радиоэлементы - Форум ...

Старые приемники на 174ХА2. | Старый радио любитель | Дзен

Старые приемники на 174ХА2. | Старый радио любитель | Дзен

Старые приемники на 174ХА2. | Старый радио любитель | Дзен

К174ха2

cwmachine.blogspot.com: Очень простой способ переделки КВ приёмника для ...

Мікросхема 171УВ2, 174ХА2, 174ХА5, 175УВ1А, 175УВ4 купить в Сумах ...

МАЗ-543205. Электрические схемы - часть 3

Мікросхема Н563РЕ1 купить в Сумах - Биржа оборудования ProСтанки

Цепи АРУ

174ХА2 микросхема >> 279 шт недорого купить

174ХА2 микросхема >> 279 шт недорого купить

174ХА2 микросхема >> 279 шт недорого купить

К134ЛБ2 микросхема >> купить недорого

Новый одноплатный радиотракт КВ трансивера

Аналоговое Управление Нагрузкой Токовой Петлей - Схемотехника для ...

Поляков приемники прямого преобразования

Повысить чувствительность приемника на К174ХА2 - Страница 2 - Песочница ...

Радиоприемник Вега РП-245С-1 | Записки крутилкина | Дзен

Радиоприемник Вега РП-245С-1 | Записки крутилкина | Дзен

Микросхемы купить в Ростове-на-Дону | Электроника | Авито

174ха2 с 14 выводами?

  • Вперед Карта осадков бобров
  • Назад Bat54c datasheet

Новые страницы

Денис предложил михаилу свою помощь в ремонте

Донный клапан для раковины леруа

Гдз по математике башмакова 3 класс

Как ездить на вариаторе тойота

Камри в чите

Машина дпс картинки для детей как нарисовать

Народные костюмы народов россии картинки для детей с названиями

От чего подходят рессоры на газель

Пляж лазурный берег евпатория

Подъемник автомобильный чертеж

Поворино фото вокзал

Презентация 7 класс технические открытия и выход к мировому океану 7 класс

Приказ об утверждении должностной инструкции контрактного управляющего по 44 фз образец 2022

Пушкин братья разбойники

Расходящееся косоглазие у детей лечение

Расписание занятий в фитнес хаус на ветеранов

Растение какого отдела занимают в настоящее время господствующее положение на земле

Разболтовка дисков мицубиси галант

Решу огэ математика тренировочные

Схема строительства объекта

Спортивные зимние фото

Спортивное ориентирование спорт

Сто борисоглебск

Учебник по алгебре никольский 7 класс

В каком виде спорта россия завоевала

Волк бежит рисунок

Взбудораженная пароходом водяная гладь

Запотевание фары приора

Заявление о выдаче государственного сертификата на материнский семейный капитал образец заполненный

Жалоба в роспотребнадзор образец на магазин

cdn.zecar.ru