Skip to content

Фотогалерея

  • Главная
  • Контакты

100N03a

100N03A UMW(Youtai Semiconductor Co., Ltd.) | C668200 - LCSC Electronics

100N03A UMW(Youtai Semiconductor Co., Ltd.) | C668200 - LCSC Electronics

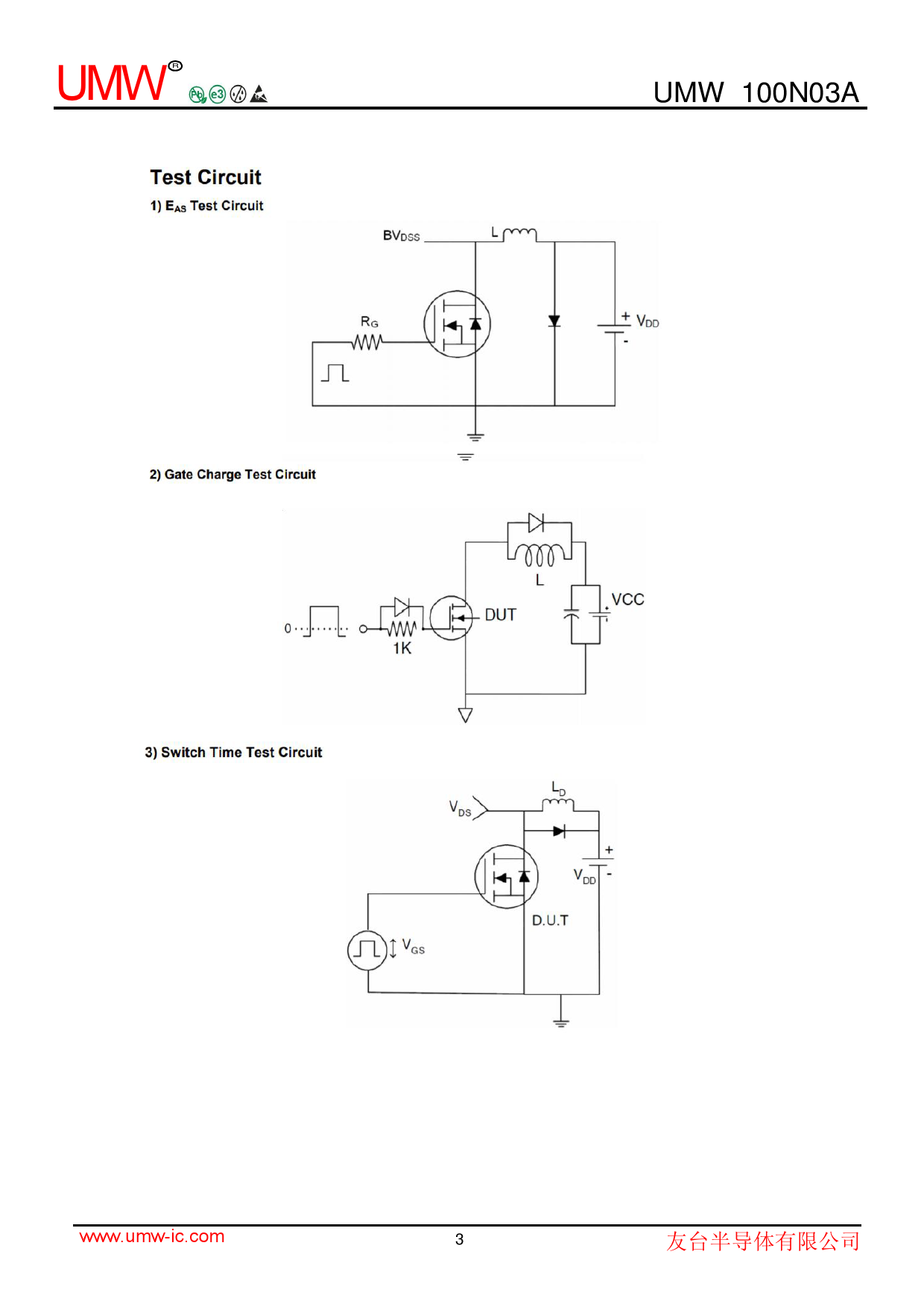
100N03A datasheet(4/5 Pages) KIA | 90A竊?0V N-CHANNEL MOSFET

100n03a datasheet(5/5 Pages) KIA | 90A竊?0V N-CHANNEL MOSFET

10pcs 100N03A TO-252 30V/90A N-channel MOS Field Effect Tube Transistor ...

Koupit 10pcs/lot 100n03a K-252 100n03 To252 30v/90a N-channel Mos Pole ...

UMW 100N03A/TO-252-82969-深圳优信电子科技有限公司

UMW 100N03A/TO-252-82969-深圳优信电子科技有限公司

100N03A-VBTO251一款N-Channel沟道TO251的MOSFET晶体管参数介绍与应用说明资源-CSDN文库

100N03A TO-252 транзистор (2 шт.) ЧИП D-PAK, схема 100N03 ...

UMW 100N03A/TO-252-82969-深圳优信电子科技有限公司

10 Pieces/Lots 100N03A New High Quality IC 100N03 TO-252 MOSFETS ROHS ...

Jual Mosfet 100n03 100N03A di Lapak greenergy | Bukalapak

10PCS-LOT-100N03A-30N06-40N06-50N06-15N10-TO-252-30V-90A-MOS-Field ...

100N03A_(UMW(广东友台半导体))100N03A中文资料_价格_PDF手册-立创电子商城

100N03A_(UMW(友台半导体))100N03A中文资料_价格_PDF手册-立创电子商城

VBE2104N | VBsemi Elec | MOSFETs | JLCPCB

FQD5P10TM | onsemi | MOSFETs | JLCPCB

TK8S06K3L-VB | VBsemi Elec | MOSFETs | JLCPCB

100N03 100N03A Mosfet New & Original, View 100N03A, JIEXING Product ...

5S 40A/60A/80A smart board lipo lithium Polymer BMS/PCM/PCB battery ...

Ремонт ЭБУ китайского дизельного фена — DRIVE2

isplsi1016e-100lj-isplsi1016e-100lj批发、促销价格、产地货源 - 阿里巴巴

100N03A_(UMW(广东友台半导体))100N03A中文资料_价格_PDF手册-立创电子商城

1016-90lj-1016-90lj批发、促销价格、产地货源 - 阿里巴巴

MOS (Field Effect Tube) - แนะนำโดยละเอียด - UMW Youtai Semiconductor ...

Оффлайн

78294@mail.ru - 3D печать, крепления для L-boxx Bosch, Festool и многое ...

常用低压mos管型号与电压参数

UMW友台 2N60L FQD2N60C N沟道 2A 600V TO-252贴片 场效应MOS管-Taobao

10 pièces puce de circuit intégré patch NCE3080K TO-252 30V/80A 3080K ...

GitHub - okalachev/flix: Making an ESP32-based quadcopter from scratch

100N03A_(UMW(友台半导体))100N03A中文资料_价格_PDF手册-立创电子商城

78294@mail.ru - 3D печать, крепления для L-boxx Bosch, Festool и многое ...

Сообщений:6922 Репутация: 57 ±

  • Вперед В нарушении правил обмена валюты подозреваются четыре работника банка а в с и d известно
  • Назад Условия назначения страховой пенсии по инвалидности

Новые страницы

203 Упр

553 Приказ мон рк об утверждении типовых учебных планов

9241

Автоэлектрик муром

Фитнес клуб с бассейном цена абонемента

Гдз по химии 8 класс габриелян 2007

Гдз по математике 6 класс мерзляк номер 694

Кабель gcr

Как вынуть личинку из замка зажигания

Карта метро куала лумпура

Картинки несмотря на погоду хорошего дня и настроения

Каток в парке победы ставрополь

Клиника шарите берлин

Mercedes clc

Орешник дерево

Парк в финляндии

Притерли бампер как убрать

Простой чертеж детали с размерами

Реле зарядки ваз 2109 карбюратор

Резкое выпадение волос у женщин причины

С ф на аванс образец

Схема дружины

Схема строения элементов

Система судов схема

Создание пользовательского интерфейса

Транзистор 3407

Ветреный холм 17

Запись к психотерапевту спб

Заявление на самостоятельный уход из школы образец ребенка домой

Заявление об отмене судебного решения о взыскании задолженности по кредиту образец

cdn.zecar.ru