Skip to content

Фотогалерея

  • Главная
  • Контакты

Ждущий мультивибратор

Мультивибратор- как работает, схема

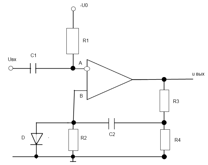
16 Ждущий мультивибратор на оу

Ждущий мультивибратор (одновибратор)

Ждущий мультивибратор - презентация онлайн

formal Prevención Sombreado multivibrador astable 555 calculos Playa ...

мир электроники - Ждущий мультивибратор

ОКР МУЛЬТИВИБРАТОР ЖДУЩИЙ МУЛЬТИВИБРАТОР ОДНОКОЛЕБАТЕЛЬНЫЙ ...

1495980 - Управляемый ждущий мультивибратор климова — PatentDB.ru

3.1. Ждущий мультивибратор

Ждущий мультивибратор – одновибратор.

886220 - Ждущий мультивибратор — PatentDB.ru

Ждущий мультивибратор на транзисторах

ОКР МУЛЬТИВИБРАТОР ЖДУЩИЙ МУЛЬТИВИБРАТОР ОДНОКОЛЕБАТЕЛЬНЫЙ ...

К155АГ1, микросхема, ждущий мультивибратор, аналог SN74121. — купить в ...

Схема и описание ждущего мультивибратора с катодной связью

ждущий мультивибратор на логических элементах

Ждущий мультивибратор

Мультивибратор и Как это РАБОТАЕТ - YouTube

СХЕМА ЭЛЕКТРИЧЕСКАЯ СТРУКТУРНАЯ - Ждущий мультивибратор

ждущий мультивибратор на логических элементах

Принципиальная схема мультивибратора - Схемы

ждущий мультивибратор на логических элементах

ждущий мультивибратор с эмиттерной связью

Супер простая схема для десульфатации аккумулятора , мультивибратор на ...

Ждущий мультивибратор. | Morfey13 вики | Fandom

Ждущий мультивибратор

261454 - Ждущий мультивибратор — PatentDB.ru

Ждущий мультивибратор на 555

47.Мультивибратор на логических элементах

Мультивибратор на транзисторах

Схема включения элементов

Как работает мультивибратор во всех подробностях - YouTube

Ждущий мультивибратор с возможностью перезапуска - стр. 2

Превратите RS-триггер в автоколебательный/ждущий мультивибратор ...

Простейший мультивибратор для начинающих - YouTube

  • Вперед Транспорт виды транспорта для дошкольников картинки
  • Назад Тока бока картинки распечатать цветные

Новые страницы

3 Б класс картинки

Алгебра 7 класс упражнение 957

Английский язык 4 класс рабочая тетрадь степ 5 юнит 7

Биология 5 класс страница 101

Деревня в турции алачати

Дс к трудовому договору о повышении оклада образец

Изготовление душевых кабин под ключ

Как долго холодильник набирает холод после первого включения

Как поменять сайлентблоки на жигулях

Какой аккумулятор ставить на ваз

Картинки белых человечков для презентаций

Кфс братск

Математика стр 97 номер 4

Миттельшпиль в шахматах

Можно заниматься спортом заниматься грыже

На воздухе литий может подвергаться химической коррозии с чем он при этом реагирует

Непротивление злу слитно или раздельно

Никита шалюков дом 2 с кем встречался на проекте

Организация соревнований по спорту

Отчет депутата о проделанной работе образец

Перевод апартаментов в жилое помещение

По составу слово пересмешник

С днем рождения нафиса картинки

Самостоятельная работа 23

Специи картинки с названиями

Спортивный танец россия

Загорается ручник при езде

Замена автостекол марьино

Заявление на развод с детьми по обоюдному согласию через суд образец

Ждущий мультивибратор

cdn.zecar.ru