Skip to content

Фотогалерея

  • Главная
  • Контакты

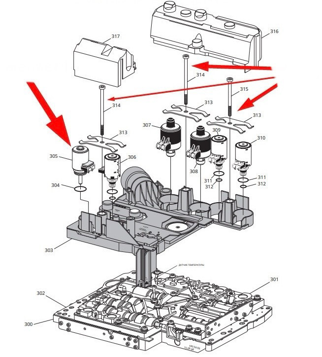
Замена соленоида w211

Замена соленоида блокировки гидротрансформатора. — Mercedes-Benz E ...

Замена соленоида и попутная замена масла в акпп w211 722.6 - YouTube

Замена Масла в АКПП замена соленоида — Mercedes-Benz E-Class (W211), 2 ...

Замена соленоида блокировки 722.6 — Mercedes-Benz E-class (W211), 1,8 л ...

Очередное ТО, замена соленоида АКПП — Mercedes-Benz E-class (W211), 2 л ...

Замена соленоида блокировки гидротрансформатора и масла АКПП 722.6🙏🏼 ...

Замена соленоида блокировки — Mercedes-Benz E-class (W211), 3,2 л, 2003 ...

Замена соленоида блокировки — Mercedes-Benz E-class (W211), 3,2 л, 2003 ...

Замена соленоида блокировки ГТ и промывка гидроблока — Mercedes-Benz E ...

Замена масла и соленоида в АКПП 722.6 — Mercedes-Benz E-class (W211), 2 ...

Замена Масла в АКПП замена соленоида — Mercedes-Benz E-Class (W211), 2 ...

Замена соленоида блокировки гидротрансформатора и масла АКПП 722.6🙏🏼 ...

Замена соленоида блокировки гидротрансформатора. — Mercedes-Benz E ...

Замена соленоида блокировки гидротрансформатора и масла АКПП 722.6🙏🏼 ...

Замена соленоида блокировки гидротрансформатора — Mercedes-Benz E-class ...

Замена Масла в АКПП замена соленоида — Mercedes-Benz E-Class (W211), 2 ...

Замена соленоида ГТ и Замена масла с фильтром… — Mercedes-Benz E-class ...

Замена соленоида блокировки гидротрансформатора и масла АКПП 722.6🙏🏼 ...

Замена соленоида, масла и фильтра в АКПП — Mercedes-Benz E-class (W211 ...

722.6 пинки на холодную. Замена соленоида блокировки муфты — Mercedes ...

Замена масла в АКПП 722.6 + замена соленоида. — Mercedes-Benz E-class ...

Замена масла в АКПП 722.6 + замена соленоида. — Mercedes-Benz E-class ...

Замена соленоида блокировки ГТ и промывка гидроблока — Mercedes-Benz E ...

Очередное ТО, замена соленоида АКПП — Mercedes-Benz E-class (W211), 2 л ...

Долгожданная замена соленоида блокировки гидроблока — Mercedes-Benz E ...

Замена соленоида блокировки гидротрансформатора — Mercedes-Benz E-class ...

Замена соленоида блокировки гидротрансформатора и масла АКПП 722.6🙏🏼 ...

Замена соленоида блокировки 722.6 — Mercedes-Benz E-class (W211), 1,8 л ...

Замена Масла в АКПП замена соленоида — Mercedes-Benz E-Class (W211), 2 ...

Замена соленоида блокировки ГТ и промывка гидроблока — Mercedes-Benz E ...

Замена соленоида ГТ и Замена масла с фильтром… — Mercedes-Benz E-class ...

Замена соленоида АКПП 722.696 — Mercedes-Benz E-class (W211), 2,6 л ...

Замена соленоида в акпп AISIN aw55 51sn ВОЛЬВО ХС70. - YouTube

Замена масла в АКПП 722.6 + замена соленоида. — Mercedes-Benz E-class ...

  • Вперед Как из беспроводного звонка сделать проводной
  • Назад Вяжем рисунок схема

Новые страницы

10 Популярных видов спорта

Айсылу с днем рождения картинки красивые

Башкирский академический театр драмы имени мажита гафури

Циакриновый клей

Детский спортивный комплекс пристенный

Дистрофия лечение

Фитнес на звенигородской

Г лиски такси номер телефона

Гдз 7 класс алышева

Ключ храповика ваз 2107 инжектор

Купить шлем спорт

Модель мусорной корзины джеймса марча презентация

Мокко кофе

Мужчина в спортивном зале

Образец заявления подотчетного лица на выдачу денег

Письмо ходатайство о награждении почетной грамотой администрации образец

При каких условиях возникает тренировочный эффект

Протокол технического совещания образец

Русский язык девятый класс гдз

Схема реле регулятора генератора ваз

Схема смоленского кладбища с указанием захоронений

Соглашение между физическими лицами образец

Сульфат аммония гидроксид натрия уравнение

Сварщик смешные картинки прикольные

Tinkoff investing

Упр 577 6 класс ладыженская

Ветреный отрывки

Волк и козлята читательский дневник

Восстановление ваз 21099

Заявление о взыскании алиментов на ребенка образец

cdn.zecar.ru