Skip to content

Фотогалерея

  • Главная
  • Контакты

Замена панели приборов ауди а4 б6

Замена сцепления ауди а4 б6 - фото

Распиновка панели приборов ауди а4 б5 - фото

Снятие приборной панели Ауди А4 б6 - YouTube

Значки на приборной панели автомобиля - обозначение всех индикаторов на ...

Как снять щиток приборов на ауди а4 б6

Замена панели приборов фольксваген Т4. Эксперимент. Часть 12. - YouTube

Распиновка панели приборов ауди а4 б5 - фото

Распиновка панели приборов ауди а4 б5 - фото

Ауди б4 распиновка предохранителей - Электротехника и электроника

Щиток приборов блок комфорту эбу ебу 2,5 Tdi Ауди А4 б6 Audi a4 b6: 100 ...

Ремонт щитка приборов ауди а6 с5 magneti marelli

Панелька схема

Как снять щиток приборов на ауди а4 б6

Значки на приборной панели бмв: Расшифровка лампочек панель приборов ...

Настройки tiguan бортового компьютера

Как снять щиток приборов на ауди а4 б6

Распиновка приборной панели ауди

Как снять щиток приборов на ауди а4 б6

Как снять щиток приборов на ауди а4 б6

Распиновка щитков ауди

Горят Значки на Панели Приборов Ауди а4 © Виды панелей | Buildt

audi a4 Функции!приборная панель! бортовой компьютер! ауди а4 FIS - YouTube

Распиновка приборной панели ауди а6 с4

Распиновка приборной панели ауди

Панель приборов автомобиля: расшифровка значков на приборной панели

Значения значков на приборной панели авто. – Telegraph

Значки ошибок на панели приборов фольксваген пассат б6 обозначение ...

Значки на приборной панели автомобиля фольксваген: Расшифровка ошибок ...

Замена панели приборов Шкода - YouTube

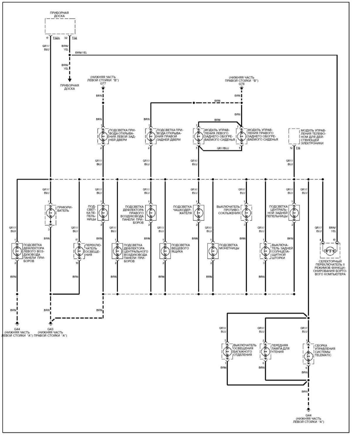
Подсветка приборов (Ауди А4 Б6, 2000-2006 / Электрооборудование ...

Замена приборной панели Ауди А6 C5 своими руками - пошаговая инструкция

Проверка приборной панели шкода октавия тур 1.6 aee - YouTube

Меняем интервал замены масла на панели приборов .Ауди а6с4.Audi a6c4 ...

Камаз 65115 панель приборов обозначения значков фото

Кузовной ремонт Ауди А4 замена задней панели часть 2 - YouTube

  • Вперед Распиновка проводов андроид установка
  • Назад Кейтеринг доставка еды

Новые страницы

Английский язык 3 класс страница 59 номер 6

Аппарат рехау

Экшн камера sports hd dv

Геометрическая схема

Гребнево усадьба

Гудит бензонасос ланос

Как определить какое полушарие мозга более развито по картинке

Как отменить приказ образец

Как правильно писать записки в церкви образец

Как снять стартер ниссан блюберд силфи

Карта таро луна и солнце значение

Картинки сингапур

Котел vitoplex 200 sx2a

Лада гранта стерлитамак

Мертвые души краткий пересказ

Найти ток через сопротивление в схеме

Образец написания жалобы

Офсет онлайн

Погода во владимире карта осадков онлайн

Повышенный билирубин лечение

Принципиальная схема электрической плиты

Прохождение игры city 2 в картинках

С днем рождения армянину картинки

Схема бессоюзного сложного предложения с двоеточием

Схема подключения редуктора

Сломалась ручка замка входной двери

Светодиоды 660 нм

Транспортная карта заводоуковск

Валя карнавал в египте

Volkswagen орел

cdn.zecar.ru