Skip to content

Фотогалерея

  • Главная
  • Контакты

Задвижка 300

Задвижка 300 30ч6бр чугунная фланцевая - Продажа в Москве.

Задвижка 30С42НЖ ДУ300 клиновая фланцевая купить

Задвижка гаражная ЗГ- 300 черная — купить в Петровиче в Санкт ...

Задвижка ду-300 | Festima.Ru - Мониторинг объявлений

Задвижка Hawle (Хавле) 4000E2 Ду 300 - купить задвижку Ду 300 Pу 16 ...

Задвижка Гранар KR Ду 300 - купить задвижку Ду 300 Pу 16 Гранар KR ADCA ...

«ЗАДВИЖКА ШИБЕРНАЯ ТИП 300 купить в Москве и Екатеринбурге в компании ...

Задвижка 30лс15нж Ду-300 Ру-40

Задвижка 1511-300-ЦЗ

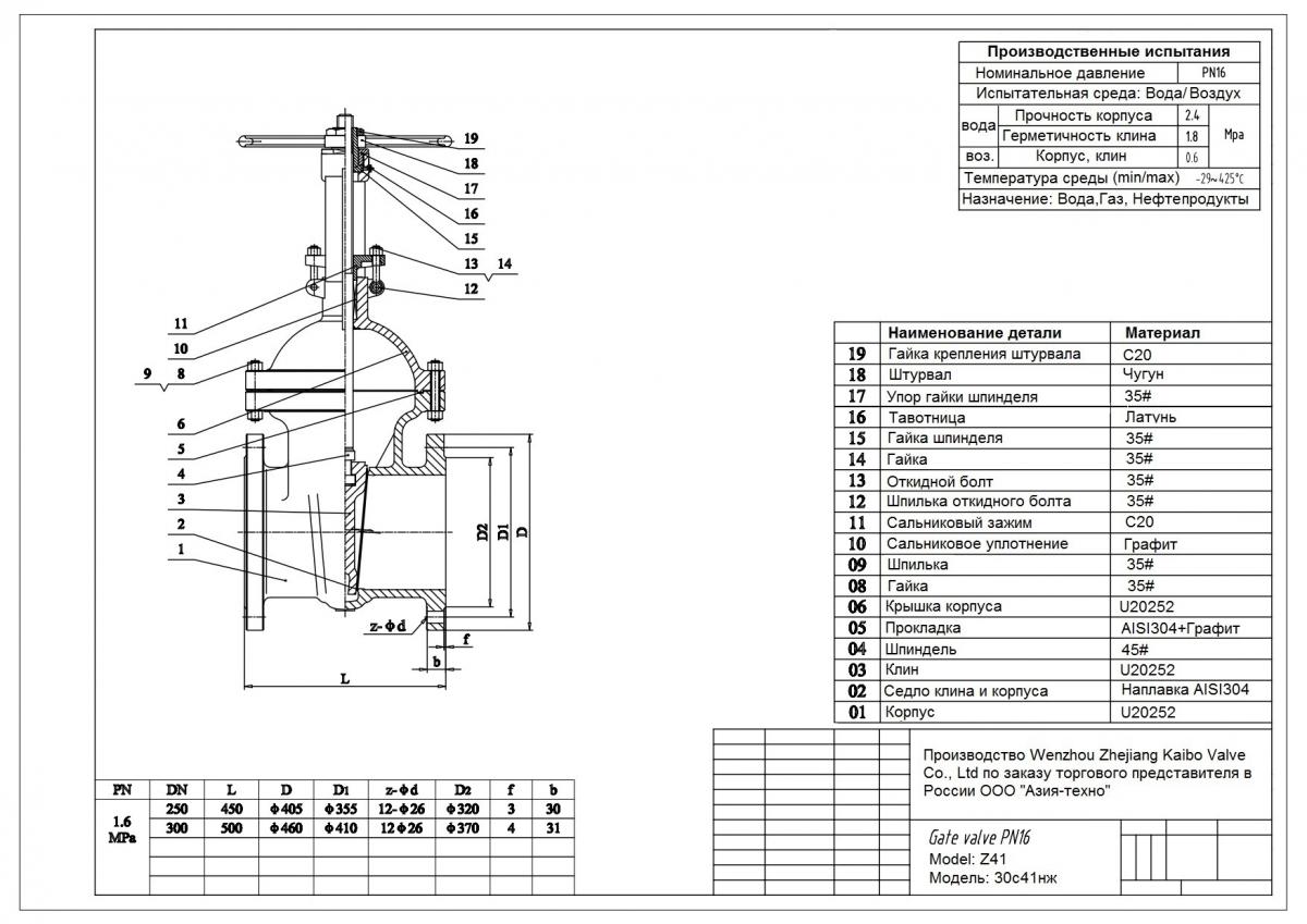
Задвижка стальная 30с41нж Ру16 | Азия-техно

Задвижка 30с41нж ду200 ру16 МЗТА - продам

Референс Девушки С Автоматом - HD фотoграфии

Задвижка стальная 30с941нж Ру16 | Азия-техно

Вентиль и задвижка — арматурные устройства трубопровода | Онлайн-журнал ...

Задвижка пробковая ПРЗ от завода Ривэлл

Шиберная задвижка купить в Тольятти - Биржа оборудования ProСтанки

Клиновые задвижки с невыдвижным шпинделем купить в САЗ «Авангард»

Задвижка 250 30ч39р с обрезиненным клином - Продажа в Москве.

Задвижка клиновая HAWLE 4000A DN50-300.

Задвижка Zetkama 111D Ду 350 - купить задвижку Ду 350 Pу 16 Zetkama ...

Задвижка 30с15нж Ду300 Ру40 (ручной привод) - Чертежи, 3D Модели ...

Прополис (пчелиная шпатлевка) сырой 100 г в Украине купить из Европы ...

Задвижка AVK 06/30 Dn500 Pn10 | Festima.Ru - Мониторинг объявлений

Задвижка клиновая чугунная фланцевая 30ч917бр Ру 10 Ду 300/250 купить в ...

Задвижки 30ч39р с обрезиненным клином, фланцевые, чугунные. Ру 16, Ду ...

879119 - Задвижка шиберная — PatentDB.ru

Задвижка пробковая ПРЗ от завода Ривэлл

Серебряная звезда. Самолеты семейства Farman 300. Часть 1 Прототип F ...

Колосник Чугунный 300 Мм — Купить Недорого на Bigl.ua (1824308920)

300-1000 hosted at ImgBB — ImgBB

Задвижка 30ч6бр с ручным управлением — МосЭлектроПривод

300_350

Задвижка AVK 06/70 Ду 300 - купить задвижку Ду 300 Pу 16 AVK 06/70 ...

Задвижка двухдисковая ЛАЗ 30ч906бр Ду150 Ру10 чугунная с выдвижным ...

? Задвижка с обрезиненным клином Fucoli Somepal ДУ 300 Ру 10 купить в ...?

? Задвижка с обрезиненным клином Fucoli Somepal ДУ 300 Ру 10 купить в ...

Задвижки – купить в Пензе по низкой цене | Задвижки с доставкой в ...

Задвижка чугунная 30ч530бр/30ч930бр производства КЗТА

??? ?? T-300 190mm ?? ?? - ????

Задвижка 30ч39р, Ду300 Ру16 - Каталог продукции компании \"Артель\"

Ножевая задвижка VLC0400L1

??? ?????? - 300g

OF-D4-300-03/300-04 ??300 ????? ?? ?? ?? ??? ??? (1638784712) | ???????

Задвижка шиберная ручная/электрическая Витязь: продажа, цена в Харькове ...

Задвижка 30ч6бр (31ч6бр) Ду 150 — \"ОМ-ТС\"

Задвижка шиберная ножевая фланцевая обзор

304+305 -->

Задвижка фланцевая из легированной стали 30лс41нж — БЗТА

Задвижка 30с915нж Ду250 Ру40 - (электропривод) - Чертежи, 3D Модели ...

Задвижка штампосварная фланцевая нержавеющая 30нж42нж ду150 ру10 завод ...

Задвижка 30с941нж Ду300 — \"ОМ-ТС\"

Основные характеристики стальных задвижек: от строения до маркировки

Акции Пятерочки с 12 декабря 2022 года — каталог товаров по акции на ...

Drukarka etykiet o rozbudowanych opcjach komunikacji TSC DA-320

c-300

Задвижка 30ч39р Ду 150 — \"ОМ-ТС\"

Stay-cation: Leg turist i din egen by | Costume.dk

ГрандАрматура

HORIZONTAL CONVEYOR (Page 36)

Задвижка и кран шаровый разница 87 фото

Продам/купить задвижка реечная электрическая, задвижка реечная ручная ...

Задвижка (шибер) поворотная - заказать в Москве, цены от производителя

Задвижка 30ч915бр под электропривод Ду 500 — \"ОМ-ТС\"

  • Вперед Спорт владимирская область
  • Назад Уд708 микросхема описание и схема включения

Новые страницы

3000Gt mitsubishi

Андрей витвицкий

Аоок на металлоконструкции образец заполнения

Черешня это фрукт или ягода

Детские картинки на прозрачном фоне гусь

Доклад для конференции образец

Эффективная тренировка для женщин

Электромоторчики

Гдз по английскому 7 биболетова рабочая тетрадь

Гдз по английскому языку 7 класс упр 5 стр 89

Геометрия 10 класс мерзляк углубленный

Gta 4 карта со всеми обозначениями

Какая компрессия в двигателе

Каравелла лагерь официальный сайт

Клиренс тиида

Красная площадь в ссср

Купить спортивную сумку для тренировок

Mongoose сигнализация инструкция

Прививка пентаксим побочные эффекты у детей

Проект на тему язык как хранилище сведений об истории русского народа

Схема станции метро аэропорт внуково

Схемы организации баз данных

Схемы слов ударения

Сколько типов схем

Спортивные залы в центре

Сталинградская битва карты и схемы боевых действий

Транзистор мп26

Уаз под охоту

Ученье свет а неученье чуть свет и на работу картинка

Усинск тропа здоровья карта

cdn.zecar.ru