Skip to content

Фотогалерея

  • Главная
  • Контакты

Wt7520 atx блок питания схема

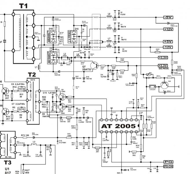
Wt7520 Atx Блок Питания – Telegraph

Wt7520 схема блока питания - Вместе мастерим

Wt7520 atx блок питания схема

Wt7520 Atx Блок Питания – Telegraph

Wt7520 Atx Блок Питания – Telegraph

Wt7520 atx блок питания схема

Схема блока питания ATX 200W

Современные блоки питания ATX и их характеристики GECID.com.

Устройство компьютерных блоков питания и методика их тестирования ...

Wt7520 Atx Блок Питания – Telegraph

Wt7520 atx блок питания схема

Компьютерные блоки питания атх схемы электрические принципиальные

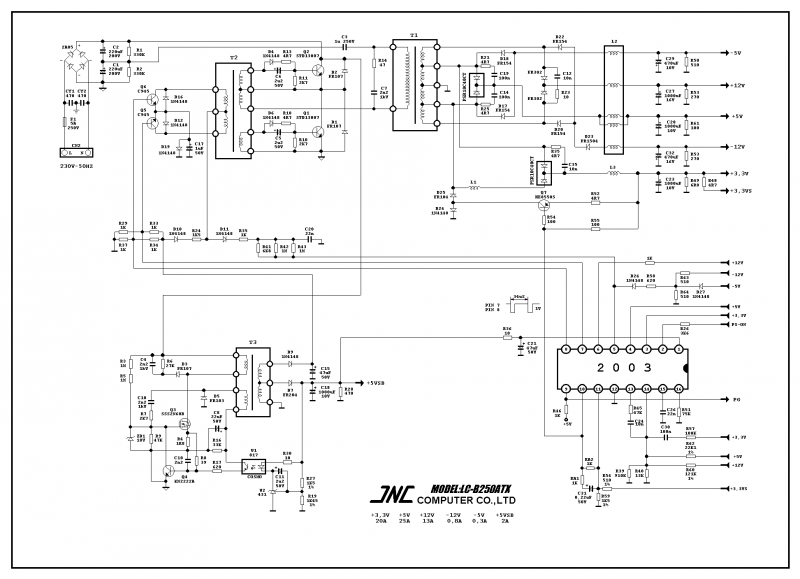
jnc_y-b200-atx.gif (2460×1656) | Aprender electronica, Electrónica ...

Схема зарядного устройства из блока питания компьютера

Схема компьютерного блока питания

Wt7520 Atx Блок Питания – Telegraph

Схемы компьютерных блоков питания ATX, AT и ноутбуков

Atx-250-12e Schematic Inspirational | Принципиальная схема, Электронная ...

Wt7520 схема блока питания - Вместе мастерим

Схемы. Схемы Блок питания foxconn fx 500 a

Схема блока питания компьютера

Схема компьютерного блока питания на tl494

Wt7520 Atx Блок Питания – Telegraph

Схема блока питания на wt7520 схема - Фото подборки 3

Блок питания атх регулировка напряжения от чистого нуля до максимум

Wt7520 Atx Блок Питания – Telegraph

Схема блока питания wt7520

Wt7520 Atx Блок Питания – Telegraph

Como é uma fonte de alimentação de computador e como iniciá-la sem um ...

Wt7520 схема блока питания

Схема компьютерного блока питания на tl494

Wt7520 схема блока питания: Схемы компьютерных блоков питания ATX ...

Схемы компьютерных блоков питания ATX и AT. Cборка № 10

Блок питания rls atx 300 схема

Регулируемый блок питания из блока питания компьютера ATX. Радиотехника ...

  • Вперед Погода пермь сегодня карта осадков онлайн
  • Назад Самозанятому выставить счет юр лицу

Новые страницы

Анкета для собеседования при приеме на работу образец скачать

Декларация о соответствии участника закупки требованиям 223 фз образец 2022 года

Диагностика свечей зажигания по внешнему

Электромонтажник электрических сетей и электрооборудования

Фортуна изображение богини

Гдз по математике 5 класс дорофеев номер 869

Гдз по окружающему миру 3 класс рабочая тетрадь стр 23

Иммобилайзер 2114 отключение

Ионная схема образования

Как начать заниматься йогой

Как вылечить подагру

Карта охотугодий татарстана общедоступных

Математика 6 класс виленкин 2 часть учебник скачать

Механическая работа совершается если тело покоится тело движется

Набережная реки мойки пенза

Накопительный нагреватель

Натянуть ручной тормоз лифан солано

Не горит ангельский глаз

Образец заявления о расторжении договора на оказание услуг и возврат денег

Ответы по английскому 3 класс рабочая тетрадь

При внематочной беременности какой уровень хгч

Рассмотрение административных дел судом первой инстанции

Реактив для распознавания солей аммония

Решебник по русскому языку 8 класс ладыженская синий

Схема объекта недвижимости

Схемы предложений с однородными чл предложения

Специалист по приемке квартиры в новостройке

Sport part 3

Welbike

Замена фильтра салона дастер

cdn.zecar.ru