Skip to content

Фотогалерея

  • Главная
  • Контакты

Виндом схема

Виндом схема. Блок предохранителей Тойота Виндом 30 кузов. Схема предохранителей Тойота Windom mcv21. Схема предохранителей Тойота Виндом mcv30. Предохранители Тойота Виндом 1997.

Виндом схема

Виндом схема

Виндом схема

Виндом схема

Виндом схема. Кв антенна двойной Цеппелин 160\80\40 м. Антенна двойной Цеппелин на 80 м. Dl7ab многодиапазонная антенна. Кв антенна Цеппелин многодиапазонная.

Виндом схема. OCF диполь. Антенна k1poo. Антенна OCFD. K1poo 4 Band off Centre Feed Dipole 40-20-15-10m.

Виндом схема. Расположение датчика скорости g22. Расположение датчика скорости на АКПП Тойота. Схема датчика скорости на АКПП f1. Расположение датчика скорости r18a.

Виндом схема. Схема реле регулятора напряжения генератора Тойота. Реле регулятор Тойота схема подключения. Схема подключения генератора Тойота. Схема генератора Тойота Хайс 2.4 дизель.

Виндом схема. Кв антенна Виндом 80-10 м. Антенна Windom 10-40 метров. Антенна Windom 10-80 метров. Антенна Windom 10-20-40 метров.

Виндом схема. Антенна City Windom 10-40 метров. Кв антенна Сити Виндом 10--80м. Кв антенна Виндом 80-10 м. Антенна IV Windom.

Виндом схема. Антенна несимметричный диполь 10-40 метров. Антенна Виндом 160-10 метров. Антенна несимметричный диполь 160 метров. Кв антенна диполь на160 80 40 и 20 метров.

Виндом схема. Антенна Windom 10-80 метров. Кв антенна Виндом 80-10 м. Кв антенна несимметричный диполь на 40 м. Кв антенна несимметричный диполь на 80.

Виндом схема. Кв антенна Виндом 80-10 м. Антенна City Windom 10-40 метров. Антенна City Windom 10-80 метров. Антенна Windom 10-20-40 метров.

Виндом схема

Виндом схема. Архитектура ОС Windows NT. Архитектура ядра ОС Windows. Архитектура операционной системы виндовс. Упрощенная схема архитектуры Windows.

Виндом схема. Балун 1 1 на ферритовом кольце. Балун 1 9 на ферритовых трубках. Схема согласующего трансформатора для антенны. Согласующий трансформатор 1:4 на кольце.

Виндом схема. Структура программы Windows forms. Приложение Windows forms.

Виндом схема. City-Windom (CW80.1000),. Кв антенна City-Windom cw80100. Антенна City Windom 10-40 метров. Антенна Радиал CW80.1000.

Виндом схема. Схема строения операционной системы. Схема структуры ОС. Структура операционной системы Windows схема. Структура ОС виндовс 7.

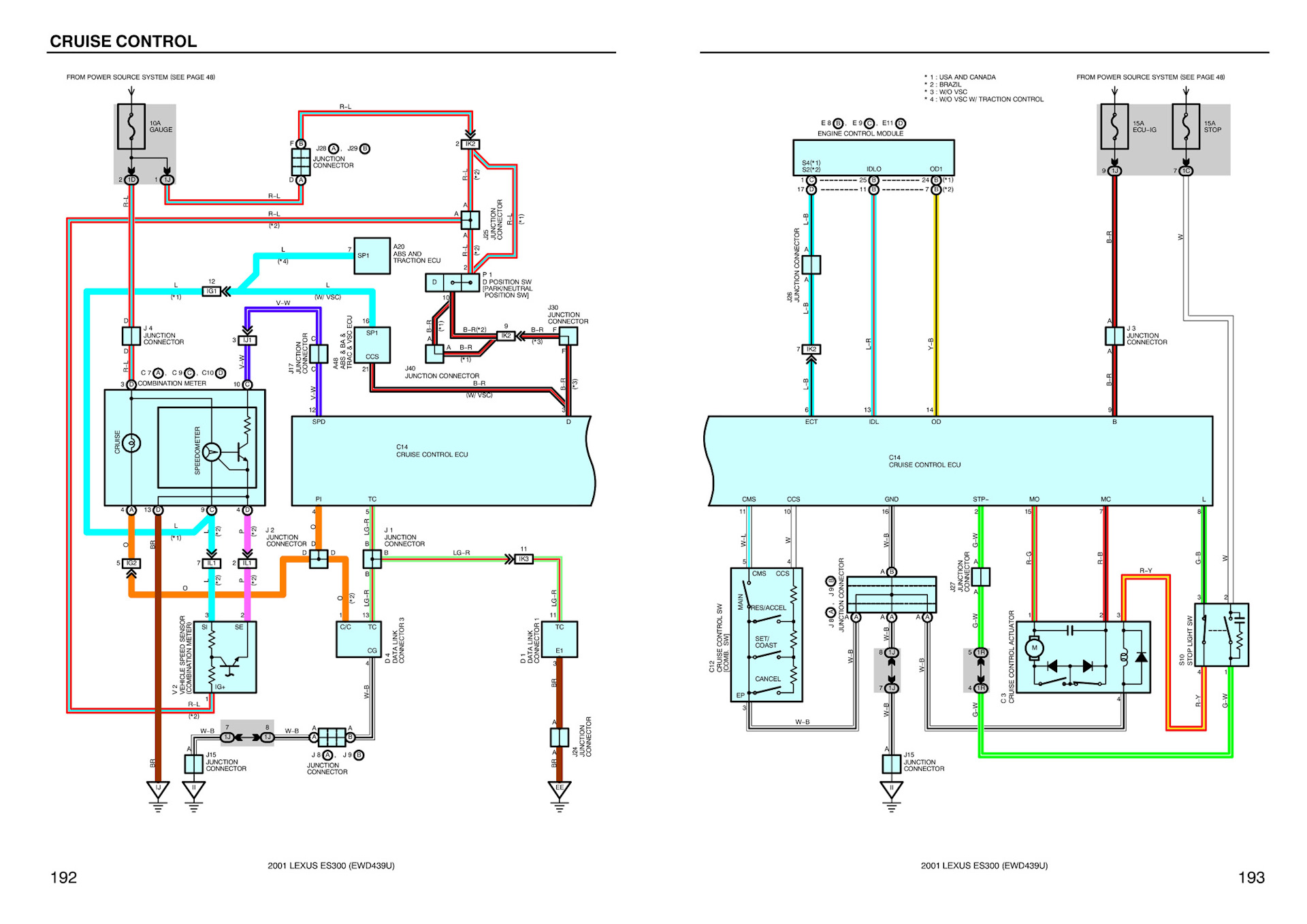
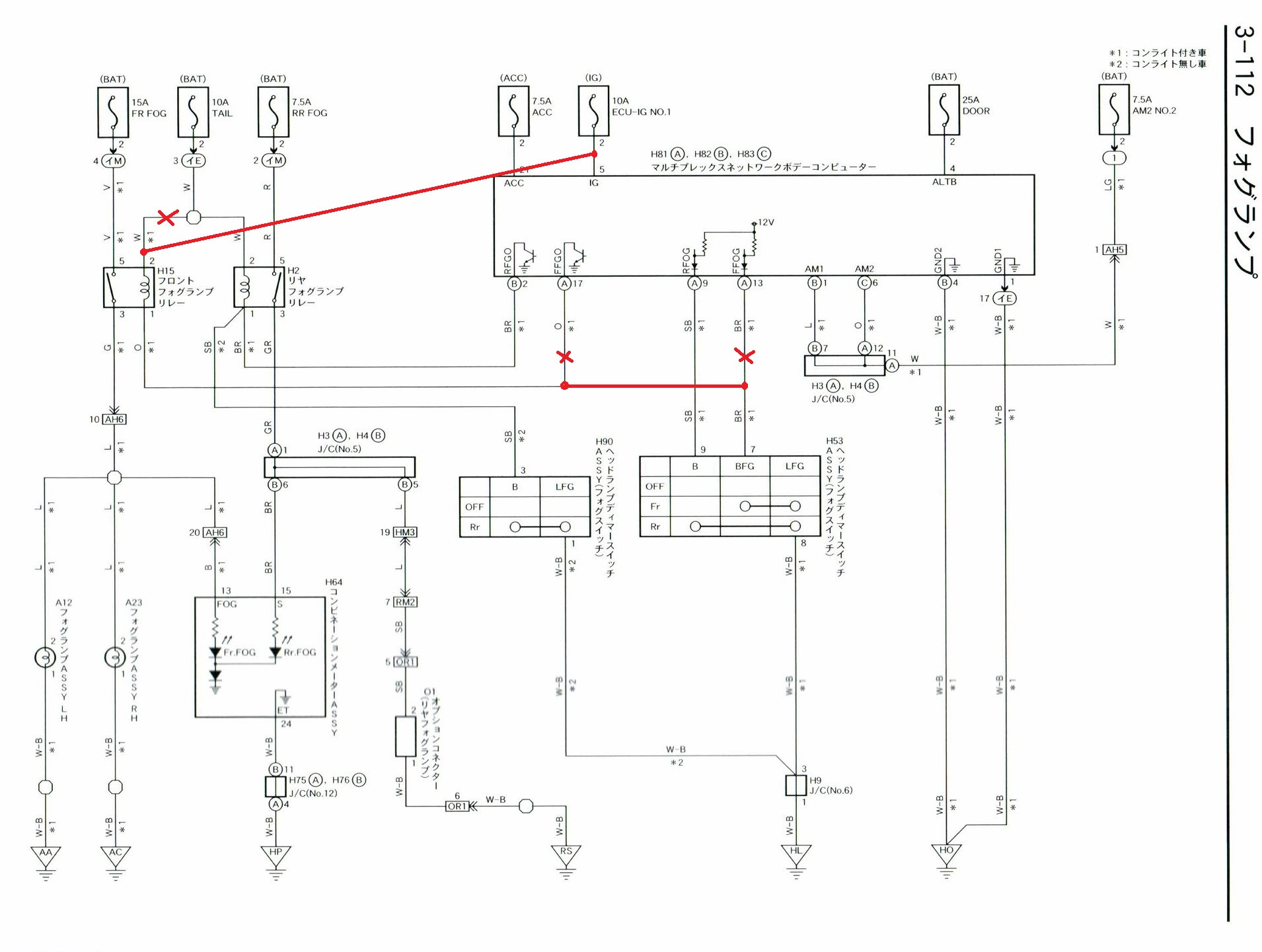
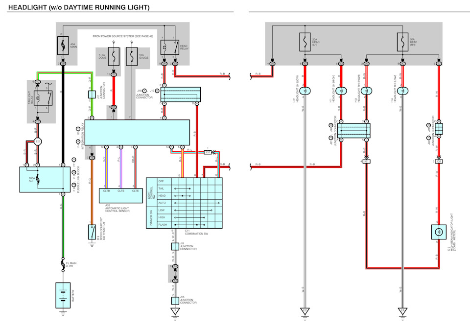
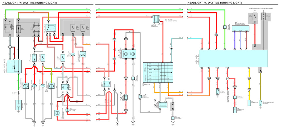
Виндом схема. Toyota mcv30 схема. Схема предохранителей Windom mcv30 3.0. Схема предохранителей Тойота Виндом mcv30. Схема системы зажигания Тойота Виндом MCV-30.

Виндом схема. Схема электрооборудования Toyota Carina at170. Электрическая схема Тойота Королла двигатель 5а 100. Схема электрооборудования двигателя 5 е. Электрическая схема Тойота Карина 210 зажигания.

Виндом схема. Антенна cw80100 своими руками. Схема антенны Виндом. Антенна Виндом 160 метров схема. Проволочная антенна Виндом схема.

Виндом схема. Антенна Windom fd4 80-10m. Антенна Windom 10-80 метров. Кв антенна Виндом 80-10 м. Антенна Windom 10-40 метров.

Виндом схема. Многоконтурная схема. Пример многоконтурной системы управления. Схема многоконтурной замкнутой системы. Многоконтурная система управления.

Виндом схема. Схема антенны City Windom. Кв антенна Виндом 80-10 м. Кв антенна Виндом 80-10 м согласование с кабелем питания. Антенна Сити Виндом своими руками.

Виндом схема. Схема подключения доводчика стекол с АЛИЭКСПРЕСС на 4 двери. Доводчик стекол Хонда Аккорд 7 схема. Доводчик стекол с АЛИЭКСПРЕСС схема. Блок доводчик стекол Джили Эмгранд ес7.

Виндом схема. Антенна w5gi. W5gi кв антенна. Антенна w5gi 80m. Antenna w5gi Original 10 диапазонов.

Виндом схема

Виндом схема. Антенна City Windom 10-40 метров. Кв антенна Сити Виндом 10--80м. Антенна Windom 10-160 метров. Антенна Ситти Виндом на 10 20 40 метров.

Виндом схема

Виндом схема. Toyota Mark 2 Blueprint. Тойота Марк 2 чертеж. Тойота Марк 2 габариты. Чертеж Тойота Марк 2 100 кузов.

Виндом схема. Антенна Виндом 160-10 метров. Несимметричный диполь 80-40-20. Антенна ОЦФ на 80 40 20 м. Вседиапазонная антенна типа vs1aa.

Виндом схема. Антенна vp2e многодиапазонная. Антенна базука 10-80 метров. Антенна кв 80м ссд. Антенна диполь 2х25.

Виндом схема. Антенна City Windom 10-40 метров. Антенна City Windom 20-40 метров. Кв антенна Виндом 80-10 м. Антенна Windom 10-20-40 метров.

Виндом схема. Антенна City Windom 10-40 метров. Кв антенна Сити Виндом 10--80м. Антенна City Windom 10-80 метров. Кв антенна Виндом 80-10 м.

Виндом схема. Антенна City Windom 10-40 метров. Антенна City Windom 20-40 метров. Антенна Виндом 160-10 метров. Антенна OCF на 80м.

Виндом схема. Антенна Windom 10-80 метров. Кв антенна Виндом 80-10 м. Антенна Виндом на 80 м. Антенна Виндом на 40 метров.

Виндом схема

Виндом схема. Предохранители Тойота Виндом 1995 2.5. Блок предохранителей Тойоты Виндом св30. Предохранители Тойота Виндом 11 кузов. Toyota Windom vcv11 предохранители.

Виндом схема. Антенна w3dzz на 80 и 40. Антенна w3dzz 160/80. Антенна w3dzz на 80 и 40 метров. Антенна w3dzz финского радиолюбителя.

Виндом схема. Схема переднего привода Тойота венза 2010 года. Передний приводной вал Тойота Гранвия. Шрус 4340906010. 43403b Joint Set, Front Axle inboard, LH.

Виндом схема. Локальный Active Directory. Службы Active Directory. Служба каталогов Active Directory. Инфраструктура Active Directory.

Виндом схема. Архитектура ядра ОС Windows. Архитектура ядра ОС Windows NT. Архитектура операционной системы Windows 10 схема. Архитектура ОС Windows Server.

Виндом схема

Виндом схема. Структурная схема ОС виндовс НТ. Структурная схема операционной системы. Блок-схема системного ядра ОС Unix. Блок-схема ОС виндовс.

Виндом схема. SELINUX. SELINUX принцип работы. Прикладное программирование под Unix.. SELINUX презентация.

Виндом схема. Кв антенна диполь на 80 40 и 20 метров. Антенна несимметричный диполь на 20 метров. Антенна кв диполь на 80 40 и 20. Кв антенна несимметричный диполь на 40 м.

Виндом схема

Виндом схема

Виндом схема

Виндом схема. Антенна City Windom 10-40 метров. Кв антенна Виндом 80-10 м. Кв антенна несимметричный диполь на 40 м. Антенна Windom 10-80 метров.

Виндом схема. Антенна IV Windom. Вседиапазонная антенна типа vs1aa. Антенна американка на 3 МГЦ. Согласующее устройство кв антенны 40 метрового диапазона.

Виндом схема

Виндом схема

Виндом схема. Кв антенна Виндом 80-10 м согласование с кабелем питания. Балун 1:4 антенна на 160 метров. Антенна Windom 10-40 метров. Антенна типа длинный провод балун.

Виндом схема. Компоненты операционной системы схема. Структурная схема Windows 7. Структура Операционная система виндовс. Структурные компоненты системы управления вводом/выводом ОС Windows..

Виндом схема. Служба обновления Windows Server. Виндовс сервер принцип работы. Схема WSUS. WSUS сервер.

Виндом схема. Структура Windows. Структура виндовс. Структура приложения Windows. Структура операционной системы Windows.

Виндом схема. Антенна rz9cj на 80 метров. Антенна длинный Луч на диапазоны 160 80 и 40 метров. Многодиапазонная кв антенна несимметричный диполь. Антенна американка на 3 МГЦ.

Виндом схема. Антенна Windom OCF fd4 (fd3). Кв антенна Виндом 80-10 м. Антенна City Windom 10-40 метров. Антенна City Windom 20-40 метров.

Виндом схема. Антенна несимметричный диполь на 80 40 и20 метров. Кв антенна несимметричный диполь на 80 метров. Антенна несимметричный диполь 10-40 метров. Антенна City Windom 10-40 метров.

Виндом схема

Виндом схема

Виндом схема. Структура серверной Windows. Виндовс сервер схема. Структура системы виндовс. Wins сервера схема.

Виндом схема. Кв антенна на 3 МГЦ. Антенна ГП на 40 метров. Укороченная антенна на 40 метров. Направленная антенна на 40 метров 7мгц.

Виндом схема

Виндом схема. Windom электросхема акустики. Электрическая схема системы охлаждения Toyota Windom. Windom электросхема магнитолы. Схема приборной панели Windom mcv21.

Виндом схема

Виндом схема. Кв антенна Сити Виндом 10--80м. Антенна диполь 2 Эл на 20 метров. Схема антенны City Windom. Антенна провод 80м.

Виндом схема. Антенна 80-40-20-10-2 диполь. Антенна несимметричный диполь vp2. Антенна OCF 38.2+4 М. Антенна 80 м диполь Виндом.

Виндом схема

Виндом схема

Виндом схема. Антенна Windom 10-80 метров. Кв антенна Виндом 80-10 м. Антенна Windom 20-40 метров. Антенна несимметричный диполь 10-40 метров.

Виндом схема

  • Вперед Схема блока питания приставки
  • Назад Школа 619 калининского района официальный сайт

Новые страницы

Автосалон лада армавир

Бизнес модель проекта пример

Чопорный словосочетания

Дивеево монастырь как доехать из москвы на машине расстояние карта

Договор оказания образовательных услуг образец

Фитнес подарки на новый год

Герданы из бисера со схемами

Интерактивная карта days gone со всеми отметками на русском

Какой флаг у китая

Карточка предприятия образец

Краткое содержание лесной царь

Крона фитнес чебоксары

Кто длиннее ниссан теана или камри

Мерседес бенц класс е

Образец протокола технического совещания по строительству

Панькова татьяна

Переключение скоростей на ваз 21099

Предел изменчивости каких признаков данного объекта еще можно было бы исследовать

Приказ об изменении должности в штатном расписании образец

Продажа квартир в заречном свердловской области

Работа в грузчик

Рояль и пианино картинки для детей

Схема кад 2 санкт петербург на карте

Схема витафона принципиальная

Схемы цветов и деревьев

Спорт костюм 2023

Спортивная гимнастика мужчины соревнования

Установка илосос

Вольво новокузнецк

Воротник фриволите схема

cdn.zecar.ru