Skip to content

Фотогалерея

  • Главная
  • Контакты

В 7 13 схема

В 7 13 схема. Схема часов на микросхеме к176 ие13. К176ие18. К176ид3. Схемы на микросхеме к176ие12. Схема подключения микросхемы к176ие13. Часы на к176ие12 к176ие3 к176ие4 со светодиодным индикатором.

В 7 13 схема. Судовой дизель 6чсп 18/22 Дальдизель. Судовой двигатель 8ч 23/30. Дизель Генератор судовой 6ч 23/30. Поршень дизеля 6чсп 18/22.

В 7 13 схема

В 7 13 схема

В 7 13 схема. Двойная система шин с обходной схема. Схема с двумя рабочими и обходной системами шин. Ру 6кв схема с обводной системой шин. Схема 13н.

В 7 13 схема. Инкрементор схема. Трехразрядная схема инкрементора. Одноразрядный декрементор. 4 Разрядный Инкрементор.

В 7 13 схема. Okr схема. Метод окр схема. Схема опытно конструкторской работы. Окр анализ.

В 7 13 схема. Разветвленная цепь синусоидального тока. Схема замещения цепи синусоидального тока. Расчет разветвленных цепей с индуктивной связью. Генератор синусоидального тока схема.

В 7 13 схема. Схема электрооборудования Мерседес w211. Схема электрооборудования Мерседес g500. Мерседес w168 схемы. Схема Webasto Mercedes w168 дизель.

В 7 13 схема. Вольтметр универсальный в7-26 схема электрическая. В 7-13 вольтметр универсальный. В7-13 схема вольтметр универсальный. Схема электрическая принципиальная вольтметра ву-15.

В 7 13 схема. IEC 60034-1 двигатель схема. Испытательные схемы электродвигателя. Испытательная схема. Схема испытательного щита электродвигателя.

В 7 13 схема. Преобразователь для питания газоразрядных индикаторов схема. Mc34063 газоразрядные индикаторы. Преобразователь напряжения для питания люминесцентных индикаторов. DC-DC преобразователь повышающий 34063.

В 7 13 схема. Автоинвертор 12-220в схема на 3525. Китайский инвертор 12в-220в на транзисторах hfp11n40 схема. Схема инвертора 12 220 sg3525. Автоинвертор 12-220в плата питания.

В 7 13 схема. Схема внутреннего освещения Мерседес. Мерседес а класса 168 схема. Схема внутреннего освещения гольф 3. Митсубиси Мираж 4g13 схема проводки отопителя.

В 7 13 схема. Блок питания PS-15, 13,8в, 15а. Uc3843 блок питания. БП 13.8В 20а схема. Трансформаторный блок питания 13.8 в 30а схема.

В 7 13 схема. Ун9/27-1.3 схема. Ун9/27-1.3 схема подключения умножителя напряжения. Умножитель напряжения ун9/27-1.3 схема. Ун9/27 схема.

В 7 13 схема

В 7 13 схема. SMPS Single PWB 1-983-855-11 схема. Dps 5005 схема. SMPS Single PWB 1-004-520-11a. TP.ms3463s.pa511 схема.

В 7 13 схема. В7-13 схема вольтметр универсальный. В7-15 вольтметр универсальный схема. Схема ГВШ Т 13. Миксер ритм схема 6е7.102.271 изм.1.

В 7 13 схема. Кр145ик1901 светодиодных индикаторах. Электронные часы на кр145ик1901 схема. Схема часов электроника на кр145ик1901. Схема электронных часов на микросхеме кр145ик1901.

В 7 13 схема. Схема детектора нуля на оптроне. Детектор нуля схема. Схема детектора напряжения 220в на оптопаре инвертированный. Схема детектора нуля сетевого напряжения.

В 7 13 схема. Схема принципиальная электрического щита на 4 квартиры. Принципиальная электрическая схема щита ЩР-1. Схема электрическая принципиальная щита распределительного. Схемы щитов распределительных 380 220.

В 7 13 схема

В 7 13 схема. Вывод синхронизирующих сигналов микроконтроллера. Стабилитрон на входе МК. Выпрямитель ВЧ сигналов. Схема выводов тактических наушников.

В 7 13 схема. Часы на кр145ик1901 электроника пт206. Часы электроника 6.15 схема монтажная. Часы электронные на к145ик1901 схема. Схема часов на микросхеме к145ик1911.

В 7 13 схема. Микросхема кр1533кп16а. Микросхема 1533ап5 ключ. Кр1533тм9 схема. К155тм9 схема.

В 7 13 схема. Выключатель поперечной коррекции ВК-90м. Выключатель коррекции ВК-53эрв. Выключатель коррекции ВК-90м. Выключатель коррекции ВК-53.

В 7 13 схема. Схема световых эффектов на к155ир13. К155ир13 схема. 155тм8 155тм7. Микросхема к155ир1 описание и схема включения.

В 7 13 схема. Вольтметр вк7 9 схема электрическая принципиальная. Вольтметр универсальный в7-26 схема электрическая. Ламповый вольтметр вк7-9 схема. Ламповый вольтметр в3-2а схема.

В 7 13 схема. К140уд13 микросхема. Микросхема 153уд2 схема включения. К140уд608 схема включения. К140уд13 даташит.

В 7 13 схема. Ltr-eu-2. Ltr-eu-8-1-m. 8eu007628 схема. 8eu007628-01 схема подключения.

В 7 13 схема. Схема подключения АКБ 48 вольт. Схема BMS 16s. BMS 10s схема. Схема соединения аккумуляторов 18650 для электровелосипеда.

В 7 13 схема. Вольтметр ву-15 схема. Ламповый вольтметр ву-15 схема. Схема вольтметра в7-36. Принципиальная схема вольтметр в7.

В 7 13 схема. Dv0876-HDMI-TFT.PCB схема. Np8qm30.PCB инвертор схема. Ac150swled.eup.3.0 схема. Схема импульсного блока питания 12в 2а.

В 7 13 схема. Переключатель кулачковый ПКУ 3 11 с3092 схема. Переключатель кулачковый пку3-11с3084 схема. Переключатель кулачковый ПК-1-64 10а схема. Схема кулачковый переключатель ПК 1 64.

В 7 13 схема. Центральная гировертикаль. Курсовая система КС-8. Центральная гировертикаль ЦГВ-10п. Центральная гировертикаль ЦГВ блок схемы.

В 7 13 схема

В 7 13 схема. Электрическая схема Патрол y61. Патрол 60 схема электрическая. Схема проводки Ниссан Патрол. Схема проводки Ниссан Патрол y61.

В 7 13 схема. Sony rx90 схема усилителя. Схема блока питания музыкального центра Sony. Sony HCD rx90 схема. Sony RX 90 плата усилителя.

В 7 13 схема. Вольтметр универсальный в7-26 схема электрическая. Вольтметр в7-26 схема принципиальная. Ламповый вольтметр в3-2а схема. Схема вольтметра в7-36.

В 7 13 схема. Схема кнопки для перезагрузки. Attiny13 схема подключения. Attiny13 схемы устройств. Схема светофора на attiny13.

В 7 13 схема. К140уд13 схема включения. Микросхема к140уд13 характеристики. МДМ усилитель к140уд13. 140уд13 структурная схема.

В 7 13 схема

В 7 13 схема. Электрическая схема Вольво fh12. Volvo fh12 схема электрооборудования двигателя. Volvo fh13 схема электрооборудования. Volvo fh13 приборная панель схема.

В 7 13 схема. Мощный лабораторный блок питания на транзисторах п210. Регулируемый стабилизатор напряжения схема на транзисторах п 210. Блок питания на п210 с регулировкой напряжения схемы. Мощный регулируемый блок питания на транзисторах п 210.

В 7 13 схема

В 7 13 схема. Двухтактный преобразователь sg3524. Sg3525 схема DC-DC. Преобразователь на sg3524. 3525 ШИМ контроллер схема подключения.

В 7 13 схема. Tiny13a схема включения. Реле поворотов на ATTINY. Attiny13 схема подключения. Attiny13 реле поворотов мотоцикла.

В 7 13 схема. Схема внутреннего освещения Мерседес. Схема 13. Схема 13н. Патрубки w168 схема.

В 7 13 схема. В3-36 милливольтметр. Схема вольтметра в7-36. Вольтметр в7-26 схема. Структурная схема вольтметра в7-15.

В 7 13 схема. Схема на часы электроника 6 . 11. Часы электроника 6.15 схема монтажная. Блок питания часов электроника 6. Электронные часы электроника 6.15м схема.

В 7 13 схема

В 7 13 схема. Индикатор илц4-5-7л (ивл1-7-5). Индикатор вакуумный люминесцентный ивл2-7/5. Индикатор 005 ивл2-7/5. Индикатор вакуумный ивл1-7/5.

В 7 13 схема. Attiny13 таймер схема принципиальная. Таймер на AVR микроконтроллере. Диммер 220v на микроконтроллере AVR код программы. Таймер с обратным отсчетом на pic18f14k22.

В 7 13 схема. Volvo fm 12 приборная панель схема электрооборудования. Volvo fh13 приборная панель схема. Эл.схема Volvo FL 614. Схема щитка приборов автомобиля Вольво ФМ 12.

В 7 13 схема. Тини 13a даташит. Tiny13a программирование распиновка. Схема плойки tiny13. Atmel 1433 tiny13a.

В 7 13 схема. Часы электроника 6.15 схема принципиальная и монтажная. Часы электроника 6 14 03 схема принципиальная электрическая. Часы электроника 2 на микросхемах к176ие18 ие13 ид3. Часы электроника 6.15 схема монтажная.

В 7 13 схема. Часы электроника кр 145ик1901. Кр145ик1901 светодиодных индикаторах. К145ик1901 блок питания. Схема часов на микросхеме к145ик1901.

В 7 13 схема. Регулируемый блок питания с защитой от короткого замыкания. Блок питания 12 вольт с защитой от короткого замыкания. Регулируемый блок питания с защитой от кз. Регулируемые блоки питания о-3а с защитой от кз схемы.

В 7 13 схема. Attiny13 схема включения. Контроллер RGB на attiny13 схема. Attiny13 внешнее тактирование. Attiny13 ws2812 схема.

В 7 13 схема

В 7 13 схема. Одиссей 001 стерео схема с индикаторами. Схема усилителя Одиссей у 001 стерео Hi-Fi. Одиссей 001 стерео схема. Схема Одиссей 001 без индикаторов.

В 7 13 схема. 223b схема подключения. Микросхема сенсор 223b параметры. Схема микроконтроллера атитини13. Сенсорный датчик ttp223 схема.

В 7 13 схема. Обходная система шин 110 кв. Обходная секция шин 10 кв. Обходной выключатель на схеме. Ячейка секции шин.

В 7 13 схема. Планировка Кутузовский проспект 2. Кутузовский проспект, 23к1 планировки. Кутузовский проспект 26 планировка. Кутузовский проспект 26к3 планировка.

В 7 13 схема. Даташит на микросхему к155ир13. К155ир13 логическая схема. Микросхема к155ир13 схема включения. К155ир13 бегущие огни.

В 7 13 схема

В 7 13 схема. S70 Radiotehnika схема. Схема акустики радиотехника с 70. Колонки радиотехника s70 схема усилителя. Колонки s-70 Radiotehnika схема.

В 7 13 схема. Электросхема пассажирского лифта грузоподъемностью 320кг. Схема лифтовой станции релейного 400 кг. Схема лифта ШК 6000. Принципиальная схема электроснабжения лифта.

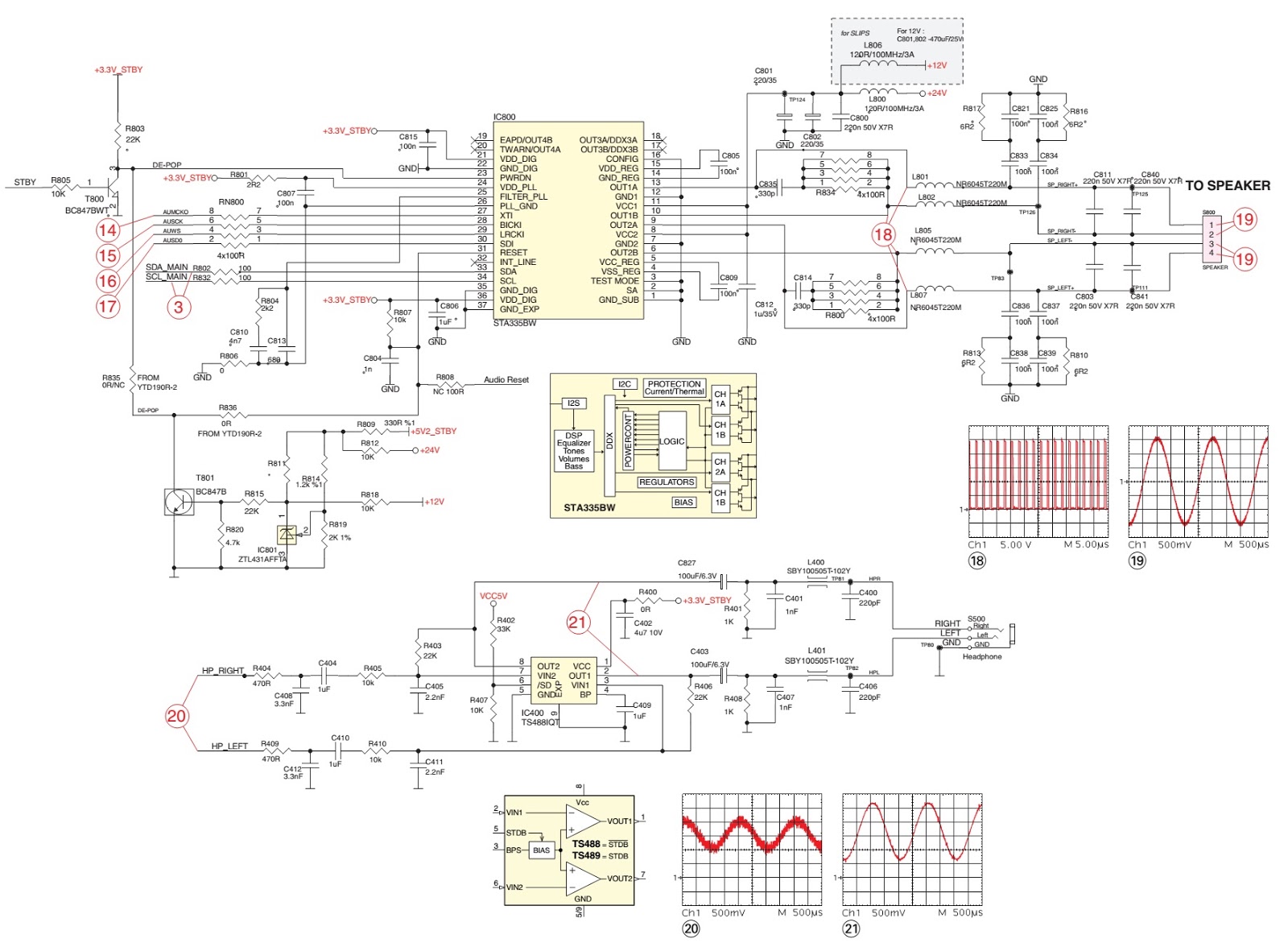
В 7 13 схема. Grundig 26 GLX 3102 C схема. Grundig 4000 схема принципиальная. Sta335bw нет звука. Ду - Grundig - 32vle9270br распиновка.

В 7 13 схема. Мультиплексор 1533кп2. Кр1533 микросхемы. Кр1533кп2 мультиплексор 16 на 1. Мультиплексор к155кп2.

В 7 13 схема. Конденсаторный преобразователь напряжения схема. Конденсаторный преобразователь напряжения с умножением тока. Преобразователи на переключающихся конденсаторах. Преобразователь на переключаемых конденсаторах минусовой.

В 7 13 схема

В 7 13 схема. Обходная система шин 110 кв. Обходной выключатель 110 кв на схеме. Одиночная секционированная система шин 110 кв. Дифференциаль защита шины схемы 110 кв.

В 7 13 схема. Схема регулятора напряжения на 24 вольт. Стабилизатор напряжения 12в для светодиодов схема. Регулятор напряжения 5 вольт схема. Стабилизатор напряжения 12в 3а схема.

В 7 13 схема. Вольтметр шкала 0-3 в. Вольтметр Урал. Миллиамперметр шкала деления. Вольтметр на радиолампе.

В 7 13 схема. Электросхема Hyundai h-1526. Телевизор Hyundai h led19v13. Hyundai h-led19v1 схема принципиальная. Телевизор Hyundai h-led19v13 схема принципиальная.

В 7 13 схема. Led ДХО контроллер на attiny13. Дневные ходовые огни на микроконтроллере attiny13. Схема стробоскопа на attiny13. Дневные ходовые огни на микроконтроллере схема.

В 7 13 схема. Схема передатчика на кт610. Передатчик 3.5 МГЦ 80м. Передатчик на 144мгц на транзисторах. УКВ усилитель мощности 433 МГЦ.

  • Вперед Конный спорт в казахстане
  • Назад Камаз 43114 фото

Новые страницы

1 Трение качения

Аэропорт волна симферополь

Алышева 2 класс математика

Баба яга калязин

Биология 5 класс параграф 23 конспект

Эффект лучики наращивание схема

Филировка волос

Как снять моторчик стеклоподъемника лачетти

Ключ от бмв замена батарейки

Кроссовки найк с рисунком

Медицинское свидетельство о рождении ребенка из роддома что за документ образец

Надежда юрьевна

Не удается добавить подпись в документ если используется смарт карта необходимо убедиться

Номер 972 математика 5 класс

Окружающий мир рабочая тетрадь 1 класс стр 32 ответы

Опель астра набережные челны

Персей тату эскиз

Проект 22380 корвет

Прогнозы на спорт футбол

Рассказ про семью на английском 3 класс с переводом по образцу

Scotch 23

Шекспир гамлет урок литературы в 9 классе презентация

Схема 12 светодиодов на 12 вольт

Схема двора с обозначением опасных мест окружающий

Схема смешанного соединения сопротивлений

Сколько стоит килограмм тунца

Стиг ларссон книги по порядку

Тюнинг фар в воронеже

Угол между зеркалом и отраженным от него лучом равен 20

Задания по английскому для 5 класса

cdn.zecar.ru