Skip to content

Фотогалерея

  • Главная
  • Контакты

Utc386

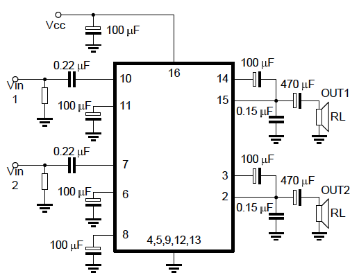
UTC386 datasheet, amplifier equivalent, Hangzhou Silan Microelectronics

UTC386 datasheet(1/2 Pages) YOUWANG | LOW VOLTAGE AUDIO POWER AMPLIFIER

LM386 UTC386 UTC LM386原裝全新 深圳育松電子 | 露天市集 | 全台最大的網路購物市集

UTC386 Datasheet_PDF文件下载_芯片资料查询_维库电子市场网

UTC386_1999057.PDF Datasheet Download --- IC-ON-LINE

滿199免運LM386 UTC386 169-01745 | 露天市集 | 全台最大的網路購物市集

滿199免運LM386 UTC386低電壓音訊功率放大器 (A5K2) 188-03507 | 露天市集 | 全台最大的網路購物市集

362802"C倉庫"LM386 UTC386低電壓音訊功率放大器(10個/包) W313-191210[362802] | 露天市集 | 全 ...

LM386 UTC386 UTC LM386原裝全新 深圳育松電子 | 露天市集 | 全台最大的網路購物市集

UTC386 LM386 DIP/SOP|sop dip|dip sop - AliExpress

Poszukuję układu o oznaczeniu: YW N7NB4A UTC386 - elektroda.pl

全支援 OTG讀卡機 | Songwin嚴選

Унч на lm386: Простейший усилитель на LM386 с возможностью регулировки ...

Lissage signal sortie

LM386N-1 / LM386M-1 (LM386D) - УНЧ - МИКРОСХЕМЫ - Электронные ...

Jak zmostkować kanały we wzmacniaczu TEA2025 z głośników komputerowych?

自作ストレートラジオの写真 | 半導体0719のブログ - 楽天ブログ

400孔面包板线MB-102 SYB-500电路板实验板洞洞板焊接实验套件PCB_虎窝淘

UTC31001 Datasheet_PDF文件下载_芯片资料查询_维库电子市场网

utc358d原理图,ut358d电路图,ut324d电路图_大山谷图库

加厚灰色破坏性快递袋45*58防水袋 3.0kg/捆快递袋_虎窝淘

utc358d原理图,ut358d电路图,ut324d电路图_大山谷图库

utc358d原理图,ut358d电路图,ut324d电路图(第7页)_大山谷图库

DOS Days - Retro Review: Retro Review: Terratec Promedia Base 1 - Part 1

三极管MCR100-6/100-8 BT131-600 BT169D单向/双向可控硅晶闸管_虎窝淘

400孔面包板线MB-102 SYB-500电路板实验板洞洞板焊接实验套件PCB_虎窝淘

镀金头华荣探针PAL75-B1(直上尖头)1.0mm探针弹簧针顶针_虎窝淘

全新原装AD7581JNZ丝印AD7581JN直插DIP28数据采集系统(DAS)IC_虎窝淘

原装三星 S23B550V驱动板 S23B550VS/XF主板 SB550 BN41-01767A_虎窝淘

PLC模块CPM2AH-60CDR-A CPM1A-40CDR-A-V1 CPM1A-10_虎窝淘

全新原装AD7581JNZ丝印AD7581JN直插DIP28数据采集系统(DAS)IC_虎窝淘

OPERA OP-607D

OPERA OP-607D

DOS Days - Retro Review: Retro Review: Terratec Promedia Base 1 - Part 1

三极管MCR100-6/100-8 BT131-600 BT169D单向/双向可控硅晶闸管_虎窝淘

  • Вперед Кроссовка спортивный цена
  • Назад Письмо об отпуске коллегам образец

Новые страницы

Автосервис пилот медведково

Бандаж для занятий спортом

Баня в гараже своими руками

Блок предохранителей опель вектра б расшифровка

Цветок оригами схема

День рождения мой сестра

Фгос математика 5 класс гдз

Гдз сборник задач по физике 8 класс перышкин

Гдз учебник русского языка 4 класс 2 часть канакина

Инвалид занимается спортом

Кальцивироз у кошек фото

Карта транспорта иваново с остановками общественного

Лечение хламидии у мужчин

Лобовое стекло с шумоизоляцией что это

Не заводится славута инжектор

Оганян схема очищения

Осьминожка из плюшевой пряжи крючком схема

Отказ о предоставлении персональных данных образец

Пара в горах

Потеют передние фары

Приказ об отмене работы в выходной день образец

Приказ увольнение в связи с выходом на пенсию образец

Ремонт и обтяжка диванов

Схема таблицы базы данных

Схемы скатерти для начинающих

Согласные звуки или буквы

Технологическая карта экскурсии образец скачать

Титульный лист на методическую разработку образец

Установка щитка в квартире

Журнал регистрации неправильно выписанных рецептов образец

cdn.zecar.ru