Skip to content

Фотогалерея

  • Главная
  • Контакты

Up1589q

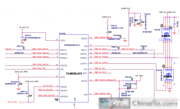
UP1589Q 系统供电芯片组在实际电路中状态和维修方法济南磐龙制作 - 济南磐龙笔记本交换机工控机维修服务中心

UP1589Q

UP1589Q 系统供电芯片组在实际电路中状态和维修方法济南磐龙制作 - 济南磐龙笔记本交换机工控机维修服务中心

5pcs UP1589QQKF UP1589Q UP15890 UP1589 QFN20 new original laptop chip ...

UP1589QQKF UP1589Q UP15890 UP1589 QFN-20 - Ремонт ноутбука Нижний ...

UP1589Q

UP1589Q/ uP1589Q (аналог RT8243B) контролер живлення чергування (ID ...

(5piece)100% New UP1589QQKF UP1589Q UP15890 UP1589 QFN 20 IC Chipset ...

5pcs UP1589QQKF up1589QQKF uP1589Q UP1589Q uP1589Q QFN20 | eBay

5pcs Up1589qqkf Up1589q Up1589q Up1589 Qfn20 - Replacement Parts ...

UP1589Q | Dc To Dc converter IC | India | SpareFly

(5-10pcs) New UP1589QQKF UP1589Q UP15890 UP1589 QFN-20 Chipset | eBay

UP1589Q 系统供电芯片组在实际电路中状态和维修方法济南磐龙制作 - 济南磐龙笔记本交换机工控机维修服务中心

uP1589Q микросхема >> недорого купить

Brand new uP1589Q 1589Q UP1661P UP1661Q UP1565P 1565P QFN

(5-10pcs) New UP1589QQKF UP1589Q UP15890 UP1589 QFN-20 Chipset | eBay

Brand new uP1589Q 1589Q UP1661P UP1661Q UP1565P 1565P QFN

Brand new uP1589Q 1589Q UP1661P UP1661Q UP1565P 1565P QFN

Up1589q ถูกที่สุด พร้อมโปรโมชั่น มิ.ย 2023|BigGoเช็คราคาง่ายๆ

Купить Микросхема uP1589Q Realtek, цена | Микросхема uP1589Q Realtek ...

uP1589Q 1589Q UP1661P 1661P UP1565P 1565P QFN_虎窝淘

UP1589Q Mainboardservice.com

晟记 uP1589Q 1589Q UP1661P 1661P UP1565P 1565P QFN_虎窝淘

Jual Original New UP1589QQKF UP1589Q UP15890 UP1589 P1589Q QFN Mantabbb ...

Jual New Original UP1589Q UP1589QQKF UP15890 QFN-20 Mantaff di Lapak ...

uP1589Q eq NCP1589A Low Voltage Synchronous Buck Controller - FUKIDI

晟记 uP1589Q 1589Q UP1661P 1661P UP1565P 1565P QFN_虎窝淘

IC UP1589Q 1589Q – Lonex

⭐ Микросхема uP1589Q. Низкие цены. На складе в наличии.

UP1589QQKF UP1589Q UP15890 UP1589 QFN20 IC Chip - In Italia | eBay

IC nguồn UP1589Q UP1589 | Shopee Việt Nam

UP1589Q 系统供电芯片组在实际电路中状态和维修方法济南磐龙制作 - 济南磐龙笔记本交换机工控机维修服务中心

Store Home Products Feedback

Jual IC UP1589Q UP1589A di Lapak Bengkelnotebook Medan | Bukalapak

ШИМ UP1589Q - купить по выгодной цене

  • Вперед Старинные схемы вышивки крестом 17 19 века
  • Назад Деревянные заборы

Новые страницы

1163 Математика 6

Аутотренинг по шульцу для успокоения нервной системы

Болт м12 150

Ботанический сад в москве зимой

Договор на разработку сметной документации образец

Гдз по математике 3 класс страница 86 номер 3

Храмы г орла

Информация и знания картинки для презентации

Как почистить головку от нагара

Карта гомеля со спутника в хорошем качестве

Карта крымского района краснодарского края с населенными пунктами подробная

Карта строящихся объектов россии

Клиренс у рено степвей

Костюм кубанской казачки женский нарисовать

Модельная спортивная стрижка

Образец благодарности врачу

Окружающий мир тетрадь 3 класс 2 часть плешаков гдз

План описания фотографии на устном собеседовании по русскому языку 9 класс

Подпишите части цветка с помощью рисунка 6 класс

Поставить септик в дом

Ремонт abs пластика

Ремонт холодильников на дому индезит в москве

Счетчик тепла

Щит учета электроэнергии уличный

Социальное происхождение в автобиографии что писать образец

Справка обоснование закупки у единственного поставщика образец

Угревая болезнь

Уроки на электрогитаре

Увольнение по собственному желанию без отработки образец

Вывоз мусора маленький контейнер

cdn.zecar.ru