Skip to content

Фотогалерея

  • Главная
  • Контакты

Транзистор кт3102е аналоги

Транзистор Советский Фото – Telegraph

Кт3102 даташит. КТ3102: универсальный транзистор для радиолюбителей ...

Транзистор КТ3102Е NPN – фото, отзывы, характеристики в интернет ...

Супербета транзистор.Каким он бывает и где его применяют | Электронные ...

Популярный транзистор кт805а в металле и кт805ам в пластмассе.Чем они ...

Транзистор кт502 аналоги

Транзистор КТ902

Создай свой транзистор: ФИНАЛ - ПутьИнженера

TIP122, Биполярный NPN транзистор Дарлингтона, 100 В, 5 А - купить с ...

Транзистор КТ3102: характеристики, аналоги и применение

Кт3102 даташит. КТ3102: универсальный транзистор для радиолюбителей ...

Продукція - КТ3102Е-Ni транзистор (3102е NPN 0020V 0100mA 0150MHz TO-18 ...

BD140: отечественные аналоги популярного транзистора

Транзистор КТ3101А-2. Низкие цены. На складе в наличии.

Кт3102 даташит. КТ3102: универсальный транзистор для радиолюбителей ...

Кт3102 транзистор аналоги

100 шт. Транзисторы S9014 PNP Кремниевый транзистор - купить с ...

Кт3102 параметры аналоги

Транзистор кт829а характеристики: Транзистор КТ829А: характеристики ...

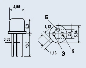
Транзисторы КТ315,КТ3102,КТ817 - маркировка и цоколевка,основные параметры.

Транзистор КТ3102: характеристики, цоколевка, datasheet, цветовая ...

Цифровой транзистор-тестер LCR-T4 ESR ATMEGA328P прибор для ...

Транзистор КТ342А позолоченные выводы, новый, в наличии. Цена: 150₽ во ...

КТ3102Е TO-18 Транзистор, купить в интернет-магазине «Ай-Пи Электрон» с ...

Кт3102Е параметры: КТ3102Е, Транзистор NPN, высокочастотный, малой ...

Транзистор мп26б аналоги

Цветовая маркировка транзисторов кт3102: КТ3102 транзистор ...

КТ827А технические характеристики транзистора, аналоги, цоколевка ...

Транзисторы кт3102 характеристики параметры цоколевка

Транзистор КТ3102: характеристики, цоколевка, datasheet, цветовая ...

Транзистор КТ502: Характеристики, цоколевка, маркировка, аналоги

КТ315 самый популярный советский транзистор - YouTube

Кт3102Е параметры: КТ3102Е, Транзистор NPN, высокочастотный, малой ...

Транзистор мп 40 аналог

Схема электронного ключа

  • Вперед Ответ по литературному чтению 2 класс
  • Назад Тренога под казан своими руками чертежи и фото

Новые страницы

Альфа распад уран

Андрей с днем рождения прикольные и смешные ржачные до слез картинки

Citroen c6

Complete these sentences with the

Фитнес клуб фитнес класс цена

Гдз самостоятельные алгебра 9

Генератор или аккумулятор

Как поменять сальник на коробке ваз 2109

Какие бывают тормозные диски

Каким видом спорта вы занимаетесь

Картина шишкина утро в сосновом лесу или бору как правильно

Картинка детский фитнес

Комки биша где на лице схема

Латынина эхо москвы

Медленно набирает обороты ваз 2110

Наука и создание научной картины мира 8 класс презентация

Образец заявления об увольнении

Отделка парной сауны хамам вам

Озеро каспля

Предохранитель спидометра шевроле лачетти

Регулировка клапанов кашкай

Решение о внесении дополнительных кодов оквэд образец

Санкт петербург дом советов старые

Соглашение о выделении долей детям образец

Спорт помогает стать

Транзистор кт3102е аналоги

Вид плавания кроль

Выпуклый угольник

Юпитер и каллисто картина буше франсуа

Заявление в суд об усыновлении ребенка супруги образец

cdn.zecar.ru