Skip to content

Фотогалерея

  • Главная
  • Контакты

Tpic6b595 datasheet

TPIC6B595 Controlled 7 Segment - LEDs and Multiplexing - Arduino Forum

Numitron IV-9 clock with TPIC6B595 shift registers - LEDs and ...

Shift Register - High-Power 8-Bit - TPIC6B595 - Proto-PIC

TPIC6B595 Datasheet

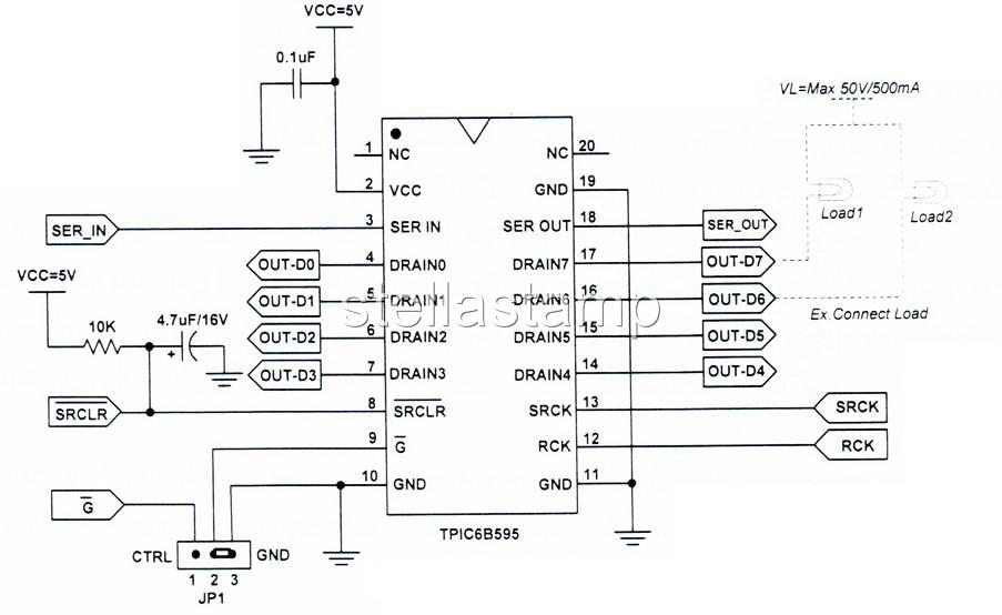
TPIC6B595 datasheet(1/10 Pages) TI | POWER LOGIC 8-BIT SHIFT REGISTER

TPIC6B595 datasheet(2/10 Pages) TI | POWER LOGIC 8-BIT SHIFT REGISTER

TPIC6B595 to drive 12V Seven Segment - LEDs and Multiplexing - Arduino ...

Entrada de datos en serie a través del microcontrolador al voltaje de ...

พวกเราชาวอีทีทียินดีต้อนรับ :: ET-MINI TPIC6B595

INBOARD- Serial Parallel POWER Shift Register TPIC6B595 | eBay

PCB layout critique: chess timer : r/PrintedCircuitBoard

mosfet - Need help identifying diode symbol - Electrical Engineering ...

TPIC6B595 ถูกที่สุด พร้อมโปรโมชั่น ส.ค. 2022|BigGoเช็คราคาง่ายๆ

74HC245 to ULN2803A and drive relay, flickering issue of power ON ...

Basic set-up for TPIC6B595 Shift Register with PWM - LEDs and ...

TPIC6B595 Smd Shift Register Entegresi | Elektronikaled Elektronik

TPIC6B595 High Power 8-bit Shift Register

TPIC6B595 High Power Shift Register (TPIC6B595) | The Pi Hut

TPIC6B595 High Power Shift Register - TPIC6B595 - Melopero Electronics

วงจรรวม SOP20 TPIC6B595DWRG4 TPIC6B595 TPIC6B595 TPIC6A595 TPIC6595 ...

TPIC6595DW - TPIC6595 - TPIC6595DWR Power Logic 8-Bit Shift Register ...

Driving a multiplexed display: the other way - SparkFun Electronics

TPIC6B595 High Power Shift Register - TPIC6B595 - Melopero Electronics

74HC595 - marocelec.com

Screen Shot 2018-01-20 at 8.44.02 PM

Tutorial - 12cm 12V 7segments gear indicator with GameDash

10 x TPIC6B595 TPIC6B595DW Power Logic 8-Bit Shift Register ...

TPIC6B595 High Power Shift Register (TPIC6B595) | The Pi Hut

Texas Instruments TPIC6B595N 74HC595 8-bit shift register with 150mA/ch ...

Shift Register Tutorial for Arduino, ESP8266 and ESP32

5PCS TPIC6B595DWR TPIC6B595 SOP-20 8-BIT Shift Register NEW S8 | eBay

Shift Register 8-Bit High-Power - TPIC6B595

TP?IC6x595 shift registers TPIC6595 TPIC6A595 TPIC6B595 TPIC6C595 ...

Brightness issues driving 10*11 SMD 5050 LEDs matrix - Electrical ...

Controlarea a 8 LED-uri folosind 3 pini de la microcontroler cu Arduino

  • Вперед Найдите смежные углы если один из них в два раза больше другого с рисунком
  • Назад Гдз по английскому языку сборник упражнений 5 класс spotlight

Новые страницы

Бар 69 казань

Бендорф германия

Дачный поселок с деревянными домами

Force 10 614250

Газовый редуктор регулировка

Гдз по физике мякишев 10 класс учебник

Гдз по русскому языку 6 класс 2 часть ладыженская упр 423

Голд фитнес сормово нижний новгород

Кабельная продукция

Как поменять прокладку под крышкой клапанов

Калина обыкновенная описание

Киев вокзал

Математика 4 класс гдз моро 1 часть учебник ответы

Математика 4 класс стр 82 номер 10

Мос3063 даташит

Несчастье несчастливый невежественный

Номер 968 по математике 6 класс мерзляк полонский якир

Образец письма в администрацию президента рф

Образец заполнения журнала осмотра лесов и подмостей

Пищалка подключение конденсаторов

План мероприятий по антитеррористической защищенности объекта образец

Презентация газель некст

Растяжка тренировка

Ремонт расточных станков

Рено дастер коррозия кузова

Розетка патрон

Согласие на сдачу экзамена в гибдд несовершеннолетним образец

Услуги по дизайну

Виды каблуков женской обуви

Ярославль ремонт гофры выхлопной

cdn.zecar.ru